Zum Hauptinhalt springen Zur Suche springen Zur Hauptnavigation springen
Menü

Adly / Her Chee Motorroller Ersatzteile kaufen - Originalteile für Ihren Scooter

Adly Her Chee Ersatzteile Original & OEM

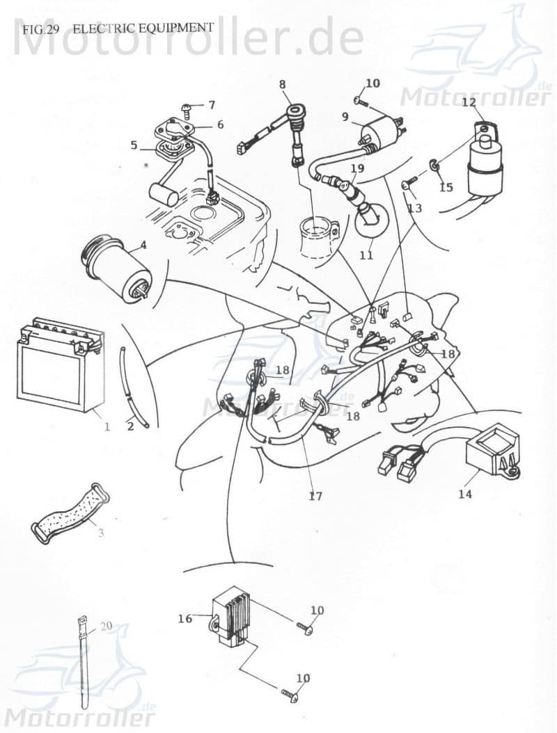
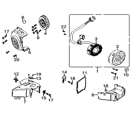
Adly Motorroller Ersatzteile

Großes Lager mit Roller, Quad und Buggy Ersatzteilen, Zubehör, Teilebücher, Meister-Werkstatt, Vorort-Service, eigener Liefer Service, Probefahrt und Abholung möglich.

Wenn Sie Ihr gewünschtes Ersatzteil nicht finden, Email bitte an info@motorroller.de Wir helfen gerne weiter

Rückruf vereinbaren
Die von Ihnen übermittelten Informationen werden gemäß unserer Datenschutzerklärung ausschließlich für die Abwicklung Ihrer Kontaktanfrage gespeichert.
Rückruf erfolgreich angefordert.
Formular konnte nicht verarbeitet werden.