Ersatzteile für Motorroller Atu Explorer Kallio 50 Bj.12 50Ccm 2Takt bei Motorroller.de
- Motorroller
- Motorrad
-
Elektrofahrzeuge
- E-Roller
- E-Bikes
-
Ersatzteile E-Bikes
- HLS I
- HLS II
- Panterra ED2ex
- TX TranzX
- Panterra ED3
- E-Silentio
-
TranzX
- Alle 2014-er M25 - Modelle
- Alle 2014-er M25 - Modelle (NICHT AGT!!)
- Alle Modelle (ohne Malente)
- Alle TranzX 36V Modelle
- Alle TranzX Modelle
- Cremona
- e Urban 3.1
- e Urban 5.8
- Eagle
- Lucca
- Lucca AGT
- Malente ab 2012
- Malente bis 2011
- Modell Emden
- Modell Friesland
- Modell Friesland ab 2011
- Modell Monza
- Modell Niederrhein
- Modell Schönau
- Modell St. Lucia
- Modell St. Lucia ab 2011
- Modell St. Moritz
- Modell St. Moritz 2011
- Modell St. Moritz ab 2011
- Modell St. Vincent
- NLD01
- NLD02
- Snap It
- Snap It 2012
- Snap It 2013
- Swifty
- Swifty 36V
- Swifty bis 2010
- Panterra ED9
- Bosch
- Impulse 2.0
- Panasonic
- Quad/ATV
-
Ersatzteile
-
Ersatzteile für Motorroller
-
Adly Motorroller
- Adly Agora 50
- Adly Air Tec 1 50 AC
- Adly Air Tec 1 50 LC
- Adly AT 125G
- Adly AT 50 PT Bj.92
- Adly AT 50 2
- Adly Blizzard GTA 50 Bj.10
- Adly Cat 50
- Adly Cat 100
- Adly Cat 125
- Adly Cosy 50 Bj.00-05
- Adly Cosy 80 Bj.00-05
- Adly Fox Plus 50 FP-50
- Adly GTA 50
- Adly JET 50
- Adly Jet 100
- Adly Matador 50
- Adly Noble 50
- Adly Noble 100 Bj.05
- Adly Noble 125
- Adly Panther 50
- Adly Panther 100 Bj.00
- Adly Rapido 50
- Adly Scoody 50
- Adly Scoody 50 2
- Adly Silver Fox SF 50
- Adly Silver Fox SF 100 Bj.01
- Adly SS-50I. 2
- Adly Super Sonic 50
- Adly Super Sonic 100
- Adly Thunder Bike TB 50
- Adly Thunder Bike TB 100 Bj.01
- Adly Thunder Bike TB 125
- Aeon Motorroller
-
AGM-Motors
- AGM Fighter 50 One
- AGM Fighter 125
- AGM Fighter 125 One
- AGM Fighter 50 Sport
- AGM Fighter 125 Sport
- AGM Fighter 125 R GT Max Euro 5
- AGM Firejet 50 YY50QT-28-AA-2TC
- AGM Firejet 125
- AGM GMX 450 JSD50QT-13
- AGM GMX 450 One JSD50QT-13
- AGM GMX 450 Sport JSD50QT-13
- AGM GMX 450 ZX50QT-7A
- AGM GMX 450 Euro 4
- AGM GMX 450 Sport Euro 4
- AGM GMX 460 Retro Classic
- AGM GMX 460 Retro Classic NF Edition
- AGM GMX 460 Sport
- AGM GMX 50
- AGM GMX 50 One JSD50QT-13
- AGM GMX 50 Sport JSD50QT-13
- AGM GMX 550
- AGM GMX 550 ZX50QT-7B
- AGM GMX 550 Euro 4
-
Aprilia Motorroller
- Aprilia Amico 50
- Aprilia Amico 50 Bj.91-92
- Aprilia Amico 50 Bj.96-97
- Aprilia Amico 50 FD Bj.94
- Aprilia Amico 50 GL
- Aprilia Amico 50 GLE
- Aprilia Amico 50 LK Bj.94
- Aprilia Amico 50 LX Bj.95-96
- Aprilia Amico Sport 50
- Aprilia Area 51 Bj.98-02
- Aprilia AREA 51 LC
- Aprilia Area 51 SBK
- Aprilia Atlantic 250
- Aprilia Atlantic 300 i.e
- Aprilia Atlantic 400 i.e.
- Aprilia Atlantic 500
- Aprilia Atlantic 500 Sprint
- Aprilia Gulliver 50 AC
- Aprilia Gulliver 50 LC
- Aprilia Habana 50 Morini Motor Bj.00-01
- Aprilia Habana 99 Morini Motor
- Aprilia Leonardo 125
- Aprilia Leonardo 125 ST
- Aprilia Leonardo 150
- Aprilia Leonardo 250
- Aprilia Leonardo 250 ST-SP Bj.01-03
- Aprilia Leonardo 300 Bj.02-06
- Aprilia Mojito 50 Morini Bj.99-04
- Aprilia Mojito Custom 50 Piaggio
- Aprilia Mojito Habana 50 Morini Motor Bj.99-04
- Aprilia MX 50 SM
- Aprilia MX 125
- Aprilia Rally 50 AC
- Aprilia Rally 50 LC
- Aprilia Rally 50 LC Bj.96-98
- Aprilia RS 50
- Aprilia RX 125
- Aprilia Scarabeo 50
- Aprilia Scarabeo 50 AC 2006-11
- Aprilia Scarabeo 50 AC Bj.95-06
- Aprilia Scarabeo 50 AC de Luxe Minarelli 2T
- Aprilia Scarabeo 50 AC Street
- Aprilia Scarabeo 100
- Aprilia Scarabeo 100 Sport Bj.00-09
- Aprilia Sonic 50 AC
- Aprilia Sonic 50 AC Spice Bj.97-02
- Aprilia Sonic 50 LC
- Aprilia Sonic 50 LC GP Bj.97-99
- Aprilia Sportcity One 50
- Aprilia SR 125
- Aprilia SR 125 1999-2001
- Aprilia SR 50
- Aprilia SR 50 nicht DITECH
- Aprilia SR50 Bj.03-08 nicht DITECH
- Aprilia SR 50 AC Bj.94-97
- Aprilia SR 50 AC Urban/Kid
- Aprilia SR 50 AC WWW Minarelli Motor 1 SB 2T
- Aprilia SR 50 Europe
- Aprilia SR 50 Factory
- Aprilia SR 50 Fun Master Bj.00
- Aprilia SR 50 LC ZD4LC Minarelli Bj.94-96
- Aprilia SR 50 LC ZD4MZ Minarelli Bj.97-00
- Aprilia SR 50 LC 2000 Bj.00-02
- Aprilia SR 50 LC Bj.03
- Aprilia SR 50 LC Blue Star 2T
- Aprilia SR 50 LC Factory R
- Aprilia SR 50 LC Motard Bj.11-13
- Aprilia SR 50 LC Netscaper
- Aprilia SR 50 LC Netscaper-Sports
- Aprilia SR 50 LC Replica Minarelli liegend 2T
- Aprilia SR 50 LC Sports
- Aprilia SR 50 LC Stealth
- Aprilia SR 50 LC Street
- Aprilia SR 50 Netscaper
- Aprilia SR 50 R
- Aprilia SR 50 Racing
- Aprilia SR 50 Sport
- Aprilia SR 50 Stealth
- Aprilia SR 50 Street
- Aprilia SR 50 Urban
- Aprilia SR 50 Urban Kid
- Aprilia SR 50 VIP
- Aprilia SR 50 WWW Bj.00
- Aprilia SR 150
- Atala Rizzato
-
ATU
- ATU Calypso 125
- ATU Explorer City Star 50 YY50QT
- ATU Explorer Classic 50 Bj.12
- ATU Explorer Formula 2000 YY50QT-6A
- ATU Explorer Formula One YY50QT-6
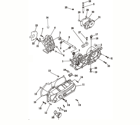
- ATU Explorer Kallio 50 Bj.12
- ATU Explorer Kallio 50 New Edition
- ATU Explorer Level 100 ZS50QT
- ATU Explorer RACE GT 50
- ATU Explorer Race GT 50 Limited
- ATU Explorer Retro Star 50 YY50QT-15
- ATU Explorer Spin GE50
- ATU Explorer Wild Eagle 50 ZS50QT
- ATU KB 50 Edition
- ATU Motortek Raccoon 50
- ATU Wallstreet 125 Bj.09
- ATU Yup 50
- Baja
- Bajaj
-
Baotian Motorroller
- Baotian BT125T-2
- Baotian BT125T-2A
- Baotian BT125T-2B2
- Baotian BT125T-3A2
- Baotian BT125T-3A4
- Baotian BT125T-3B6
- Baotian BT125T-7 Big Panther 125
- Baotian BT125T-8
- Baotian BT125T-8A
- Baotian BT125T-8B
- Baotian BT125T-9B
- Baotian BT125T-9D
- Baotian BT125T-12C1 Warrior 125
- Baotian BT125T-12D1 Hero 125 Bj.07-13
- Baotian BT125T-12E1 Rocky 125
- Baotian BT125T-12F Bj.08
- Baotian BT125T-12F1 Tanco 125
- Baotian BT125T-9 Speed 125 Bj.06
- Baotian BT151T-2A2 Bj.08
- Baotian BT151T-2B6 4T
- Baotian BT49QT-2 Big Panther 50
- Baotian BT49QT-2 Bj.05
- Baotian BT49QT-2A
- Baotian BT49QT-2C Falcon
- Baotian BT49QT-3
- Baotian BT49QT-6A1
- Baotian BT49QT-6A4
- Baotian BT49QT-6B1
- Baotian BT49QT-6B4
- Baotian BT49QT-7 4T
- Baotian BT49QT-7A1 SMART RIDER 50
- Baotian BT49QT-7A2 SMART RIDER 50
- Baotian BT49QT-7A3
- Baotian BT49QT-7B1
- Baotian BT49QT-7B3
- Baotian BT49QT-7D Bj.06
- Baotian BT49QT-9 4T
- Baotian BT49QT-9 Sprint 50
- Baotian BT49QT-9A1
- Baotian BT49QT-9D1
- Baotian BT49QT-9D2 SPEEDY 50
- Baotian BT49QT-9D3
- Baotian BT49QT-9F1 Eagle
- Baotian BT49QT-9F3 Eagle 50
- Baotian BT49QT-9M Bj.06
- Baotian BT49QT-9N 4T
- Baotian BT49QT-9N1
- Baotian BT49QT-9N3 4T
- Baotian BT49QT-9O3 4T
- Baotian BT49QT-9P1 Bj.08
- Baotian BT49QT-9R Bj.06
- Baotian BT49QT-9R1
- Baotian BT49QT-9R3
- Baotian BT49QT-9S1
- Baotian BT49QT-9S3 Super Moto City 50
- Baotian BT49QT-9T1 Bj.08
- Baotian BT49QT-10
- Baotian BT49QT-11 4T
- Baotian BT49QT-12 Go 50 L84TCAPC Bj.06
- Baotian BT49QT-12A1 Rebel
- Baotian BT49QT-12C1 Warrior 50
- Baotian BT49QT-12C1 Rebel 50
- Baotian BT49QT-12C2
- Baotian BT49QT-12D1 Hero 50
- Baotian BT49QT-12E
- Baotian BT49QT-12E1 Rocky 50
- Baotian BT49QT-12E3
- Baotian BT49QT-12E3 Rocky 50 4T
- Baotian BT49QT-12F1
- Baotian BT49QT-12G
- Baotian BT49QT-12G1 4T
- Baotian BT49QT-12G2
- Baotian BT49QT-12J Bj.08
- Baotian BT49QT-12K Bj.08
- Baotian BT49QT-12P1 Tiger 50
- Baotian BT49QT-18C1 Rebell 50
- Baotian BT49QT-18E1 Rocky 50
- Baotian BT49QT-18F1 Tanco 50
- Baotian BT49QT-18F Bj.08
- Baotian BT49QT-20A
- Baotian BT49QT-20A2B2 Land flyer
- Baotian BT49QT-20B
- Baotian BT49QT-20B2
- Baotian BT49QT-20B3
- Baotian BT49QT-20C
- Baotian BT49QT-21B1 Classico Victoria 50
- Baotian BT49QT-28 Bj.08
- Baotian BT49QT-28A
- Baotian BT49QT-28C
- Baotian BT50QT-9 Eco Bike 50
- Baotian BT50QT-11 Retro 50
- Baotian Carino 50
- Baotian Eagle 50
- Baotian Tiger 50
- Baotian Warrior 125
- Barossa Motorroller
- Beeline
-
Benelli Motorroller
- Benelli 491 50 AC GT
- Benelli 491 50 AC ST
- Benelli 491 50 GP-RR
- Benelli 491 50 GP-SP
- Benelli 491 50 LC GP Minarelli Motor
- Benelli 491 50 LC Racing
- Benelli 491 50 LC Rage Minarelli Motor
- Benelli 491 50 LC Replica Minarelli Motor
- Benelli 491 50 LC RR
- Benelli 491 50 LC RR Minarelli Motor
- Benelli 491 50 LC SP Minarelli Motor
- Benelli 491 50 LC Sport
- Benelli 491 50 LC Superbike
- Benelli 491 50 Racing
- Benelli 491 50 RR 03 Minarelli
- Benelli 491 50 RR 03 Morini
- Benelli 491 50 RR Replica 03 Minarelli
- Benelli 491 50 RR Replica 03 Morini
- Benelli 491 50 Sport 03 Minarelli
- Benelli 491 50 Sport SBK ARMY
- Benelli 491 50 ST 03 Minarelli
- Benelli 491 50 ST 03 Morini
- Benelli 491 50 ST Rage SBK
- Benelli 49X Quattronove 50 Straßenversion
- Benelli 49X Quattronove X 50
- Benelli Adiva 125
- Benelli Adiva 150
- Benelli Devil 50
- Benelli K2 50 AC 03 Minarelli 0
- Benelli K2 50 AC Bj.98-01
- Benelli K2 50 AC Namur Bj.00-01
- Benelli K2 50 LC 03 Minarelli
- Benelli K2 50 LC Namur Bj.98-99
- Benelli K2 100
- Benelli K2 100 Biposto Bj.98-01
- Benelli Naked 50 AC 03 Minarelli
- Benelli Naked 50 AC 03 Morini
- Benelli Naked 100
- Benelli Pepe 50 03 Minarelli
- Benelli Pepe 50 bis Bj.01
- Benelli Pepe 50 Morini Motor Bj.03-08
- Benelli Pepe 50 LX Minarelli Nachbau
- Benelli Pepe 100 LX Bj.01-02
- Benelli Velvet 125
- Benelli Velvet 125 AC
- Benelli Velvet 125 LC Bj.99-01
- Benelli Velvet 125 LC Touring
- Benelli Velvet 150 LC Bj.98-01
- Benelli Velvet 150 LC Touring Bj.02-03
- Benelli Velvet 250
- Benelli Velvet 250 Touring Bj.02-03
-
Benzhou Yiying
- Benzhou YY125T
- Benzhou YY125T-3B
- Benzhou YY125T-5C Bj.06
- Benzhou YY125T-7 Bj.08
- Benzhou YY125T-10
- Benzhou YY125T-10C Bj.08
- Benzhou YY125T-10G
- Benzhou YY125T-19 Retro Cruiser 125
- Benzhou YY125T-19A
- Benzhou YY125T-25
- Benzhou YY125T-25L
- Benzhou YY125T-26 Bj.08
- Benzhou YY125T-39
- Benzhou YY150T-7
- Benzhou YY150T-10D
- Benzhou YY150T-10E
- Benzhou YY150T-12 Bj.08
- Benzhou YY150T-B
- Benzhou YY250T
- Benzhou YY250T-3
- Benzhou YY250T-4
- Benzhou YY50QT City Star 50
- Benzhou YY50QT-14
- Benzhou YY50QT-26
- Benzhou YY50QT-2 Bj.06 50cc
- Benzhou YY50QT-3 Bj.08
- Benzhou YY50QT-4 Bj.08
- Benzhou YY50QT-5 Bj.04
- Benzhou YY50QT-6 Formula One 50
- Benzhou YY50QT-6A Formula 2000
- Benzhou YY50QT-6B B10 GT50 Bj.08
- Benzhou YY50QT-6C B11 Bj.06
- Benzhou YY50QT-6D B12
- Benzhou YY50QT-6E B13 F3000 Bj.08
- Benzhou YY50QT-6F B14 Bj.06
- Benzhou YY50QT-6H Bj.06
- Benzhou YY50QT-7 B15 Bj.08
- Benzhou YY50QT-7A B16 Firefox 50
- Benzhou YY50QT-8 Bj.08
- Benzhou YY50QT-10 Bj.08
- Benzhou YY50QT-10B Bj.06
- Benzhou YY50QT-10C
- Benzhou YY50QT-10L Bj.06
- Benzhou YY50QT-15 Retro Star 50
- Benzhou YY50QT-21 Retro Cruiser 50
- Benzhou YY50QT-21B
- Benzhou YY50QT-23 Bj.06
- Benzhou YY50QT-25
- Benzhou YY50QT-26 Bj.07
- Benzhou YY50QT-26A Apollo 50
- Benzhou YY50QT-27 Bj.09
- Benzhou YY50QT-27 F22 Bj.12
- Benzhou YY50QT-31 Bj.12
- Benzhou YY50QT-32 Bj.12
- Benzhou YY50QT-C Bj.06
- Benzhou YY50QT-D
- Benzhou YY50T-11
- Benzhou YY50T-C
-
Beta
- Beta Ark 50 AC
- Beta Ark 50 AC X-Type
- Beta Ark 50 LC
- Beta Ark 50 LC Limited Bj.06
- Beta Ark 50 LC RR Bj.06
- Beta Ark 50 LC X-Type
- Beta Ark 50 K
- Beta CH 502
- Beta Chrono 50
- Beta Chrono 502 Bj.94-99
- Beta EIKON 50
- Beta Eikon 125
- Beta Eikon 150
- Beta Quadra 50
- Beta Tempo 50
- Beta Tempo 50 13 Zoll
- Beta Tempo 50 16 Zoll Bj.96-01
- Buffalo
- Cagiva Motorroller
- CCF
-
CPI Motorroller
- CPI Aragon 50
- CPI Aragon 50 Club
- CPI Aragon 50 GP
- CPI Aragon 50 S-Line Bj.11
- CPI Aragon 125 GP Bj.07
- CPI Bingo Tennesse 50 Euro 1 10 mm KolbenBolzen bis Bj.02
- CPI Bravo 50
- CPI CRAB 50
- CPI CRAB 100
- CPI Formula R 50
- CPI FREAKY
- CPI GTR 50
- CPI GTR 50 Race
- CPI GTS 50
- CPI GTS 125
- CPI GTS 150
- CPI GTS 200
- CPI Hussar 50 Euro 2 12 mm KolbenBolzen
- CPI Hussar 50 Euro 1 10 mm KolbenBolzen bis Bj.02
- CPI Hussar 50 FL Euro 1 10 mm KolbenBolzen
- CPI Hussar 50 SL Euro 1 10 mm KolbenBolzen Bj.02
- CPI Oliver 50 City
- CPI Oliver 125
- CPI Oliver 125 City Bj.06-07
- CPI Popcorn 50 Euro 1 10 mm KolbenBolzen
- CPI Popcorn 50 Euro 2 12 mm KolbenBolzen
- CPI Popcorn 50 FL Euro 1 10 mm KolbenBolzen
- CPI Popcorn 50 SL Euro 1 10 mm KolbenBolzen bis Bj.02
- CPI Supersport 50
- CPI SX 50 Supercross AM6
- CPI Vabene 50
- CPI Vogue 50
- CPI Vogue 125
- CPI Vogue 150
- CYR
- Daco
-
Daelim Motorroller
- Daelim Besbi 125
- Daelim Cordi SE 50
- Daelim Delfino 50
- Daelim Delfino 100
- Daelim Delfino 125
- Daelim Delfino SH100
- Daelim E-Five 50
- Daelim Freewing 125 E2
- Daelim Freewing 125 FI E3
- Daelim History 125
- Daelim History SL 125
- Daelim Message 50
- Daelim Message 50 II Bj.02
- Daelim NS 125
- Daelim NS 125 DLX
- Daelim NS 125 Fellow
- Daelim NS 125 II
- Daelim NS 125 III
- Daelim Otello 125 ccm
- Daelim Otello 125 Bj.01
- Daelim Otello 125 DLX
- Daelim Otello 125 DLX Bj.02
- Daelim Otello 125 Eco
- Daelim Otello 125 Eco Euro II
- Daelim Otello 125 Fi
- Daelim Otello 125 f.i. ab Bj.07
- Daelim Otello 125 SE
- Daelim Otello 125 SE Bj.06
- Daelim S-Five 50
- Daelim S1 125
- Daelim S2 125
- Daelim S-2 125 Freewing
- Daelim S-2 250 SQ250
- Daelim S-3 F.i. 125
- Daelim S300
- Daelim S-Five 50 Euro 1 Bj.02
- Daelim S-Five 50 Euro 2
- Daelim S-Five 50 Euro 2 Bj.03
- Daelim S-Five 50 History
- Daelim SG 125 Bj.98-02
- Daelim SG 125 DLX Bj.03-04
- Daelim SG 125 Eco Bj.05
- Daelim SG 125FI Bj.07-12
- Daelim Tapo 50
- Daelim Tapo 50 II Bj.02
- Daelim U-3 458 Fl
- Daelim VC 125
- Daelim Vivo 50
- Daelim VL 125 Daystar E2-Bj.04
- Daelim VL 125 Daystar E3
- Daelim VS 125
- Daelim VS 125 EVOLUTION
- Daelim VT 125
- Daelim VT 125 Evolution
- Dazon
-
Derbi Motorroller
- Derbi Atlantis 50
- Derbi Atlantis 50 AC
- Derbi Atlantis 50 AC Bullet 45km/h Piaggio Motor
- Derbi Atlantis 50 AC City 45km/h Piaggio Motor
- Derbi Atlantis 50 AC Red Bullet 45km/h Piaggio Motor
- Derbi Atlantis 50 AC Two Chic 45km/h Piaggio Motor
- Derbi Atlantis 50 LC 50km/h Motor
- Derbi Atlantis 50 LC 45km/h Piaggio Motor
- Derbi Atlantis 50 LC Wave Motor
- Derbi Atlantis 100
- Derbi Aventura 50
- Derbi Boulevard 50
- Derbi Boulevard 125
- Derbi Boulevard 150
- Derbi Boulevard 250
- Derbi DFW 50
- Derbi Fenix 50
- Derbi Furax 50
- Derbi GP1 50
- Derbi GP1 50 AC
- Derbi GP1 50 LC 50cc
- Derbi GP1 50 LC Replica
- Derbi GP1 Open 50
- Derbi Hunter 50
- Derbi Manhattan 50
- Derbi MXR 50
- Derbi Paddock 50 AC
- Derbi Paddock 50 LC
- Derbi Predator 50
- Derbi Predator 50 AC Bj.99-02
- Derbi Predator 50 LC
- Derbi Senda 50
- Derbi Senda 50 R DRD Pro
- Derbi Senda 50 R DRD Racing
- Derbi Senda 50 R X-Race
- Derbi Senda 50 R X-treme
- Derbi Senda 50 SM DRD
- Derbi Senda 50 SM X-Race
- Derbi Senda 50 SM X-treme
- Derbi Vamos 50
- Derbi Vamos 50 FL
- Derbi Vamos 50 M 25 km/h Bj.93-97
- Derbi Vamos 50 R Sport R Bj.94-95
- Derbi Vamos 50 SE Bj.97-98
- Derbi Variant 50
- Derbi Variant Sport 50
- E-Ton Motorroller
- ECM Motorroller
- Endress
-
Eppella ECM Motorroller
- Eppella City 50 Bj.96
- Eppella Eppelino 50
- Eppella Eppella 125
- Eppella Extra 50 B
- Eppella Extra 50 Off Road 50 km/h
- Eppella Extra 50 S Bj.99-02
- Eppella Extra 50 Sport
- Eppella Extra 50 T
- Eppella Fire 50 50 km/h Bj.98
- Eppella Firejet 50 50 km/h Bj.00
- Eppella GMX 50
- Eppella Hussar 50
- Eppella Jet 50
- Eppella Klassik 50 Bj.04
- Eppella Kontra B 50
- Eppella Kontra S 50 50 km/h
- Eppella Kontra T 50
- Eppella Roller125 S
- Eppella Shopper 50 Bj.97-98
- Eppella Shopper 50 II Bj.99-00
- Eppella Shoppy 50 Bj.02-03
- Eppella Thunder Bike TB 50
-
Ering Motorroller
- Ering AT PT2 KAT 50
- Ering Big Panther 50
- Ering Big Panther 125
- Ering Cat 50
- Ering Cat 125
- Ering Delta Racer 50
- Ering Delta Racer 125
- Ering Dynamic 50
- Ering Dynamic 125
- Ering Hero 50
- Ering Hero 125
- Ering Jet 50
- Ering Rapido KAT 50
- Ering Red Wing 50 L84TCAP Bj.06
- Ering Red Wing 50 LX6TCAP Bj.06
- Ering Red Wing 125
- Ering Retro 50 Zweisitzer Bj.06-07
- Ering Rocky 50 Bj.05-08
- Ering Rocky 125
- Ering Shining 125
- Ering Silver Fox 50
- Ering Smart Rider 50 Bj.06-08
- Ering Smart Rider 125
- Ering Speedy 50 BT50QT-3N Bj.07-08
- Ering Speedy 50 BT50QT-9N Bj.06-07
- Ering Sprint 50 Bj.06-08
- Ering Tanco 50 Bj.07-08
- Ering Tanco 125 Bj.07-08
- Ering Thunder Bike 50
- Ering Thunder Bike 125 Bj.98-01
- Ering Warrior Rebel 50 Bj.06-08
- Ering Warrior 125 Bj.07-08
- Famila
- Fantic Motorroller
-
Flex Tech Motorroller
- Flex Tech Athena 125
- Flex Tech Dolphin 50
- Flex Tech Firenze 50
- Flex Tech Firenze 125
- Flex Tech Fun 50
- Flex Tech Fun 125
- Flex Tech Hurrican X1 JL50QT-4 Bj.07
- Flex Tech Hurrican X2 YY50QT-26 Bj.06
- Flex Tech Sprint 50 10 Zoll SK50QT-A
- Flex Tech Sprint 50 12 Zoll SK50QT-B
- Flex Tech Topdrive 50 YY50QT 14
- Flex Tech Topspeed 50 Bj.09
- Flex Tech Topspeed 125
- Flex Tech Venus 50
- Flex Tech Venus 50 II Bj.06
- Fly Scooters
- Garelli
-
Generic Motorroller
- Generic Cracker 50
- Generic Epico 50
- Generic Explorer Race GT 50
- Generic Ideo 50
- Generic Ideo 125
- Generic Onyx 50
- Generic Pandora 50
- Generic Race 125 Bj.12
- Generic Race GT 50
- Generic Roc 50
- Generic Sirion 50
- Generic Soho 125
- Generic Soho 150 Bj.08-10
- Generic Spin 50 Bj.11
- Generic Spin 50 GE Bj.06-08
- Generic Toxic 50 Sport
- Generic X0R 50 Competition
- Generic XOR 50
- Generic XOR 50 2 Bj.11
- Generic XOR 50 Stroke
- Generic XOR 50 Williams Bj.08
- Generic XOR 125
- Generic Zion 125
- Generic Zion 150 Bj.08
-
Giantco Motorroller
- Giantco Athena GW 125
- Giantco Bud 50
- Giantco Bud 50 10 Zoll
- Giantco Bud 50 12 Zoll
- Giantco Cyrus 50
- Giantco Dolphin 50 10 Zoll
- Giantco Dolphin 50 12 Zoll
- Giantco Falcon 125
- Giantco Falcon 150
- Giantco Fvision 125
- Giantco Fvision 150
- Giantco G-Buddy 50
- Giantco G-Buddy 50 10 Zoll
- Giantco G-Buddy 50 12 Zoll
- Giantco Lambros 50
- Giantco Royale 125
- Giantco Sprint 50
- Giantco Sprint 50 City
- Giantco Stealth Naked 50
- Giantco Venus
- Giantco Venus II 50
-
Gilera Motorroller
- Gilera Easy Moving 50 Bj.95
- Gilera GSA 50
- Gilera Ice 50
- Gilera Ice 50 ZAPC300
- Gilera Nexus 125
- Gilera Nexus 125 Einspritzmotor
- Gilera Nexus 250 SP
- Gilera Runner 50 DD
- Gilera Runner 50 DD ZAPC1400 Bj.01
- Gilera Runner 50 DT
- Gilera Runner 50 DT ZAPC1400 Bj.98
- Gilera Runner 50 RST SP LC
- Gilera Runner 50 SP
- Gilera Runner 50 SP Vergaser Bj.05
- Gilera Runner 50 SP Vergaser ZAPC36 Bj.01-04
- Gilera Runner 125
- Gilera Runner 125 FX
- Gilera Runner 125 FX DD Br. Heng Tong
- Gilera Runner 125 FX DD Bremse Grimeca
- Gilera Runner 125 FX DD SP Br. Grimeca
- Gilera Runner 125 FX DD SP Br. Heng Tong
- Gilera Runner 125 FX DT Bj.97-99
- Gilera Runner 125 FX DT LC ZAPM070
- Gilera Runner 125 FX SP DD LC ZAPM070
- Gilera Runner 125 ST Bj.08-13
- Gilera Runner 180 FXR DT LC ZAPM080 Bj.97-03
- Gilera Runner 200 VXR-ST
- Gilera Runner LC
- Gilera Runner FL LC
- Gilera Stalker 50 DD
- Gilera Stalker 50 DD ZAPC130 Bj.98
- Gilera Stalker 50 DT Bj.04
- Gilera Stalker 50 DT ZAPC130 Bj.98
- Gilera Stalker 50 DT Naked ZAPC40102
- Gilera Stalker 50 Naked Bj.08
- Gilera Storm 50
- Gilera Storm 50 TEC1
- Gorilla Motor Works
- Guangzhou
-
Hagebau
- Hagebau Athena 125 Bj.06
- Hagebau Bamboccioni 125 Bj.11
- Hagebau Cavallino 50
- Hagebau Cityliner FX 50
- Hagebau Cruiser 125 Bj.10
- Hagebau Dolphin 50
- Hagebau Flex Tech Fun 50 25 km h
- Hagebau Flex Tech Fun 50 45 km h
- Hagebau Flex Tech Fun 125 Bj.09
- Hagebau Flex Tech Topspeed 50 45km/h Bj.09
- Hagebau Flex Tech Topspeed125 Bj.09
- Hagebau Formula 2000 L84TCAPC
- Hagebau Formula 2000 LX6TCAPC
- Hagebau Manhattan 50 Bj.13
- Hagebau Otis 50
- Hagebau Palermo 50
- Hagebau Palermo 50 Bj.13
- Hagebau Retro Firenze 50
- Hagebau Retro Firenze 125 Bj.09
- Hagebau Retro Star 50 II
- Hagebau Retro Venus 50
- Hagebau Rex Monaco 50 Bj.11
- Hagebau Speedy 50 Bj.13
- Hagebau Sprint 50 10 Zoll Bj.06
- Hagebau Strada 50 Bj.11
- Hagebau Strada 125 Bj.11
- Hagebau Tempesto 50 Bj.11
- Hansen
-
Hercules Motorroller
- Hercules Air Tech 1 50 AC 2T Bj.06
- Hercules Gipsy 50 Bremse AJP 1 SB
- Hercules Gipsy 50 RS Bremse Brembo 1SB
- Hercules Gipsy 50 RS Bremse Heng Tong 1SB
- Hercules Limbo 50 L 1SB Bj.93-95
- Hercules Limbo 50 LMB Bj.93-99
- Hercules Noble 50 2T
- Hercules Samba Geo 50
- Hercules Silverfox 50 2T
- Hercules Splinter 50
- Hercules Panther 50 2T
- Herkules Motorroller
- HMZ
-
Hodi On Wheels
- Hodi On Wheels Baotian Carino 50
- Hodi On Wheels Baotian Classico 50
- Hodi On Wheels Baotian Eagle 50
- Hodi On Wheels Baotian Rocky 50
- Hodi On Wheels Baotian Speedy 50
- Hodi On Wheels Baotian Tiger 50
- Hodi On Wheels Carino 50
- Hodi On Wheels Eagle 50
- Hodi On Wheels Fosti Grande Retro 50 Bj.10
- Hodi On Wheels Lintex Estilo 50 Bj.10
- Hodi On Wheels Lintex Jet 50 Bj.10
- Hodi On Wheels Lintex Salsa 50 Bj.10
- Hodi On Wheels Speedy 50
- Hodi On Wheels Tiger 50
-
Honda Motorroller
- Honda Bali 50 SJ50 AF32
- Honda CH 125 Spacy
- Honda CH 250 A Elite
- Honda Chaly
- Honda CN 250 Helix Fusion Bj.86-92
- Honda Dio G. SP SR 94 AF18 AF27
- Honda Dio GP 50 Bj.90-97
- Honda Dio SR 50 Bj.90-93
- Honda Dio ZX 50 94 AF34 AF35
- Honda Dio ZX 50 95 AF28 0
- Honda Dio ZX 50 Bj.90-03
- Honda DX 50 Sky Bj.98
- Honda FES 125 Bj.03-08
- Honda FES 250 Foresight
- Honda Lead 50 NH50 MS AF01
- Honda NB 50 Melody Bj.82
- Honda ND 50 Melody Bj.82-84
- Honda NE 50 Vision Bj.85-88
- Honda NH 125 Lead
- Honda NH 50 Lead
- Honda NH 80 Lead
- Honda NPS 50 Zoomer
- Honda NSC 50 R
- Honda NSC Vision 50 14 Zoll Bj.11
- Honda NSC Vision 50 16 Zoll Bj.11
- Honda PK 50 Wallaroo Bj.90-97
- Honda PX 50
- Honda Ruckus 50 = Zoomer Bj.04
- Honda SA 50 Vision
- Honda SAJ Met-In 50 Vision Bj.88-94
- Honda SF 50
- Honda SFX 50
- Honda SFX 50 AF37
- Honda SGX 50 Sky Bj.97-00
- Honda SH 50 Bj.84,96
- Honda SH 50 AF40 Scoopy
- Honda SH 50 Fifty Bj.00
- Honda SH 50 Scoopy Bj.88-95
- Honda SH 100 Scoopy Bj.96-01
- Honda SH 125
- Honda SJ 50 Bali
- Honda SJ 100 Bali EX Bj.96-02
- Honda Sky SGX 50 AF43
- Honda SRX 50 Shadow Joker 2T
- Honda SRX 90 Shadow Joker Bj.98-02
- Honda ST 50 DaX
- Honda ST 50 J Dax Bj.88-89
- Honda ST 50 K Dax Bj.88-89
- Honda ST 70 Dax
- Honda ST 70 G2 Dax Bj.77-80
- Honda SXR 50
- Honda SXR 50 MM AF37
- Honda Vision 50
- Honda Vision 50 SA50 AF29 gerader Zylinderanschluss
- Honda Vision 50 SA50 AF29 schräger Zylinderanschluss
- Honda Wallaroo 50 PK50
- Honda X8R 50 S Bereifung Straße
- Honda X8R 50 S X SZX50 AF49
- Honda X8R 50 X Bereifung Off Road
- Honda ZB 50 Monkey
- HSC
- Huanan
- Huatian
- Husqvarna Motorroller
-
Hyosung Motorroller
- Hyosung Avanti 50
- Hyosung Cab 50
- Hyosung Cab 100
- Hyosung Exceed 125 US1 Bj.01
- Hyosung EZ 100 M
- Hyosung Gamma 50
- Hyosung Rush Cab 50
- Hyosung SB 50 Cab
- Hyosung SB 50 Gamma
- Hyosung SD 50 Avanti
- Hyosung Sense 50
- Hyosung SF 50
- Hyosung SF 50 B Racing
- Hyosung SF 50 R Rally
- Hyosung SF 50 Racing
- Hyosung SF 50 Rally
- Hyosung Super Cab 50 Bj.05-08
- Hyosung Tee up 50
- Hyosung Tee up 50 25 km/h Bj.13-15
- Hyundai
- IMG Inter Motors Germany
- Innocenti
-
Italjet Motorroller
- Italjet 50.it Bj.07
- Italjet Bazooka 50
- Italjet Dragster 50
- Italjet Dragster 50 Minarelli
- Italjet Dragster 125
- Italjet Dragster 180
- Italjet Dragster 250
- Italjet Formula 50 AC Morini Motor
- Italjet Formula 50 LC Minarelli Motor
- Italjet Formula 50 LC Morini Motor
- Italjet Formula 50 LC Race Morini Motor
- Italjet Formula 125
- Italjet Jackpot 50
- Italjet Jackpot 125
- Italjet Jet-Set 50
- Italjet Jet Set 50 Piaggio
- Italjet Jupiter 125
- Italjet Jupiter 250
- Italjet Millenium 100
- Italjet Millenium 125
- Italjet Millenium 150 Bj.01
- Italjet Pista 50
- Italjet Pista 2 50
- Italjet Scoop 50 Bj.93
- Italjet Scoop 125
- Italjet SX1 50
- Italjet Torpedo 125 Piaggio Leader Motor
- Italjet Torpedo 125 Piaggio Motor
- Italjet Torpedo 50 Piaggio Motor
- Italjet Torpedo 50 AC Morini Motor
- Italjet Velocifero 50 Serie 1 Bj.94-96
- Italjet Velocifero 50 Serie 2
- Italjet Velocifero 50 AC Morini Motor
- Italjet Velocifero 50 AC Morini Bj.97-99
- Italjet Yankee 50
- Itteco
- IVA
- Jack FoX
- Jiangmen
- Jiangsu
-
Jinan Qingqi Motorroller
- Jinan Qingqi Insignio 125 DD
- Jinan Qingqi Insignio 125 2.0
- Jinan Qingqi Koala 50
- Jinan Qingqi Leopard
- Jinan Qingqi Martinique 125 DD
- Jinan Qingqi QM50QT-2M
- Jinan Qingqi QM50QT-6
- Jinan Qingqi QM50QT-6A
- Jinan Qingqi QM50QT-6F
- Jinan Qingqi QM50QT-6S
- Jinan Qingqi QM50T-10A
- Jinan Qingqi QM50T-10E
- Jinan Qingqi QM50T-10V
- Jinan Qingqi QM125T-8G Leopard
- Jinan Qingqi QM125T-10AB
- Jinan Qingqi QM125T-10E Bj.04
- Jinan Qingqi QM125T-10H-D
- Jinan Qingqi QM125T-10HG Sum-up 125 Bj.04
- Jinan Qingqi QM125T-10R
- Jinan Qingqi QM125T-10V Bj.04
- Jinan Qingqi RS250
- Jinan Qingqi REX RS425
- Jinan Qingqi Rex RS450 QM50QT-6
- Jinan Qingqi REX RS600 QM50QT-2
- Jinan Qingqi RS700
- Jinan Qingqi REX RS700 QM50QT-10A
- Jinan Qingqi RS900
- Jinan Qingqi REX RS900 QM50T-10A(A)
- Jinan Qingqi RMC-F 125
- Jinan Qingqi RMC-G 50 Florett
- Jinan Qingqi RS125 QM125T-10H
- Jinan Qingqi RS125 Capriolo Street
- Jinan Qingqi SC125 QM125T-10A(A)
- Jinan Qingqi Speedy 50
- Jinan Qingqi Speedy 125 QM125T-10A
- Jinan Qingqi STREET 125 DD
- Jinan Qingqi Super Moto 125 DISC
- Jinan Qingqi V-Clic 50
- Jinan Qingqi Peugeot
- Jincheng Motorroller
-
Jinlun
- Jinlun Fighter 50 JL50QT 5
- Jinlun JL50QT 4
- Jinlun JL50QT-4 Bj.06
- Jinlun JL50QT-5
- Jinlun JL50QT-5B
- Jinlun JL50QT-5C
- Jinlun JL50QT-6
- Jinlun JL50QT-7
- Jinlun JL50QT-8
- Jinlun JL125T-4
- Jinlun JL125T-5
- Jinlun JL125T-5B
- Jinlun JL125T-6 Bj.08
- Jinlun JL125T-7 Bj.08
- Jinlun JL125T-8 Bj.08
- Jinlun JL125T-9
- Jinlun JL125T-10
- Jinlun JL125T-12
- Jinlun JL125T-13
- Jinlun JL125T-17
- Jinlun JL125T-18
- Jinlun JL125T-C
- Jinlun Starquad 50 JL50QT-5C Bj.06-11
- Jmstar
-
Jonway Motorroller
- Jonway 139QMB
- Jonway 150T-28
- Jonway 152QMI
- Jonway 1E40QMB
- Jonway Adventure 50 Bj.10
- Jonway Adventure 125
- Jonway Agility 50 Bj.10
- Jonway Air Force One 50
- Jonway Air Force One 125
- Jonway Beta 50
- Jonway Boston 8 Mofaroller
- Jonway Delta 150
- Jonway Drive 50
- Jonway Drive Sport 50
- Jonway Elninjo 50
- Jonway Epsilon 150 Bj.09
- Jonway Epsilon 150 YY150T 12 Zoll
- Jonway Florett 2.0 50 City
- Jonway Florett 2.1 RS 50
- Jonway Florett 50 City
- Jonway Florett 50 RMC-G
- Jonway Florett 50 RS DD
- Jonway Flory Classic 50
- Jonway Force DS 125
- Jonway Force SG 50 Bj.10
- Jonway Galactica
- Jonway Galactica 2.0 50 DD
- Jonway Galactica 2.0 RC 50
- Jonway Grizzly 125
- Jonway Imola 50 Race/Urban
- Jonway Imola 125 Race/Urban
- Jonway Insignio 250 DD
- Jonway Jigger 50
- Jonway Jigger 50 City
- Jonway Lambda YY50QT-21 50
- Jonway Milano 50
- Jonway Milano 125
- Jonway REX Monaco 50 Race/Urban
- Jonway Monaco 125 Race Urban
- Jonway Monza 50 Race Urban
- Jonway Raptor 50
- Jonway RMC-E Hicker
- Jonway RMC-E 125 Hiker
- Jonway RMC-E 125 Hiker DD
- Jonway RMC-E Hiker 50 DD SPORT
- Jonway RMC-E Hiker 125 DD SPORT
- Jonway RMC-G 50
- Jonway RMC-G 125 Florett
- Jonway RMC-H 50 Galactica DD
- Jonway RMC-H Galactica 125 DD
- Jonway RS400
- Jonway Rex RS460
- Jonway Rex RS500
- Jonway RS750
- Jonway RS1000
- Jonway RS1100
- Jonway RS Classic
- Jonway Rex RS Classic
- Jonway RT 50
- Jonway RT 125
- Jonway Stratos Chicago
- Jonway Stratos Montana
- Jonway Torino 125
- Jonway Unser Norden Mofaroller
- Jonway Unser Norden Mokickroller
- Jonway Vabene 50
- Jonway Viper BY 50 Bj.10
- Jonway Viper 125
- Jonway YY50QT-6
- Jonway YY150T 2 150
- Jonway YY150T-2 Bj.09-14
- Junak
- K-Zwo
- Karcher
-
Keeway Motorroller
- Keeway Agora 50
- Keeway Arn 50
- Keeway Arn 125
- Keeway Easy 50
- Keeway F-Act 50 Bj.08
- Keeway F-Act 50 City 45 km/h
- Keeway F-Act 50 City 25 km/h Mofaroller
- Keeway F-Act 50 Evo
- Keeway F-Act 50 Naked 45 km/h
- Keeway F-Act 50 Naked 25 km/h Bj.10
- Keeway F-Act 50 NKD Naked
- Keeway F-Act 50 Racing
- Keeway F-Act 50 Racing SP 2009
- Keeway F-Act 125
- Keeway Flash 50
- Keeway Focus 50 45 km/h
- Keeway Focus 50 25 km/h Bj.06
- Keeway Focus 50 45 km/h Variante B Bj.04
- Keeway Focus 125
- Keeway Focus 150
- Keeway Goccia 50
- Keeway Hacker 50
- Keeway Hacker 125
- Keeway Hurricane 50
- Keeway Matrix 50 45 km/h
- Keeway Matrix 50 2008 V1. V2
- Keeway Matrix 50 25 km/h Bj.06-09
- Keeway Matrix 50 SP
- Keeway Matrix 50 SP 2009 V4
- Keeway Matrix 50 V4
- Keeway Matrix 125
- Keeway Matrix 150
- Keeway Outlook 125
- Keeway Outlook 125 AC
- Keeway Pixel 50 Bj.09
- Keeway QJ FACT 50 FOCUS
- Keeway QJ Hurricane Easy 50
- Keeway QJ RY8 50
- Keeway RKV 125
- Keeway RY6 50 45 km/h Bj.08
- Keeway RY6 50 25 km/h Bj.10
- Keeway RY8 50 Bj.08
- Keeway RY8 50 25 km/h Bj.06-08
- Keeway RY8 50 45 km/h Bj.06-08
- Keeway RY8 50 EVO
- Keeway RY8 50 Racing
- Keeway RY8 50 SP
- Keeway RY8 50 SP Racing
- Keeway Swan 50
- Keeway Venus 50
- Keeway ZAHARA 125
- Kinroad
-
Kreidler Motorroller
- Kreidler AC 50-B
- Kreidler AC 50-D
- Kreidler AC 50-E
- Kreidler Florett 50 50 km/h Roller
- Kreidler Florett 50 City
- Kreidler Florett 50 City 45 km/h Roller
- Kreidler Florett 50 RC 45 km/h Roller
- Kreidler Florett 50 RMC-G
- Kreidler Florett 50 RS DD
- Kreidler Florett 50 RS 2.0
- Kreidler Florett 50 RS 2.0 45km/h Roller
- Kreidler Florett 50 RS 2.1
- Kreidler Florett 50 XL 25 km/h Bj.03-04
- Kreidler Florett 50 XL 45 km/h Roller
- Kreidler Florett 50 XL 50 km/h Roller
- Kreidler Florett 50 XL Race 45km/h Roller
- Kreidler Florett 50 XL Race 50km/h Roller
- Kreidler Florett RMC-E 50
- Kreidler Florett RMC 50F
- Kreidler Florett RS 50 DD
- Kreidler Flory 50 25 km/h Bj.03-04
- Kreidler Flory 50 45 km/h Roller
- Kreidler Flory 50 50 km/h Roller
- Kreidler Flory 50 Classic Roller
- Kreidler Flory 50 Classic WK1CA
- Kreidler Flory 50 Speed 45 km/h Roller
- Kreidler Flory RC50 C-D
- Kreidler Galactica 125
- Kreidler Galactica 2.0 50 DD
- Kreidler Galactica 2.0 RC 50
- Kreidler Galactica 2.0 RS 50 DD
- Kreidler Galactica 3.0 LC 50 DD
- Kreidler Galactica 3.0 RS
- Kreidler Galactica 50
- Kreidler Galactica 50 DD
- Kreidler Hiker 125
- Kreidler Hiker 125 DD
- Kreidler Hiker 2.0 125 DD
- Kreidler Hiker 2.0 50 DD
- Kreidler Hiker 50
- Kreidler Hiker 50 DD
- Kreidler Hiker 50 DD Sport
- Kreidler Insignio 125 2.0
- Kreidler Insignio 125 DD
- Kreidler Insignio 250 DD Bj.09-12
- Kreidler Isignio 125
- Kreidler Isignio 250
- Kreidler Jigger 50
- Kreidler Jigger 50 City
- Kreidler LML Star 4 200 Automatik Bj.13-15
- Kreidler LML Star 4 200 Schaltung Bj.11
- Kreidler LML Star 4 125 Automatik
- Kreidler LML Star Deluxe 125
- Kreidler Martinique 125 DD
- Kreidler RC 50 B Flory 45 km/h Roller
- Kreidler RC 50 C 25 km/h Bj.04-05
- Kreidler RC 50 C Flory
- Kreidler RMC-G 50
- Kreidler RMC-D 125 Florett Roller
- Kreidler RMC-E 50
- Kreidler RMC-F 125 Florett Roller
- Kreidler RMC-B 50 25 km/h Bj.03-06
- Kreidler RMC-B 50 45 km/h Bj.04-06
- Kreidler RMC-C 50 Florett Roller
- Kreidler RMC-E 125
- Kreidler RMC-E 125 EL Ninjo
- Kreidler Florett 125 RMC-E Sport
- Kreidler RMC-E 125 Hiker
- Kreidler RMC-E 125 Hiker DD 4T Bj.10
- Kreidler RMC-E 50 EL Ninjo Bj.08
- Kreidler RMC-E 50 Florett 25 km/h Bj.05
- Kreidler RMC-E 50 Florett 45 km/h Roller
- Kreidler RMC-E 50 Florett Roller Bj.06
- Kreidler RMC-E 50 Hiker
- Kreidler RMC-E Hiker 50 DD SPORT Bj.08
- Kreidler RMC-E 50 Sport Bj.03
- Kreidler RMC-E EL 125 Ninjo
- Kreidler RMC-E Hiker 125
- Kreidler RMC-E Hiker 125 DD SPORT
- Kreidler RMC-E Hiker 50 DD
- Kreidler RMC-G 125 Sport
- Kreidler RMC-G 125 Venturi
- Kreidler RMC-G 50 Florett Bj.08
- Kreidler RMC-G Venturi
- Kreidler RMC-H 125 Galactica 4T Bj.10
- Kreidler RMC-H 125 Galactica DD
- Kreidler RMC-H 50 Galactica 2.0 DD 50 City
- Kreidler RMC-H 50 Galactica 2.0 RC 50
- Kreidler RMC-H 50 Galactica 2.0 RS 50 DD
- Kreidler RMC-H 50 Galactica DD
- Kreidler RMC-H Galactica 125
- Kreidler RMC-H Galactica 125 DD
- Kreidler RMC-H Galactica 50
- Kreidler STAR Deluxe 4S 125
- Kreidler STAR Deluxe 4S 200
- Kreidler STREET 125 DD
- Kreidler Vabene 50
- Kreidler MONACO 50 Race / Urban
- Kreidler MONZA 50 Race / Urban (Fin: WS1 od. L8Y)
- Kreidler RS 500
- Kreidler Drive 50 Bj.09-12
- Kreidler REX Monaco 125 Race/Urban
- Kreidler MONACO 125
- Kreidler INSIGNIO 250 DD
- Kreidler Florett 2.0 50 City
- Kreidler Florett RMC-G 125
- Kreidler Florett 2.0 50
- Kreidler Insignio 2.0 250 DD
- Kreidler Flory 125
- Kreidler Florett RMC 125
- KSR Moto
- KTM Motorroller
-
Kymco Motorroller
- Kymco Agility 50 16+
- Kymco Agility 50 KG10SA
- Kymco Agility 50 R10 Basic KD10SH
- Kymco Agility 50 R10 Bj.10
- Kymco Agility 50 R12
- Kymco Agility 50 R12 Carry KG10DA
- Kymco Agility 50 R12 MMC KG10C
- Kymco Agility 50 R12 One KG10SD
- Kymco Agility 50 R16 City KL10BA
- Kymco Agility 50 RS Bj.11
- Kymco Agility 50 RS KE10BA
- Kymco Agility 50 RS KG10S
- Kymco Agility 50 RS Naked KE10BB
- Kymco Agility 125
- Kymco Agility 125 City
- Kymco Agility 125 City 4T Bj.14-15
- Kymco Agility 125 R12
- Kymco Agility 125 R16
- Kymco Agility City + 50 Bj.14-15
- Kymco Bet + Win 50 LC
- Kymco Bet + Win 125 LC Dink 125
- Kymco Bet + Win 150 Dink 150 Bj.00
- Kymco Bet + Win 250 Dink 250
- Kymco Calypso 50
- Kymco Calypso 125
- Kymco CK 125
- Kymco Cobra 50 Cross
- Kymco Cobra 50 Racer
- Kymco Cobra 50 Racer 50cc
- Kymco Cobra Racer 100
- Kymco Curio 50 CX50 KCP SA10AJ
- Kymco CX 50 Curio Bj.94-95
- Kymco CX 50 Normal Bj.94
- Kymco CX 50 Super Bj.94
- Kymco Dink 50 AC
- Kymco Dink 50 LC
- Kymco Dink 50 SH10C
- Kymco Dink 125
- Kymco Dink 125 Classic
- Kymco Dink 125 i
- Kymco Dink 150 Bj.97-98
- Kymco Dink 150 Classic Bj.02
- Kymco Dink 200
- Kymco Dink 200 Einspritzmotor Bj.06
- Kymco Dink 250 19.6PS
- Kymco Dink 250 20.4PS
- Kymco DJ 50 Refined SA10ED
- Kymco DJ 50 S
- Kymco DJ 50 SA 10AA
- Kymco DJ 50 Y
- Kymco DJ 50X
- Kymco DJ 125 S
- Kymco DJ Refined AC Bj.04-06
- Kymco DJ World AC Bj.94
- Kymco Downtown 125 ABS
- Kymco Downtown 125 i ABS
- Kymco Downtown 125 ohne ABS
- Kymco Downtown 200
- Kymco Downtown 250
- Kymco Downtown 300 ABS
- Kymco Downtown 300 ohne ABS Bj.09-12
- Kymco Easy 50
- Kymco Fever 1 50 ZX50 KCA SA10AL
- Kymco Fever 2 50 ZXII Super Fever SC10AS
- Kymco Filly 50
- Kymco Filly 50 LX Bj.02
- Kymco Grand Dink 50
- Kymco Grand Dink 50 S
- Kymco Grand Dink 50 SF10JA
- Kymco Grand Dink 50S SF10JB
- Kymco Grand Dink 125
- Kymco Grand Dink 125 S
- Kymco Grand Dink 125i
- Kymco Grand Dink 150 Bj.01
- Kymco Grand Dink 250
- Kymco Heroism 50
- Kymco Heroism 125
- Kymco Heroism 150
- Kymco Jockey 125
- Kymco K12 50 Bj.95-98
- Kymco KB 50 Edition Bj.98-05
- Kymco KB 50 Meteorit Scout 50
- Kymco KB-E 150
- Kymco K-XCT 125 i Bj.14-15
- Kymco Like 50
- Kymco Like 50 KE10AA
- Kymco Like 50 KG10AA
- Kymco Like 50 LX Bj.09
- Kymco Like 125
- Kymco Like 125 KN25AA
- Kymco Like 125 LX Bj.14-15
- Kymco Like 200
- Kymco Many 50
- Kymco Movie 125 XL
- Kymco Movie 125 XL 125cc
- Kymco Movie 125i S
- Kymco Movie 150 XL
- Kymco New Sento 50 i 4T
- Kymco NEWSento 50i SE10BC
- Kymco Nexxon 50
- Kymco People 50
- Kymco People 50 S Bj.04-08
- Kymco People S 50
- Kymco People 125
- Kymco People 125 GTi
- Kymco People GT 125 i Bj.14-15
- Kymco People 125 i One Bj.15
- Kymco People 125 S 1 SB Bj.05-07
- Kymco People 125 S DD 2 SB
- Kymco People S 125 BA25BA
- Kymco People 125i One
- Kymco People 150 S
- Kymco People 200 GTi Bj.10
- Kymco People 200 S
- Kymco People 250
- Kymco People 250 S
- Kymco People 300 S
- Kymco Scout 50
- Kymco Sento 50
- Kymco Sniper 50 Bj.94
- Kymco Sniper 50 DD Bj.94-96
- Kymco Spacer 50 Yager 50 Bj.98-02
- Kymco Spacer 125
- Kymco Super 8 50
- Kymco Super 8 125 4T
- Kymco Super 9 50 AC
- Kymco Super 9 50 LC
- Kymco Super 9 125 Bj.99
- Kymco Super 9 250
- Kymco Top Boy 50 Bj.00-04
- Kymco Top Boy 50 COBRA
- Kymco Top Boy100 Bj.97-00
- Kymco Top Boy100 On Off Road Bj.99-00
- Kymco Vitality 50
- Kymco Vivio 125 Bj.99
- Kymco Vivio 150 Bj.99
- Kymco xCiting 250i
- Kymco xCiting 300i R
- Kymco Xciting 500
- Kymco xCiting 500i AFI
- Kymco xCiting 500i R
- Kymco xCiting 500i R EVO ABS
- Kymco Yager 50 GT
- Kymco Yager 50 Spacer 50
- Kymco Yager 50 Spacer
- Kymco Yager 125
- Kymco Yager 125 GT
- Kymco Yager Spacer 125 10 Zoll SH25AA
- Kymco Yager Spacer 125 12 Zoll SH25BB
- Kymco YUP 50
- Kymco Yup 50 45 km/h Bj.01-03
- Kymco Yup 250 Classic
- Kymco ZX 50 Fever
- Kymco ZX 50 Fever 2
- Kymco ZX 50 Super Fever
- Lambretta
- Lance
- Laverda
- Lecson
- Lifan
- Linhai
- LinteX
-
LML
- LML Star Deluxe 125
- LML Star Deluxe 125 4T Automatik
- LML STAR Deluxe 4S 125
- LML Star Deluxe 150
- LML STAR Deluxe 4S 200
- LML Speedy 125
- LML Star Light 50
- LML Stella 125
- LML Vespa NV 125
- LML Vespa NV-150
- LML Vespa NV-200
- LML Vespa Star 125 Automatik
- LML Vespa Star 2 125
- LML Vespa Star 2 150
- LML Vespa Star 4 125
- LML Vespa Star 4 150
- LML Vespa T5 200
- LML Vespa T5-150
- LML Vespa Star 200 4T
- Longbo
-
Longjia
- Longjia Digita 50
- Longjia Estate 50
- Longjia Exactly 50
- Longjia Exactly 50 TA Bj.06
- Longjia Exactly 125
- Longjia F1 50
- Longjia F1 150
- Longjia LJ50QT-2L
- Longjia LJ50QT-2M
- Longjia LJ50QT-4
- Longjia LJ50QT-E
- Longjia LJ50QT-F Alien 50
- Longjia LJ50QT-F-01
- Longjia LJ50QT-F-01 Bj.06
- Longjia LJ50QT-H
- Longjia LJ50QT-H Grido 50 Bj.10
- Longjia LJ50QT-K Exactly 50
- Longjia LJ50QT-K Plus Bj.10
- Longjia LJ50QT-L Bj.10
- Longjia LJ125T-A
- Longjia LJ150T-A
- Longjia Maxx 125
- Longjia Raptur 50
- Longjia Speedjet 50 Evo Bj.12
- Longjia Trevis 50 Bj.12
- Longjia Versus 50
- Luxxon
- Macal
-
Malaguti
- Malaguti Blog 125
- Malaguti CapiRex 50
- Malaguti Centro 50 Bj.90-94
- Malaguti Centro 50 SL 45 km/h
- Malaguti Centro 50 SL 50 km/h Bj.93-01
- Malaguti Centro 50 SL 45 km h
- Malaguti Centro 125
- Malaguti Centro 125 SL
- Malaguti Centro 160 i.e Bj.07-11
- Malaguti Ciak 50
- Malaguti Ciak 50 DD Twin Disks 2 SB
- Malaguti Ciak 50 DT 1 SB Bj.98
- Malaguti Ciak 50 Master
- Malaguti Ciak 125
- Malaguti Ciak 125 Master
- Malaguti Ciak 150
- Malaguti Ciak 150 Master Bj.06-07
- Malaguti Ciak 200 Master Bj.06-11
- Malaguti Crosser 50 CR1
- Malaguti Crosser 50 AC Morini
- Malaguti DVD-Malboline 50 Bj.10-11
- Malaguti F10
- Malaguti F10 Jet Line 50 Bj.99
- Malaguti F10 50 Jet Line 50 km/h
- Malaguti F10 50 Jet Line WAP
- Malaguti F10 50 Jet Line WAP Euro 2
- Malaguti F10 50 Jet Line WAP Fast Time 45km/h
- Malaguti F10 Cat. 50 Bj.99
- Malaguti F10 Wap 50 Bj.04
- Malaguti F12 50 Phantom AC DD Racing Life Euro2
- Malaguti F12 50 Phantom AC DT 45km/h Euro2
- Malaguti F12 50 Phantom AC DT
- Malaguti F12 50 Phantom AC DT 50km/h Euro1
- Malaguti F12 50 Phantom AC DT 50km/h Euro2
- Malaguti F12 50 Phantom AC DT R 45 km/h
- Malaguti F12 50 Phantom AC Racing 25km/h
- Malaguti F12 50 Phantom AC TB R 45 km/h
- Malaguti F12 50 Phantom LC DD 50 km/h
- Malaguti F12 50 Phantom LC DD Digit Euro2-2.3
- Malaguti F12 50 Phantom LC DD Digit Racing Life Euro2
- Malaguti F12 50 Phantom LC DT 50 km/h
- Malaguti F12 50 Phantom LC DT Spectrum
- Malaguti F12 50 Phantom LC R 45 km/h
- Malaguti F12 Phantom
- Malaguti F12 Phantom 50 AC Bj.03
- Malaguti F12 Phantom 50 AC 07 CPI Motor
- Malaguti F12 Phantom 50 LC
- Malaguti F12 Phantom 50 R
- Malaguti F12 Phantom R 50
- Malaguti F12 Phantom LC
- Malaguti F12 100 Phantom MaX
- Malaguti F12 100 Phantom Max 100cc
- Malaguti F12 Phantom Max 125
- Malaguti F12 Phantom Max 250
- Malaguti F15 50 Firefox AC DD Euro 1
- Malaguti F15 50 Firefox AC DD Euro 2
- Malaguti F15 50 Firefox LC DD Bj.00-03
- Malaguti F15 50 Firefox LC DD Digit 25km/h
- Malaguti F15 50 Firefox LC DD Digit 45km/h
- Malaguti F15 50 Firefox LC DD Digit 50km/h
- Malaguti F15 50 Firefox LC DD Euro 1
- Malaguti F15 50 Firefox LC DT Bj.96-97
- Malaguti F15 FirefoX
- Malaguti F15 Firefox 50 AC Bj.04
- Malaguti F15 Firefox 50 LC Bj.03
- Malaguti F18 Warrior 125
- Malaguti F18 Warrior 150
- Malaguti Madison 125
- Malaguti Madison 125 1999-2003
- Malaguti Madison 125 Minarelli Motor
- Malaguti Madison 125 R Minarelli Motor
- Malaguti Madison 125 RST Minarelli Motor
- Malaguti Madison 150
- Malaguti Madison 180
- Malaguti Madison 200
- Malaguti Madison 250 Minarelli Motor
- Malaguti Password 250 Euro2
- Malaguti Password 250 Euro3
- Malaguti Yesterday 50
- Massimo
- Mawi
-
MBK
- MBK Active 50
- MBK Booster 50
- MBK Booster 50 12 Zoll
- MBK Booster 50 Naked Bj.04-06
- MBK Booster 50 NG Next Generation
- MBK Booster 50 R Road
- MBK Booster 50 Rocket
- MBK Booster 50 Spirit Bj.95-06
- MBK Booster 50 Track
- MBK Booster NG 50 Bj.98
- MBK Booster Rocket 50
- MBK Booster Spirit 50
- MBK Booster Track 50
- MBK Booster 100
- MBK Cityliner 250 Bj.07-09
- MBK Doodo 125 Bj.99-05
- MBK Doodo 150 Bj.01-04
- MBK Evolis 50
- MBK Evolis 80 Bj.93-99
- MBK Fizz 50
- MBK Flame 125
- MBK Flipper 50
- MBK Forte 50 50 km/h
- MBK Forte 50 25 km/h Bj.97-98
- MBK Mach G 50 AC
- MBK Mach G 50 AC Bj.02-06
- MBK Mach G 50 LC
- MBK Mach R RR
- MBK New Flame 125 F
- MBK Nitro 50
- MBK Nitro 50 Assistance Bj.00-01
- MBK Nitro 50 Assistance 50 km/h
- MBK Nitro 50 Cat. Bj.03
- MBK Nitro 50 Jaguar 45 km/h Bj.01-02
- MBK Nitro 50 Jaguar 50 km/h Bj.01
- MBK Nitro 50 KAT
- MBK Nitro 50 KAT 45 km/h Bj.04
- MBK Nitro 50 KAT Stage 2 Bj.99-06
- MBK Nitro 50 Naked
- MBK Nitro 50 Power up Bj.06
- MBK Nitro LC 50
- MBK Nitro 100 1 SB
- MBK Nitro 100 2 SB 2T Bj.99-03
- MBK Ovetto 50
- MBK Ovetto 50 45 km/h Bj.02-06
- MBK Ovetto 50 50 km/h Bj.96-01
- MBK Ovetto 50 KAT Bj.04-07
- MBK Ovetto 100
- MBK Skycruiser 125 Bj.06-09
- MBK Skycruiser 250 Bj.05-07
- MBK Skyliner 125
- MBK Skyliner 250
- MBK Sorriso 50
- MBK Spirit 50
- MBK Stunt 50 AC
- MBK Stunt Naked 50
- MBK Target 50 Bj.91-94
- MBK Thunder 125
- MBK Thunder 150
- MBK Vertex 150 Bj.97
- MBK XC Flame 125 F Bj.00-03
- MBK XC Flame 125 R
- MBK XC Flame 125 T 2 Bj.95-00
- MBK XC Flame 125 X Bj.04-06
- MBK XC New Flame 125 TR 1 SB Bj.96
- Meteorit
- Minimoto
- MKS
-
Moto-B Motobi
- Moto-B Motobi BS One 50
- Moto-B Motobi Modena 50
- Moto-B Motobi Pesaro 50
- Moto-B Motobi Rimini 50
- Moto-B Motobi Siena 50
- Motobi BC1 50
- Motobi BS1 50
- Motobi BS1 50 Eco
- Motobi Imola 50 Bj. 10
- Motobi Imola 50 SE
- Motobi Imola 50 SE Bj. 11
- Motobi Imola CYR 50
- Motobi Pesaro 50
- Motobi Pesaro 50 Bj. 10-11
- Motobi Ravenna 50
- Motobi Rimini 50 Bj. 10-11
- Motobi Rimini 50 BJ. 12-13
- Motobi Rimini 125 Bj. 11
- Moto Zeta
- Motofino
- Motomojo
- Universal
- Motorro
-
Motowell
- Motowell Crogen 50
- Motowell Crogen 50 City
- Motowell Crogen 50 City 50cc
- Motowell Crogen 50 RS Bj.10
- Motowell Crogen Sport
- Motowell Elenor 50
- Motowell Magnet 50
- Motowell Magnet 50 City Bj.10
- Motowell Magnet RS 50 Bj.10
- Motowell Magnet Sport 50 Bj.10
- Motowell Retrosa 50
- Motowell Retrosa 125
- Motowell Yoyo 50 ccm
- Motowell Yoyo 50
- Motron
- MZ MuZ
- Neco
- Nipponia
- Nova Motorroller
- NSU
- OBI
-
Otto Versand
- Otto Versand 49er
- Otto Versand Athena 125 Bj.06
- Otto Versand Dolce 50
- Otto Versand Dolphin 50
- Otto Versand Eco Fox 50
- Otto Versand Eco Fox 50 25 km h
- Otto Versand Ering Delta Racer 50
- Otto Versand Ering Delta Racer 125 Bj.06
- Otto Versand Ering Dynamic 50
- Otto Versand Ering Dynamic 50 25 km h
- Otto Versand Ering Dynamic 125 Bj.06
- Otto Versand Ering Red Wing 50
- Otto Versand Ering Red Wing 125 Bj.06
- Otto Versand Fashion 50 Bj.04
- Otto Versand Firebird 50 Milano Bj.08
- Otto Versand Firebird 50 Minarelli Motor
- Otto Versand Flex Tech Fun 50
- Otto Versand Flex Tech Topspeed 50
- Otto Versand Flex Tech Topspeed 50 Mofaroller
- Otto Versand Formula 2000 L84TCAPC
- Otto Versand Formula 2000 LX6TCAPC
- Otto Versand GT 5.2 25 km/h Bj.09
- Otto Versand GT 5.2 Bj.09
- Otto Versand GTX 50 25 km/h Bj.94
- Otto Versand GTX 50 Bj.94
- Otto Versand Panther 50
- Otto Versand Retro Firenze 50
- Otto Versand Retro Firenze 50 Mofaroller
- Otto Versand Retro Star 50
- Otto Versand Retro Venus 50
- Otto Versand Revonec GTX 50 Bj.12
- Otto Versand Rex 50 Bj.05
- Otto Versand Rex Monza 50
- Otto Versand Rex RS400
- Otto Versand Rex RS750 Bj.08
- Otto Versand Rex SC125 Bj.08
- Otto Versand Siena 50
- Otto Versand Speed Fox 50
- Otto Versand Speed Fox 50 25 km h
- Otto Versand Sprint 50
- Otto Versand Strada 50
- Otto Versand Tempesto 50 Bj.11
- Otto Versand Titano 50
- Otto Versand Venezia 50
- Otto Versand Venus 50
- Otto Versand Wild Eagle 50
-
Pegasus ZEG
- Pegasus ZEG Corona 50
- Pegasus ZEG Corona 50 Comfort 25 km/h
- Pegasus ZEG Corona 50 Comfort Bj.03-05
- Pegasus ZEG Corona 50 Edition Bj.02
- Pegasus ZEG Corona 50 Sport 25 km/h
- Pegasus ZEG Pegasus_(ZEG) Corona 50 Sport 2T
- Pegasus ZEG Corona 50 Sport Bj.02-05
- Pegasus ZEG Corona 50 Sport Edition
- Pegasus ZEG P 50 Classic Bj.09
- Pegasus ZEG R 50 X 50 Bj.05-10
- Pegasus ZEG R 50 X
- Pegasus ZEG S 50 GP Bj.09
- Pegasus ZEG S 50 LX
- Pegasus ZEG Skiper 50
- Pegasus ZEG Skiper 125
- Pegasus ZEG Sky 50 Bj.97-03
- Pegasus ZEG Sky 50 Express
- Pegasus ZEG Sky 50 High Wheels 25 km/h
- Pegasus ZEG Sky 50 High Wheels Bj.00-03
- Pegasus ZEG Sky I
- Pegasus ZEG Sky II
- Pegasus ZEG Solero 50 Bj.00-01
-
Peugeot
- Peugeot 103 SP Mofa Bj.93-95
- Peugeot Buxy 50
- Peugeot Buxy 50 RS
- Peugeot Buxy M Bj.94-97
- Peugeot Citystar 50
- Peugeot Citystar 50 RS
- Peugeot Citystar 125
- Peugeot Citystar RS 125
- Peugeot Citystar 151 AC
- Peugeot Citystar 200
- Peugeot Citystar RS 200
- Peugeot Django 50
- Peugeot Elyseo 50
- Peugeot Elyseo 100
- Peugeot Elyseo 125
- Peugeot Elyseo 150
- Peugeot Elyseo De Luxe
- Peugeot Elystar 50
- Peugeot Elystar 50 Advantage
- Peugeot Elystar 50 TSDI
- Peugeot Elystar TSDI
- Peugeot Elystar 125 Advantage
- Peugeot Fox 50
- Peugeot Jet Force 50
- Peugeot Jet Force 50 C-Tech
- Peugeot Jet Force 50 H2 i
- Peugeot Jet Force 50 TSDI
- Peugeot Jet Force 125
- Peugeot Jet Force 125 ABS
- Peugeot Jet Force 125 Compressor
- Peugeot Kisbee 50 Bj.13-15
- Peugeot Kisbee 50 RS 50cc
- Peugeot Kisbee 50 RS
- Peugeot Kisbee 50 4T Sportline
- Peugeot Kisbee 50 2T Streetzone
- Peugeot Looxor 50
- Peugeot Looxor 50 TSDI
- Peugeot Looxor 100 2 SB Bj.01
- Peugeot Ludix 50 AC
- Peugeot Ludix 50 LC
- Peugeot Ludix 50 1 AC
- Peugeot Ludix 50 One AC
- Peugeot Ludix 50 1 AC Trend. 10Zoll 2 SB
- Peugeot Ludix 50 1 AC Urban Track. 10Zoll
- Peugeot Ludix 50 1 LC Blaster 10Zoll Radical
- Peugeot Ludix 50 1 LC Blaster
- Peugeot Ludix 50 1 LC Blaster 12Zoll Rcup
- Peugeot Ludix 50 2 AC 14Zoll Bj.07
- Peugeot Ludix 50 2 AC 14Zoll EP Bj.08
- Peugeot Ludix 50 2 AC Elegance 14Zoll 1 SB
- Peugeot Ludix 50 2 AC One. 10Zoll 2 Bj.07
- Peugeot Ludix 50 2 AC Professional EP
- Peugeot Ludix 50 2 AC Professional Pro
- Peugeot Ludix 50 2 AC Snake Furious. 10Zoll
- Peugeot Ludix 50 2 AC Snake. 10Zoll 1 SB
- Peugeot Ludix 50 2 AC Trend. 10Zoll 1 SB
- Peugeot Ludix 2 Snake Furious
- Peugeot Ludix 2 50 Urban Track
- Peugeot Ludix 50 2 Blaster Ice Blade
- Peugeot Ludix 50 2 Blaster R Cup
- Peugeot Ludix 50 2 LC Blaster 12Zoll RS 1 SB
- Peugeot New Vivacity 50
- Peugeot Satelis 400 Premium RS Piaggio Motor
- Peugeot Satelis 400 RS Piaggio Motor
- Peugeot SC 50 Metropolis
- Peugeot SC 80 L
- Peugeot Speedake 50
- Peugeot Speedake 50 Bremse AJP
- Peugeot Speedake 50 Bremse Brembo
- Peugeot Speedake 50 Bremse Heng Tong
- Peugeot Speedfight 1 50 AC
- Peugeot Speedfight 1 50 LC
- Peugeot Speedfight 2 50 AC
- Peugeot Speedfight 2 50 LC
- Peugeot Speedfight 3 50
- Peugeot Speedfight 3 50 AC
- Peugeot Speedfight 3 50 LC
- Peugeot Speedfight 50 1 AC 1 SB
- Peugeot Speedfight 50 1 AC 2 SB
- Peugeot Speedfight 50 1 AC Bj.96-99
- Peugeot Speedfight 50 1 LC 1 SB Bj.96-99
- Peugeot Speedfight 50 1 LC Bremse Heng Tong 1SB
- Peugeot Speedfight 50 2 AC 1 SB
- Peugeot Speedfight 50 2 AC Bremse AJP 1 SB
- Peugeot Speedfight 50 2 AC Bremse AJP 1SB Acid
- Peugeot Speedfight 50 2 AC Bremse Heng Tong 1SB
- Peugeot Speedfight 50 2 AC Bremse Heng Tong Acid
- Peugeot Speedfight 50 2 AC Victories Bremse AJP
- Peugeot Speedfight 50 2 LC 2 SB Bj.00-03
- Peugeot Speedfight 50 2 LC Bremse AJP
- Peugeot Speedfight 50 2 LC Bremse AJP. 2 SB
- Peugeot Speedfight 50 2 LC Bremse Heng Tong
- Peugeot Speedfight 3 50 AC 2T Total
- Peugeot Speedfight 100 1 2 SB 2T Bj 97-00 Bj
- Peugeot Speedfight 100 2 Bremse AJP
- Peugeot Speedfight 100 2 WRC 206 Bremse AJP 2SB
- Peugeot Speedfight 100 2 WRC 307 Bremse AJP 2SB
- Peugeot Speedfight 100 2 X-Race Bremse AJP 2SB
- Peugeot Speedfight 125
- Peugeot Splinter 50 VGA427
- Peugeot Squab 50
- Peugeot Squab 50 Bremse Heng Tong Bj.97
- Peugeot Squab 50Bremse AJP Bj.94
- Peugeot ST 50 Rapido 50 Bj.85-93
- Peugeot Streetzone 50 Bj.14-15
- Peugeot Sum Up 125
- Peugeot SV 50 Geo
- Peugeot SV 50 L.R.Garros Sport Junior 1 SB
- Peugeot SV 50 L.R.Garros Sport Junior 2 TB
- Peugeot SV 50 LM 1 SB Bj.95-98
- Peugeot SV 125 Geo
- Peugeot SV 125 Geo L Bj.96-97
- Peugeot SV 250
- Peugeot TKR 50
- Peugeot TKR 50 Furious
- Peugeot TKR 50 MetalX
- Peugeot TKR 50 RCup
- Peugeot TKR 50 Victories
- Peugeot TKR 50 WRC
- Peugeot Trekker 50
- Peugeot Trekker 50 Off Road
- Peugeot Trekker 50 On Road
- Peugeot Tweet 50 Bj.09-14
- Peugeot Tweet 50 Evo Bj.14-15
- Peugeot Tweet 50 Evo RS Bj.14-15
- Peugeot Tweet 50 RS Bj.11-14
- Peugeot Tweet 125
- Peugeot Tweet 125 Evo Bj.14-15
- Peugeot Tweet 125 Evo RS Bj.14-15
- Peugeot Tweet 125 RS
- Peugeot V-Clic 50
- Peugeot V-Clic 50 4T Silver Sport LAEAGZ40
- Peugeot Vivacity 3 AC
- Peugeot Vivacity 3 CL 50 Bj.14-15
- Peugeot Vivacity 50 25 km/h 2T
- Peugeot Vivacity 50
- Peugeot Vivacity 50 Bj.02
- Peugeot Vivacity 50 Bremse Heng Tong
- Peugeot Vivacity 50 AC Bj.10
- Peugeot Vivacity 50 50 km/h Bj.98-01
- Peugeot Vivacity 50 Blue Line 45 km/h
- Peugeot Vivacity 50 Compact Bj.06
- Peugeot Vivacity 50 Paioli Gabel
- Peugeot Vivacity 50 Roland Garros Bj.06
- Peugeot Vivacity 50 Silver Sport Bj.06
- Peugeot Vivacity 50 Sixtees Bj.10
- Peugeot Vivacity 50 Sportline
- Peugeot Vivacity 50 2T SportLine 2 S1C0KF
- Peugeot Vivacity 50 Sportline II
- Peugeot Vivacity 50 Sportline 3 45 km/h
- Peugeot Vivacity 50 VSX Bj.02
- Peugeot Vivacity 100
- Peugeot Vivacity 100 Bremse Heng Tong
- Peugeot X-Fight 100 Bremse AJP Bj.00-07
- Peugeot X-Fight 50 AC Bremse AJP 1 SB
- Peugeot X-Fight 50 AC Iron X Bremse AJP 1SB
- Peugeot X-Fight 50 AC Silver Sport Bremse AJP
- Peugeot X-Fight 50 AC Victories Bremse AJP
- Peugeot X-Fight 50 LC Bremse AJP 2 SB
- Peugeot X-Fight 50 LC Bremse Heng Tong 2 SB
- Peugeot X-Fight 50 LC Iron X Bremse AJP 2SB
- Peugeot X-Fight 50 LC Silver Sport Bremse AJP
- Peugeot X-Fight 50 LC Victories Bremse AJP 2SB
- Peugeot Zenith 50
- Peugeot Zenith 50 2 TB Bj.95-96
- Peugeot Zenith 50 25 km/h 2 Bj.94-99
- Peugeot Zenith 50 L 1 SB Bj.95-96
- Peugeot Zenith 50 L 2 TB Bj.93-00
- Peugeot Zenith 50 L Bremse Brembo Bj.96
- Peugeot Zenith 50 L Bremse Grimeca 1 SB
- Peugeot Zenith 50 LM 2 TB Bj.97-98
- Peugeot Zenith 50 LN Bremse AJP 1 SB
- Peugeot Zenith 50 M 2 TB Bj.97
- Peugeot Zenith 50 N 2 TB Bj.98
- Peugeot Zenith 50 N Bremse Brembo 1 SB
- Peugeot Zenith 50 MA Mofa VGA423
-
PGO Motorroller
- PGO Big Max 50
- PGO Big Max 50 Cromo
- PGO Big Max Hot 50 Bj.98
- PGO Big Max Sport Bj.96-00
- PGO Big Max 90
- PGO Comet 50
- PGO G-MaX
- PGO G-Max 50 25 km/h Bj.04
- PGO G-Max 50 Euro 2
- PGO G-Max 50 Doppler
- PGO G-Max 50 Naked
- PGO G-Max 125
- PGO G-Max 150
- PGO G-Max 250
- PGO Galaxy 50
- PGO Galaxy 90
- PGO Ligero 50
- PGO Ligero RS 50
- PGO Ligero 100
- PGO Ligero 125
- PGO Ligero RS 125
- PGO Mega 50 Bj.96
- PGO PMS 50
- PGO PMX 50
- PGO PMX 90
- PGO PMX 110
- PGO PMX Sport 30
- PGO PMX 50 Sport
- PGO PMX Sport 110
- PGO PS 50 Bj.93
- PGO Rodoshow 50 Bj.00-05
- PGO Star 50
- PGO Star 50 2
- PGO Star 80 2 Bj.94-96
- PGO Star 80 Bj.90-93
- PGO Super Fifty 50 Bj.97-99
- PGO Tigra 125
- PGO Tornado 50
- PGO Tornado 90
- PGO T-Rex 50
- PGO T-Rex 50 Euro 2 Bj.03
- PGO T-Rex 110
- PGO T-Rex 125
- PGO T-Rex 150
-
Piaggio Motorroller
- Piaggio Beverly 125 GT
- Piaggio Beverly 125 RST
- Piaggio Beverly 125 Tourer
- Piaggio Beverly 250 Cruiser
- Piaggio Beverly 500 Cruiser
- Piaggio Carnaby 200 Bremse Brembo
- Piaggio Carnaby 200 Bremse Heng Tong
- Piaggio Carnaby 250
- Piaggio Carnaby125 Bremse Brembo
- Piaggio Carnaby125 Bremse Heng Tong
- Piaggio Diesis 50 2T Motor
- Piaggio Diesis 100
- Piaggio Extreme
- Piaggio Fly 50 Bj.07-12
- Piaggio Fly 50 DT ZAPC442 LBMC445
- Piaggio Fly 125
- Piaggio Free 50 1 25 km/h Bj.93-95
- Piaggio Free 50 1 50 km/h Bj.93-95
- Piaggio Free 50 FL II
- Piaggio Free 50 Postmodell
- Piaggio Hexagon 125
- Piaggio Hexagon 125 LC
- Piaggio Hexagon 150
- Piaggio Hexagon 150 KAT Bj.95-96
- Piaggio Liberty 50
- Piaggio Liberty 50 DT ZAPC282 16 Zoll Hinterrad Bj.00-02
- Piaggio Liberty 50 DT Bj.09
- Piaggio Liberty 50 PTT Bj.04-05
- Piaggio Liberty 50 RST
- Piaggio Liberty 50 RST Delivery
- Piaggio Liberty 50 RST DT Bj.04-08
- Piaggio Liberty 50 Sport Bj.07-13
- Piaggio Liberty 50 Sport DT
- Piaggio MC3 Purejet
- Piaggio NRG
- Piaggio NRG 50
- Piaggio NRG 50 Extreme AC
- Piaggio NRG 50 Extreme LC
- Piaggio NRG 50 I LC
- Piaggio NRG 50 MC 2
- Piaggio NRG 50 MC 3
- Piaggio NRG 50 MC 3 DD
- Piaggio NRG 50 MC 3 DT
- Piaggio NRG 50 MC3 LC DD 45kmh
- Piaggio NRG 50 Power DD
- Piaggio NRG 50 Power DT
- Piaggio NRG 50 Power Pure Jet
- Piaggio NRG MC 2
- Piaggio NRG MC3
- Piaggio NTT 50
- Piaggio Quartz 50 1
- Piaggio Quartz 50 2 Maquillage
- Piaggio Rally 180
- Piaggio Rally 200
- Piaggio Sfera 50 1
- Piaggio Sfera 50 1 KAT Bj.91-93
- Piaggio Sfera 50 2 Bj.93-95
- Piaggio Sfera 50 2 KAT Bj.95-95
- Piaggio Sfera 50 3 RST Bj.95-97
- Piaggio Skipper 125 LEADER
- Piaggio Skipper 125 LX
- Piaggio Skipper 125 LX Bj.98-00 Bj.98-00
- Piaggio Skipper 150 LX
- Piaggio Skipper 150 LXT
- Piaggio SKR 125 Skipper Bj.93-97
- Piaggio Sprint 150
- Piaggio Storm 50
- Piaggio TPH 50
- Piaggio TPH 50 KAT
- Piaggio TPH 50 Modell 2010
- Piaggio TPH 50 Typhoon
- Piaggio TPH 50 X Bj.99-00
- Piaggio TPH 50 X-R
- Piaggio TPH 125 Bj.95-98
- Piaggio TPH 125 80 km/h Bj.96-97
- Piaggio TPH 125 X Bj.99-00
- Piaggio TPH 125 X-R 2T Bj.00-03 Bj.00-03
- Piaggio Vespa 125 GT
- Piaggio Vespa 125 GTR
- Piaggio Vespa 150
- Piaggio Vespa 150 Sprint
- Piaggio Vespa 150 T
- Piaggio Vespa 180 SS
- Piaggio Vespa 200 Rally
- Piaggio Vespa 946
- Piaggio Vespa Cosa 200
- Piaggio Vespa ET2 50 ab Juni 1998
- Piaggio Vespa ET2 50 KAT Bj.03-06
- Piaggio Vespa ET4 50
- Piaggio Vespa ET4 125 Leader
- Piaggio Vespa Granturismo 200 L
- Piaggio Vespa GS
- Piaggio Vespa GT 125
- Piaggio Vespa GT 200
- Piaggio Vespa GTS 125
- Piaggio Vespa GTS 125 i.e. Einspritzer
- Piaggio Vespa GTS 125 LC Euro 3
- Piaggio Vespa GTS 250 Br.Grimeca.m.ABS
- Piaggio Vespa GTS 250 Br.Heng Tong.m.ABS
- Piaggio Vespa GTS 250 i.e.
- Piaggio Vespa GTS 300
- Piaggio Vespa GTS 300 Super
- Piaggio Vespa GTS 300 Super ABS ASR
- Piaggio Vespa GTS 300 Super Sport
- Piaggio Vespa GTS 300 Touring ABS ASR
- Piaggio Vespa GTS i.e. ABS 250
- Piaggio Vespa GTV 125
- Piaggio Vespa GTV 300
- Piaggio Vespa LX 50
- Piaggio Vespa LX 50 Bremse Grimeca Bj.05
- Piaggio Vespa LX 50 Bremse Heng Tong
- Piaggio Vespa LX 50 2V Bj.05-07
- Piaggio Vespa LX 50 4V
- Piaggio Vespa LX 125
- Piaggio Vespa LX 125 Euro 3
- Piaggio Vespa LX 150
- Piaggio Vespa LXV 125 4T E3 2006-2009
- Piaggio Vespa P 80 X
- Piaggio Vespa P125X
- Piaggio Vespa P 150 X Bj.78-84
- Piaggio Vespa P 200 X
- Piaggio Vespa PK 50
- Piaggio Vespa PK 125 S Automatik
- Piaggio Vespa Primavera 50
- Piaggio Vespa Primavera 50 13 ZAPC532
- Piaggio Vespa PX 80 E Lusso
- Piaggio Vespa PX 125
- Piaggio Vespa PX 125 E Lusso
- Piaggio Vespa PX 150
- Piaggio Vespa PX 150 E Lusso
- Piaggio Vespa PX 200
- Piaggio Vespa PX 200 E Gespann
- Piaggio Vespa PX 200 E GS
- Piaggio Vespa PX 200 E Lusso
- Piaggio Vespa S 50 Bj.07
- Piaggio Vespa S 125
- Piaggio Vespa S 125 Einspritzmotor
- Piaggio Vespa T5
- Piaggio Vespa T5 Classic
- Piaggio X7 250
- Piaggio X7 300 Evo
- Piaggio X8 150
- Piaggio X9 125 Evolution
- Piaggio X9 250
- Piaggio X9 250 Evolution
- Piaggio XEvo 125
- Piaggio XEvo 250
- Piaggio Zip 50
- Piaggio Zip 50 2 CAT DT 45km/h Br.Grimeca
- Piaggio Zip 50 25 km h
- Piaggio Zip 50 45 km/h Bj.09-15
- Piaggio Zip 50 45km/h Bremse Heng Tong
- Piaggio Zip 50 45km/h Bremse Grimeca
- Piaggio Zip 50 Base RST 1 SB
- Piaggio Zip 50 Base RST 1 SB 25km/h
- Piaggio Zip 50 Base RST 2 TB
- Piaggio Zip 50 Base RST 2 TB 25km/h
- Piaggio Zip 50 Base RST Pigmentato DT
- Piaggio Zip 50 Base RST Pigmentato DT 25km/h
- Piaggio Zip 50 CAT DT 25km/h B.Grimeca
- Piaggio Zip 50 CAT DT 45km/h Heng Tong
- Piaggio Zip 50 Fast Rider 1 FR1
- Piaggio Zip 50 Fast Rider 2 FR2
- Piaggio Zip 50 2T SP LC 2000
- Piaggio Zip 50 SP LC 2000 Bj.00-03
- Piaggio Zip 50 SP LC Bj.96-98
- Piaggio Zip 50 Zip
- Piaggio Zip 50 DT AC ZAPC250 Bj.00-05
- Piaggio Zip 50 DT AC Bj.06
- Piaggio Zip Base 50 DT AC Bj.96-98
- Piaggio Zip Fast Rider 50 DT AC SSL1T Bj.94-96
- Piaggio Zip Fast Rider 50 DT AC ZAPC070 Bj.96-00
- Piaggio Zip RST 50 DT ZAPC060 Bj.96-00
- Powersports
- Praktiker
- Puch
- Pulse
- Puma
- Qianjiang QJ
-
Quelle Versand
- Quelle Versand Buffalo 50 25 km h
- Quelle Versand Buffalo 50 45 km/h
- Quelle Versand Buffalo 50 50 km/h Bj.99
- Quelle Versand Buffalo AT10 50 Byte 25 km/h
- Quelle Versand Buffalo AT10 50 Byte 50 km/h
- Quelle Versand Buffalo Adly AT 125
- Quelle Versand Buffalo Carosello 50
- Quelle Versand Buffalo CY 50 50 km/h Bj.08
- Quelle Versand Buffalo Hero 50
- Quelle Versand Buffalo MK 50 Bj.99
- Quelle Versand Buffalo MY 50
- Quelle Versand Buffalo Rocky 50
- Quelle Versand Buffalo Silver 50
- Quelle Versand Buffalo Silverfox 50
- Quelle Versand Buffalo Skeggia 50 Bj.00
- Quelle Versand Buffalo Speedy 50
- Quelle Versand Buffalo Tanco 50
- Quelle Versand Buffalo Thunderbike 50
- Quelle Versand Buffalo Warrior 50
- Quelle Versand Buffalo Wind 50 25 km/h
- Quelle Versand Buffalo Wind 50 45 km/h
- Real
-
Rex Motorroller
- Rex 25
- Rex 50
- Rex 25 Escape
- Rex 50 Escape
- Rex 25 Silverstreet
- Rex 50 Silverstreet
- Rex 25 Trophy
- Rex 50 Trophy
- Rex 25-50 2-T
- Rex 50 Scooter
- Rex Bergamo 50
- Rex Chopper 125
- Rex Cruiser 125
- Rex Drive 50
- Rex Drive Sport 50
- Rex Escape 50 Bj.03-05
- Rex Flash 50 Bj.04
- Rex Genua 50 ccm
- Rex Imola 125
- Rex JIGGER 50 City
- Rex Milano 125
- Rex Monaco 125
- Rex Off Limit
- Rex RC 50 Bj.06
- Rex Rexy 125
- Rex RS125 QM125T-10D
- Rex RS250 QM50T-10A(B)
- Rex RS400
- Rex RS425 Mofaroller 4-T
- Rex RS450
- Rex RS460 BOSTON 8 50cc
- Rex RS500 QM50QT-6A(A) QINGQI
- Rex RS500
- Rex RS600 QM50QT-2
- Rex RS700 QM50QT-10A
- Rex RS900 QM50T-10A(A)
- Rex RS1000
- Rex RS1100
- Rex RS Classic 50
- Rex SC125 QM125T-10A(A)
- Rex Silverstar 50 ccm
- Rex Silverstar 50
- Rex Silverstreet
- Rex Silverstreet 50 Bj.99-02
- Rex SM 50
- Rex SPEEDY FLASH
- Rex Hiker 2.0 125 DD
- Rex Hiker 50 City DD
- Rex INSIGNIO 125 DD
- Rex Monza 50
- Rex RMC-E HIKER 125 DD SPORT
- Rex RMC-G 50
- Rex RMC-H GALACTICA 125 DD
- Rex Speedy 125 QM125T-10A
- Rex Palermo
- Rex Stratos Montana
- Rex RS125 QM125T-10H
- Rex Imola 50
- Rex Milano 50
- Rex Monaco 50
- Rex RS750
- Rex Torino 125
- Rex 25 Scooter
- Rex 50 Scooter/MK 50/CAPRIOLO 50 (2-Takt)
- Rex RS1000 Bj.09
- Rex Stratos Chicago
- Rex RS460
- Rex RS460 Mofaroller 4-T
- Rex REXY 25-50
- Rex Capriolo 50 4T
- Rex Stratos Montana 50
- Rex RS125
- Rex RS125 Capriolo Street
- Rex Aragon Club
- Rex Supermoto Enduro 125
- Rex Genua 50
- Rex Scooter 50
- Ride
- Rieju Motorroller
- Rivero
- Roketa
- Rondelli
-
Sachs Motorroller
- Sachs 49er 10 Zoll
- Sachs 49er 12 Zoll Bj.05-08
- Sachs 49er FY50QT 5
- Sachs Bee 125
- Sachs Bee 50
- Sachs Bee 50 FY50QT 13
- Sachs City CV 80
- Sachs Eagle 50
- Sachs Limbo 50
- Sachs Limbo 50 L
- Sachs Limbo 50 LM
- Sachs Limbo 50 MA 25 km h
- Sachs Limbo 50 MA 50 km h
- Sachs Reggae 50
- Sachs Reggae 50 RS
- Sachs Speedfight 100 1
- Sachs Speedfight 50 1 LC Bj.96-00
- Sachs Speedforce 50
- Sachs Speedforce R
- Sachs Speedjet 50 AC
- Sachs Speedjet 50 AC R
- Sachs Speedjet 50 LC RS Limited Edition
- Sachs Splinter 50
- Sachs Squab 50
- Sachs Squab 50 Junior
- Sachs SR 125 Bj.91-92
- Sachs SR 50
- Sachs SR 50 L.R.Garros Sport
- Sachs SR 80
- Sanli
- Sasy
- Schlecker
- Schwinn
- Selgros
- Shanghaj
- Shenke
- Siamoto Motorroller
- SIL
- Simson Motorroller
-
SMC Motorroller
- SMC Kreidler 50 Flory Bj.04
- SMC Owl 50 Bj.09
- SMC Flory 50
- SMC GALACTICA 2.0 RS 50 DD
- SMC GALACTICA 2.0 RC 50 DD
- SMC Hiker 2.0 50 DD
- SMC Florett RS 50 DD
- SMC JIGGER 50
- SMC RMC-E HIKER 50
- SMC RMC-E HIKER 50 DD SPORT
- SMC RMC-H GALACTICA 50 DD
- SMC Extra 50 Off Road 50kmh
- SMC Extra 50 Sport 50kmh
- SMC Kontra B 50 50kmh
- SMC Extra 50 B 50kmh
- SMC Extra 50 S 50kmh
- SMC Extra 50 T 50kmh
- SMC Kontra T 50 50kmh
- SMC Scooter
- SMC HELA DRIVE
- SMC Rexy 50
- SMC HELA DRIVE SPORT
- SMC Flash
- Steffen
- Sukida
- Sundiro Motorroller
- SunL
-
Suzuki Motorroller
- Suzuki Address 50
- Suzuki AH 100 Address
- Suzuki AH 50 Address 1 SB
- Suzuki AH 50 Address 2 TB
- Suzuki AP 50
- Suzuki AP 50 S Bj.92-95
- Suzuki AY 50
- Suzuki AY 50 AC Katana
- Suzuki AY 50 Katana WR
- Suzuki AY 50 LC Katana A50 Einspritzmotor
- Suzuki AY 50 LC Katana R50
- Suzuki AY 50 LC Katana R-WR
- Suzuki AY 50 LC Katana W
- Suzuki AY 50 LC Katana WR
- Suzuki AY 50 LC Katana WR-WRX-K1
- Suzuki Burgman AN 400
- Suzuki CP 50 Bj.84-87
- Suzuki CP 50 CHF Bj.89-93
- Suzuki CS 80
- Suzuki Estilete 50
- Suzuki Sepia 50
- Suzuki Sepia ZZ 50 Bj.89
- Suzuki UC 125 Bj.00-02
- Suzuki UC 125 U Bj.00-02
- Suzuki UC 150 Epicuro Bj.01-02
- Suzuki UE 125 CT Bj.00-03
- Suzuki UF 50 Estilete
- Suzuki UH 125 Burgman
- Suzuki UH 150 Burgman Bj.02-06
- Suzuki UH 200 Burgman
- Suzuki UX 50 Zillion
- Suzuki UX 50 Zillion hydr. Bremssystem
- Suzuki Zillion 50 LC Bj.99
-
SYM Sanyang Motors Motorroller
- Sanyang Motors 49er 50 Bj.05
- Sanyang Motors A30 Bj.96
- Sanyang Motors Allo 50 AC
- Sanyang Motors Allo 50 Bj.11
- Sanyang Motors Allo 50 GT Bj.14-15
- Sanyang Motors Attila 125 Bj.95
- SYM Attila 150
- Sanyang Motors Cinderella 100 Bj.01
- Sanyang Motors SYM_(Sanyang_Motors) Cinderella 50
- SYM Crox 125
- SYM Crox 150
- SYM Crox 50
- Sanyang Motors DD 50 25 km/h Bj.04-06
- Sanyang Motors DD 50 AC Bj.03
- Sanyang Motors DD 50
- SYM Duke 125
- Sanyang Motors Euro 125 MX Bj.03-06
- Sanyang Motors Fancy 50 AC F5L3
- Sanyang Motors Fancy 50 Bj.95-96
- Sanyang Motors Fiddle 1 125 Bj.09
- Sanyang Motors Fiddle 1 150 Bj.08-09
- Sanyang Motors Fiddle 1 50 AC FA05U Bj.03-08
- Sanyang Motors Fiddle 125 II
- Sanyang Motors Fiddle 2 150 10
- Sanyang Motors Fiddle 2 50 AC Bj.08
- Sanyang Motors Fiddle 50 Bj.03-07
- Sanyang Motors Fiddle 50 II Bj.08-15
- SYM Fiddle 50 III
- Sanyang Motors Fiddle125 III
- Sanyang Motors Flash 50 Bj.98-00
- Sanyang Motors Free 50 Bj.97-00
- Sanyang Motors GTS Joymax 250 Bj.06
- Sanyang Motors GTS Joymax 250i ABS
- Sanyang Motors GTS Joymax 250i Evo
- Sanyang Motors HD 125 Bj.05-08
- Sanyang Motors HD 125 EVO Bj.07-12
- Sanyang Motors HD 2 200 Bj.10-13
- Sanyang Motors HD 2 200 CBS Bj.14-15
- Sanyang Motors HD 200 Bj.05-10
- Sanyang Motors HD 200 EVO Bj.06-11
- SYM Jet 100
- Sanyang Motors Jet 100 Euro X Bj.04-07
- Sanyang Motors Jet 4 125 AD12W1 6
- SYM Jet 4 150
- Sanyang Motors Jet 4 50 AC AD05W1
- SYM Jet 4 R 50
- Sanyang Motors Jet 4R 50 JD05W
- SYM Jet 50
- Sanyang Motors Jet 50 BL05W Bj.01-05
- Sanyang Motors Jet 50 BasiX Bj.08-12
- Sanyang Motors Jet 50 EuroX Bj.06-12
- SYM Jet 50 EVO
- Sanyang Motors Jet 50 Racelift 45km/h
- Sanyang Motors Jet 50 Schuhmacher Euro1
- Sanyang Motors Jet 50 Schuhmacher Euro2
- SYM Jet 50 Sport X
- Sanyang Motors Jet 50 Sport X50 R-S-SR-XR
- Sanyang Motors Jet4 125 Bj.10-15
- SYM Joyride 125
- Sanyang Motors SYM_(Sanyang_Motors) Joyride 125 Evo
- SYM Joyride 150
- SYM Joyride 200i EVO
- SYM Jungle 50
- Sanyang Motors Jungle 50 GA05W 6
- Sanyang Motors Mask 50 45 km/h
- Sanyang Motors Megalo 125 AK12W 6
- SYM Mio 50
- Sanyang Motors New Duke 125 Bj.00-02
- Sanyang Motors Orbit 1 125 Bj.09
- Sanyang Motors Orbit 1 150 Bj.09
- SYM Orbit 2 125
- Sanyang Motors Orbit 2 150 10
- Sanyang Motors Orbit 2 50 AC Bj.09
- SYM Orbit 50
- SYM Pure 50
- Sanyang Motors Red Devil 50 45km/h
- Sanyang Motors Red Devil 50 DT 25km/h
- Sanyang Motors Red Devil 50 DT Euro 2
- Sanyang Motors Red Devil 50 TB Euro 1
- Sanyang Motors Shark 125 RS 125 4V
- SYM Shark 150
- SYM Shark 50
- Sanyang Motors Shark RS 50 Bj.00
- Sanyang Motors Super Duke 125 A125Q2
- SYM Super Duke 150
- Sanyang Motors Super Fancy 50 Bj.95-97
- Sanyang Motors Super Fancy 50 G5H3 6
- Sanyang Motors Symphony 125 12 AY12W T
- Sanyang Motors Symphony 125 Bj.08-12
- Sanyang Motors Symphony 125 S 13 AY12W7 T
- Sanyang Motors Symphony 125 S Bj.12
- Sanyang Motors Symphony 125 SR 13 AZ12W1 T
- Sanyang Motors Symphony 125 SR Bj.10
- Sanyang Motors Symphony 150 12
- Sanyang Motors Symphony 150 S 13
- Sanyang Motors Symphony 150 SR 13
- Sanyang Motors Symphony 50 AC AY05W
- Sanyang Motors Symphony S 50 AC Bj.08-10
- Sanyang Motors Symphony 50 SR Bj.10
- Sanyang Motors Symphony 50 ST Bj.15
- Sanyang Motors Symphony SR 50 AC AZ05W1
- Sanyang Motors Symply 1 125 Bj.09
- Sanyang Motors Symply 1 150 Bj.09
- SYM Symply 125
- Sanyang Motors Symply 2 125
- Sanyang Motors Symply 2 150
- SYM Symply 50
- Sanyang Motors Symply 50 AC AV05W
- Sanyang Motors Tonik 125 FW11A1
- Sanyang Motors Tonik 50 AC FW05A
- Sanyang Motors Tonik 50 Bj.10
- SYM VS 125
- Sanyang Motors VS 125 HA12A6
- Sanyang Motors VS 125 HA12C6 Bj.08-09
- Sanyang Motors VS 125 HA12WB 10
- SYM VS 150
- Sanyang Motors X Pro 125 AE12W4
- Sanyang Motors X Pro 50 AC 13 AE05W4
- Sanyang Motors X-Pro 50
- SYM Fiddle 2 125
- Tank
-
Tauris Motorroller
- Tauris Avenida 125 II Bj.14-15
- Tauris Brio 50
- Tauris Brisa 50
- Tauris Broadway 125
- Tauris Capri 125
- Tauris Capri 50 Bj.09-15
- Tauris Capri art Collection 125
- Tauris Corona 50
- Tauris Cubana 125
- Tauris Cubana 50
- Tauris Estoril 50
- Tauris Fiera 125
- Tauris Fiera 125 Xtreme
- Tauris Fiera 50 art Collection Bj.11-15
- Tauris Fiera 50 Xtreme
- Tauris Firefly 50
- Tauris Firefly Racing 50 Bj.14-15
- Tauris Freccia 125
- Tauris Freccia 50 Bj.14-15
- Tauris Fuego 50 Sport 25 km/h Mofaroller
- Tauris Fuego 50 Sport 45 km/h Bj.14-15
- Tauris Mambo 50
- Tauris Movida 125
- Tauris Movida 50
- Tauris Piccadilly 125
- Tauris Piccadilly 50
- Tauris Samba 50
- Tauris Samba 50 art Collection Bj.13-15
- Tauris Samba 50 Racing
- Tauris Strada 50
- Tauris Toreo 50
- Tell
-
TGB
- TGB 101 S 50 Bj.98-07
- TGB 101R
- TGB 101S
- TGB 203
- TGB 303 R 50 25 km/h Bj.98-02
- TGB 303 R 50 50 km/h Bj.98-02
- TGB 303R
- TGB 50 RS
- TGB AKros Tec
- TGB Akros 50 Bj.94-97
- TGB Bellavita 125
- TGB Bullet 50
- TGB Bullet 125
- TGB Bunny 50 AS 25 X 25 km/h Bj.96-97
- TGB Bunny 50 AS 50 X 50 km/h Bj.93-95
- TGB Bunny 50 AT 50 2 50 km h
- TGB Bunny 50 KB-X
- TGB Corona 50 Comfort
- TGB Corona 50 Edition 25 km h
- TGB Corona 50 Sport 25 km/h Bj.02-05
- TGB Corona 50 Sport 45 km/h Bj.02-05
- TGB Corona 50 Sport Edition 2T 25 km/h
- TGB Corona 50 Sport Edition 45 km/h
- TGB Delivery 125
- TGB Delivery 50
- TGB Delivery Express 50 Bj.04-09
- TGB Ergon 50 Bj.96-97
- TGB Express 125
- TGB F409 125
- TGB F409 150
- TGB F409 50
- TGB Laser 50 Bj.94
- TGB R50X
- TGB R50X 25 km/h DD Bj.05
- TGB R50X 45 km/h DD Bj.02-05
- TGB Sky 50 25 km/h Bj.04
- TGB Sky 50 45 km/h Bj.04
- TGB Sky 50 50 km/h Bj.97-03
- TGB Sky 50 High Wheels 25 km/h Bj.00-03
- TGB Sky 50 High Wheels 50 km/h Bj.00-03
- TGB Solero 50 25 km/h
- TGB Solero 50 50 km/h Bj.00-01
- TNG
- Tokaido Neckermann
- Turbho
- Vento
- Viva
- Winking
- Xingyue
- Xinling
-
Yamaha Motorroller
- Yamaha 125 Maxster
- Yamaha Aerox 100 1 SB
- Yamaha Aerox 100 2 SB Bj.01-03
- Yamaha Aerox 50 Assistance 50 km/h
- Yamaha Aerox 50 KAT 45 km/h Bj.04-12
- Yamaha Aerox 50 KAT 50 km/h Bj.00-03
- Yamaha Aerox 50 Naked KAT 45 km/h
- Yamaha Aerox 50 Niro R 50 km/h Bj.99-01
- Yamaha Aerox 50 Niro R Tech 3 KAT
- Yamaha Aerox 50 R KAT 45 km/h Bj.03-12
- Yamaha Aerox 50 Racing Replica KAT 45km/h
- Yamaha Aerox LC 50
- Yamaha Axis 50 50 km/h Bj.95-98
- Yamaha Beluga 125 BL Bj.88-92
- Yamaha Breeze 50
- Yamaha BWs 100
- Yamaha BWs 125
- Yamaha BWs 50
- Yamaha BWs 50 12 Zoll Bj.04
- Yamaha BWs 50 Easy Bj.14-16
- Yamaha BWs 50 Bump
- Yamaha BWs 50 Naked Bj.04
- Yamaha BWs 50 NG Bj.98
- Yamaha BWs 50 NG Next Generation
- Yamaha BWs 50 NG Next Generation 50km/h
- Yamaha BWs 50 NG RS Bj.99
- Yamaha BWs 50 R Road
- Yamaha BWs 50 Spy Bj.95-99
- Yamaha CH 50 Bj.90-92
- Yamaha CH 50E Bj.88-89
- Yamaha CTS 50 Sorriso Bj.91-95
- Yamaha Cygnus XC 125 F Bj.00-03
- Yamaha Cygnus XC 125 TR SB vorn Bj.96-99
- Yamaha Cygnus XC 125X Bj.04-06
- Yamaha Cygnus XC 125 T TB vorn Bj.95-00
- Yamaha Fly One 50 Bj.92
- Yamaha Jog 50 altes Modell
- Yamaha Jog 50 R AC
- Yamaha Jog 50 RR LC
- Yamaha Jog 50 ZA AC
- Yamaha Jog 50 R/RR
- Yamaha Majesty 125
- Yamaha Majesty 250
- Yamaha Maxam 250 Bj.05-12
- Yamaha Maxster 125 Bj.00-04
- Yamaha Neos
- Yamaha Neos 100
- Yamaha Neos 50
- Yamaha Neos 50 Easy
- Yamaha Aerox 50 NS-50 Bj.13-14
- Yamaha Aerox 50 R NS-50 Bj.13
- Yamaha Aerox 50 Naked NS-50 Bj.15-16
- Yamaha Aerox 50 R Naked NS-50 Bj.15-16
- Yamaha RIVA 125
- Yamaha Slider 50
- Yamaha Slider 50 AC Bj.04
- Yamaha Slider 50 Naked
- Yamaha Teos 125 Bj.00-04
- Yamaha Vino 50 Bj.06-13
- Yamaha Vity 125 Bj.08
- Yamaha WHY 50
- Yamaha XC 125 Cygnus TR
- Yamaha XC 125 T
- Yamaha XC 125 T Cygnus
- Yamaha XC 125 TR
- Yamaha X-City 250
- Yamaha XF 50
- Yamaha X-Max 250 Iron Max ABS Bj.16
- Yamaha X-Max 250i.e ABS Bj.16
- Yamaha X-Max 250i.e. Bj.05-10
- Yamaha X-Max 250i.e. Black Max Bj.09
- Yamaha X-Max 250i.e. Sport Bj.11
- Yamaha X-Max 250i.e. Sport ABS Bj.10-13
- Yamaha X-Max 250i.e. Sport ABS Momodesign
- Yamaha X-Max125 Bj.06
- Yamaha X-Max125 ABS Bj.10-13
- Yamaha X-Max125 Business Bj.12
- Yamaha X-Max125 Iron Max ABS Bj.16
- Yamaha X-Max125 Sport Bj.12
- Yamaha YE ZEST 50
- Yamaha YE Zest 80
- Yamaha YP 125 R Majesty
- Yamaha YP 250 Majesty
- Yamaha YP 125 Majesty 125cc
- Yamaha Zuma 50
- Yamaha Zuma II 50
- Yamaha BWs 50 2T Modell 2010 Bj.10
- Yamati
- Yiying
- ZEG
-
Zhejiang
- Zhejiang Hongzhou B08
- Zhejiang Hongzhou B09
- Zhejiang Yamakoyo HL125T-13 Bj.06
- Zhejiang Yamakoyo HL125T-2 Bj.06
- Zhejiang Yamakoyo HL125T-21 Bj.06
- Zhejiang Yamakoyo HL125T-35 Bj.06
- Zhejiang Yamakoyo HL50QT Bj.04
- Zhejiang Yamakoyo HL50QT-16 Bj.06
- Zhejiang Yamakoyo HL50QT-2 Bj.06
- Zhejiang Yamakoyo HL50QT-21 1-10 Bj.06
- Zhejiang Yamakoyo HL50QT-21B Bj.06
- Zhejiang Yamakoyo HL50QT-35 2-5 Bj.2006
- Zhejiang Yamakoyo XY50QT Bj.04
- ZhongYu
- Znen
- Zongshen Motorroller
- ZXMCO
-
Adly Motorroller
-
Ersatzteile für Quads/ATVs
-
Access Quad ATV
- Access AMS 4.30 SM
- Access AMS 4.30 SX
- Access AMS 430 / 4.30 EFI
- Access AMS 480 / 4.38 SM
- Access AMS 480 / 4.38 SX
- Access AMS Mini Sport 110
- Access AMS Mini Sport 110
- Access AMX 3.20
- Access AMX 6.46 Basic (7.46 EFI 4X4)
- Access AMX 6.46 EFI 4X4 LUX
- Access AMX 6.46 LV EFI 4X4 LUX
- Access AMX 7.46 LV EFI 4X4 LUX
- Access AMX 750 4X4
- Access AMX 750 4x4 UL
- Access AMX 8.57 Basic
- Access AMX 8.57 EFI 4x4 EPS
- Access AMX 8.57 LV EFI 4x4 LUX
- Access SHADE 200
- Access SHADE Sport 650
- Access SHADE Sport 850 EPS
- Access SHADE Sport 850 EPS T3
- Access SHADE Sport 850 LV EPS
- Access SHADE Sport 850 LV EPS Euro4
- Access SHADE Sport 850 LV EPS TOURING T3
- Access SHADE Xtreme 650 LOF
- Access SHADE Xtreme 850 EPS DLX
- Access SHADE Xtreme 850 Euro4
- Access SHADE Xtreme 850 LOF
- Access SHADE Xtreme 850 LOF T3
- Access SHADE Xtreme 850 LV LOF
- Access SHADE Xtreme 850 LV LOF T3
- Access Xtreme 300 Supermoto
- Access Xtreme 480 Enduro
- Access Xtreme 480 Supermoto
-
Adly Quad ATV
- Adly ATV 50 II Utility XXL AC
- Adly ATV 50 II Utility XXL AC Bj.05
- Adly ATV 50 alle
- Adly ATV 50 RS XXL AC weiß-blau
- Adly ATV 50 XXL LC
- Adly ATV 50 XXL LC
- Adly ATV 50 RS XXL LC weiß-blau
- Adly ATV 50 RS XXL schwarz
- Adly ATV 50 V
- Adly ATV 50 V
- Adly ATV 50 XXL Supercross
- Adly ATV 100
- Adly ATV 150 Crossover
- Adly ATV 150 Crossroad
- Adly ATV 150 Sport
- Adly ATV 150 Utility
- Adly ATV 280 Canyon
- Adly ATV 280 Hurricane
- Adly ATV 300 Crossover
- Adly ATV 300 Crossroad
- Adly ATV 300 Crossroad Sentinel
- Adly ATV 300 Hurricane
- Adly ATV 300 Interceptor
- Adly ATV 300 Sport
- Adly ATV 300 Utility
- Adly ATV 320 Canyon
- Adly ATV 320 Canyon
- Adly ATV 320 Canyon ab Bj.12
- Adly ATV 320 Canyon Kardan
- Adly ATV 320 Canyon LOF
- Adly ATV 320 Canyon SE
- Adly ATV 320 Hurricane
- Adly ATV 320 Hurricane ab Bj.12
- Adly ATV 320 Hurricane Flat
- Adly ATV 320 Hurricane Kardan
- Adly ATV 320 Hurricane LOF
- Adly ATV 320 Hurricane SE
- Adly ATV 320 Hurricane SM LOF
- Adly ATV 320 Supermoto
- Adly ATV 320 Supermoto ab Bj.12
- Adly ATV 400
- Adly ATV 500
- Adly ATV 600 Conquest
- Adly ATV 700 Conquest EFI
- Adly ATV SupeRCross 50 XXL AC Bj.08-10
- Adly ATV Hurricane 450 S
- Adly ATV Hurricane 450 SM
- Adly ATV Hurricane 500 S LOF Flat
- Adly Quad 50 2
- Adly Quad ATV 50VG
-
Aeon Quad ATV
- Aeon AX 600 , Motobionics 6.0 Bj.13
- Aeon BISTRADA 3.5 Bj.11
- Aeon Cobra 50
- Aeon Cobra 50 Bj.01
- Aeon Cobra 100
- Aeon Cobra 100 Bj.00-04
- Aeon Cobra 125
- Aeon Cobra 125 RS
- Aeon Cobra 125 RS II Bj.07/03
- Aeon Cobra 125 Utility
- Aeon Cobra 180 RS
- Aeon Cobra 180 RS
- Aeon Cobra 180 RS II Bj.07/03
- Aeon Cobra 180 Utility
- Aeon Cobra 220 Bj.05
- Aeon Cobra 300 S
- Aeon Cobra 320 Bj.07
- Aeon COBRA 350 Bj.08
- Aeon Cobra 400 (Vergaser)
- Aeon Cobra 400 Basic LUX LE Supermoto Basic Bj.12
- Aeon Cobra 400 EFI
- Aeon Cobra 419 LOF SX / SM
- Aeon Cobra Roadster 180 Bj.02
- Aeon Cobra Utitity 180
- Aeon Crossland 300 Bj.06
- Aeon Crossland 350 Bj.08
- Aeon Crossland 350 RX
- Aeon Crossland 350RX
- Aeon Crossland 350 X4 Allrad Bj.09
- Aeon Crossland 400 4x4
- Aeon Crossland 400 RX
- Aeon Crossland 600 LOF
- Aeon Minikolt 50
- Aeon Minikolt 50 Bj.04
- Aeon Overland 125 Bj.03
- Aeon Overland 180 Bj.07/03
- Aeon Overland 200
- Aeon Overland 600 Bj.10
- Aeon Revo 50 Bj.03
- Aeon Revo 50 W mit Rückwärtsgang Bj.05
- Aeon Revo 100 Bj.03
- Aeon Revo 100 W mit Rückwärtsgang Bj.05
- Aeon Quad 170 RS
- Aeon Quad 125 Utility
- Aeon Quad Utility 170
-
Arctic Cat
- Arctic Cat 350 EFT
- Arctic Cat 550 TRV EFT
- Arctic Cat 550 TRV GT EFT
- Arctic Cat 550 TRV PS EFT
- Arctic Cat 700 TRV GT EFT
- Arctic Cat 700 TRV PS EFT
- Arctic Cat ATV 550 EFT Bj. 10
- Arctic Cat ATV 700 Diesel EFT
- Arctic Cat DVX 300 Euro
- Arctic Cat Prowler XT
- Arctic Cat Prowler XTZ
- Arctic Cat XC 450 EFT
- Arctic Cat XC 450 EFT
- Arctic Cat Y-12 90 Youths Bj.02-05
- Barossa Quad ATV
- Beeline
- Bombardier
- Can-Am
-
CFMOTO
- CF-Moto CF500 Atlas
- CF-Moto CF500 XL One
- CFMOTO CForce 1000 DLX EPS LOF
- CFMOTO CForce 1000 L DLX EPS L7e-B1
- CFMOTO CForce 450 ONE EPS
- CFMOTO CForce 450 ONE Euro2
- CFMOTO CForce 450 ONE Euro4
- CFMOTO CForce 450 S One T3 LOF
- CFMOTO CForce 450 S One T3b 60 km/h
- CFMOTO CForce 450 short One
- CFMOTO CForce 450 short One EPS LOF
- CFMOTO CForce 450 XL DLX
- CFMOTO CForce 450 XL DLX EPS
- CFMOTO CForce 450 XL DLX EPS LOF Sunshine Edition
- CFMOTO CForce 450 XL DLX T3 60km/h
- CFMOTO CForce 450 XL EPS
- CFMOTO CForce 450 XL Euro2
- CFMOTO CForce 450 XL Euro4
- CFMOTO CForce 500 ONE
- CFMOTO CForce 520 L DLX EPS
- CFMOTO CForce 520 L DLX EPS L7e-B1
- CFMOTO CForce 520 L DLX EPS LOF
- CFMOTO CForce 520 L DLX L7e-B1
- CFMOTO CForce 520 L DLX LOF
- CFMOTO CForce 520 S Red Line LOF
- CFMOTO CForce 520 XL DLX T3 60km/h
- CFMOTO CForce 520L
- CFMOTO CForce 550
- CFMOTO CForce 550 DLX EPS LOF Adventure Edition
- CFMOTO CForce 550 DLX LOF E4
- CFMOTO CForce 600 EPS LOF Anniversary Edition
- CFMOTO CForce 625 DLX EPS
- CFMOTO CForce 625 S DLX EPS L7e-B1
- CFMOTO CForce 625 S DLX EPS LOF
- CFMOTO CForce 625 S ONE
- CFMOTO CForce 625 S ONE LOF
- CFMOTO CForce 625 Touring DLX EPS L7e-B1
- CFMOTO CForce 800 EPS
- CFMOTO CForce 820 XL DLX EPS
- CFMOTO CForce 820 XL DLX
- CFMOTO CForce 820 XL ONE
- CFMOTO CForce 850 DLX EPS
- CFMOTO CForce 850 EPS LOF
- CFMOTO Rancher 500 / UForce 500
- CF-Moto Terralander 500 / CForce 500
- CF-Moto Terralander 625 / CForce 600
- CF-Moto Terralander 800 / CForce 800
- CFMOTO UForce 550
- CFMOTO UForce 550 DLX EU167
- CFMOTO UForce 800 EX
- CFMOTO UForce 800 EX DLX EPS EU167
- CFMOTO ZForce 1000 EPS LOF
- CFMOTO ZForce 1000 Sport EPS
- CFMOTO ZForce 1000 Sport LOF
- CFMOTO ZForce 800 EU167
- CF-Moto Tracker 800 / UForce 800
- CPI Quad ATV
- CYR Quad ATV
- Dinli
- E-Ton Quad ATV
- Ering Quad ATV
-
Explorer Quad ATV
- Explorer Argon 330 S
- Explorer Argon 700 DELUXE
- Explorer Argon 700 DELUXE LOF
- Explorer Argon 700 XL
- Explorer Argon 750 EFI XL DLX
- Explorer Atlas 500 2x4 COMPACT
- Explorer Atlas 500 4x4 EDITION
- Explorer Atlas 500 4x4 XL
- Explorer Bazooka 625 4x4
- Explorer Bullet 50
- Explorer Defender EVO
- Explorer Discovery 200
- Explorer Everest 500 4x4 XL
- Explorer Grison 625 4x4 DELUXE
- Explorer Grumbler 500 4x4
- Explorer Patriot 430
- Explorer Protector 50
- Explorer Stinger 250
- Explorer Taurus 300
- Explorer Titan 300
- Explorer Tomahawk 170
- Explorer Tomahawk 200 mit Rückwärtsgang
- Explorer Tomahawk 200 ohne Rückwärtsgang
- Explorer Tomahawk 250 2006 mit Rückwärtsgang
- Explorer Tomahawk 250 2006 ohne Rückwärtsgang
- Exploroer Trasher 320 Autom. Supermoto
- Explorer Trasher 320 Autom. Supermoto
- Explorer Trasher 520 Supermoto
- Explorer Trasher 520 Supermoto LOF
- Explorer Trasher 520 Supersport
- Explorer Trasher 520 Supersport LOF
- Explorer Urano 750 EFI DLX
- Explorer Urano DLS 700
- GOES Quad ATV
- Herkules Quad ATV
-
Honda Quad ATV
- Honda TRX 90 Bj.93-00
- Honda TRX 125 Fourtrax Bj.85-88
- Honda TRX 250 FourTr. Rec. Bj.00-05
- Honda TRX 250 FourTr.Rec.ES
- Honda TRX 250 FourtraX
- Honda TRX 250 SporttraX
- Honda TRX 300 EX Fourtrax Bj.05-08
- Honda TRX 300 X FourtraX
- Honda TRX 350
- Honda TRX 350 FourTr. Ran. S ES Bj.01
- Honda TRX 400 EX Sporttrax Bj.00-04
- Honda TRX 400 Fourtrax AT Bj.04
- Honda TRX 400 Fourtrax Bj.00
- Honda TRX 400 Fourtrax Foreman Bj.01-03
- Honda TRX 450 Foreman
- Honda TRX 450 Foreman ES
- Honda TRX 450 SportraX
- Honda TRX 450R ER Bj.06-14
- Honda TRX 700XX
- Kawasaki Quad ATV
- Kreidler Quad ATV
- KTM Quad ATV
-
Kymco Quad ATV
- Kymco KXR 250
- Kymco KXR 250 Sport
- Kymco Maxxer 50
- Kymco Maxxer 50 mit Zulassung
- Kymco Maxxer 250
- Kymco Maxxer 300
- Kymco Maxxer 300 Supermoto
- Kymco Maxxer 300 Wide MMC
- Kymco Maxxer 300i Wide
- Kymco MXer 50 Bj.04-06
- Kymco MXer 150 Bj.04-06
- Kymco MXU 50
- Kymco MXU 150
- Kymco MXU 250
- Kymco MXU 250 R LG50AE AD
- Kymco MXU 250 S
- Kymco MXU 300
- Kymco MXU 300 R
- Kymco MXU 300 Wide
- PGO Quad ATV
- Polaris
- Rex Quad ATV
- SMC STM Quad ATV
- Suzuki Quad ATV
- SYM Quad ATV
-
Triton Quad ATV
- Triton Baja 50 Sport 2011
- Triton Baja 250 2010
- Triton Baja 250 2011
- Triton Baja 300 Crosser 2008-2010
- Triton Baja 300 Supermoto 2008-2010
- Triton Baja 400 Crosser 2008-2010
- Triton Baja 400 EFI LOF 2011
- Triton Baja 400 IRS
- Triton Baja 400 Supermoto 2008-2010
- Triton Black Lizard 400 EFI 2011
- Triton Outback 300 2008-2010
- Triton Outback 400 4x2 2009
- Yamaha Quad ATV
-
Access Quad ATV
-
Ersatzteile für Buggy
- Adly Buggy
- Aeon Buggy
- Herkules Buggy
- PGO Buggy
- Twister
-
Eppella ECM Buggy
- Eppella GK 125
- Eppella Kinderbuggy
- Eppella Buggy 150
- Eppella Strassenbuggy 150 II
- Eppella Strassenbuggy 150 III
- Eppella Strassenbuggy 150 I
- Eppella Strassenbuggy 250 I+II
- Eppella Strassenbuggy 250 Sport
- Eppella Strassenbuggy 250 III
- Eppella Straßenbuggy 250
- Eppella Kinderbuggy 45 III
- Eppella BUGGY 250
- TBM
- Tongian
- Kasea
- WangYe
- CF-Moto
-
Ersatzteile für Dreiradroller
- Aeon Dreiradroller
- Gilera Dreiradroller
- PGO Dreiradroller
-
Piaggio Dreiradroller
- Piaggio MP3 125
- Piaggio MP3 125 Hybrid
- Piaggio MP3 125 LT Hybrid
- Piaggio MP3 125 RL Touring
- Piaggio MP3 125 Yourban
- Piaggio MP3 250 i.e. Bremse Grimeca
- Piaggio MP3 250 i.e. LT
- Piaggio MP3 250 i.e. RL Br.Grimeca
- Piaggio MP3 300 LT Business ABS ASR
- Piaggio MP3 300 LT Sport Touring
- Piaggio MP3 300 LT Yourban
- Piaggio MP3 300 LT Yourban Sport
- Piaggio MP3 300 RL Yourban
- Piaggio MP3 400 i.e.
- Piaggio MP3 400 i.e. LT
- Piaggio MP3 400 i.e. RL
- Piaggio MP3 Quasar 250
- Adiva
-
Ersatzteile für Elektroroller
- Adly Elektroroller
- AGM Elektroroller
- E-Max
- E-Scooter Elektroroller
- E-Sprit
- E-Tropolis
- Ebretti
- EH-Line
- Emco
- Eppella
- Flex Tech Elektroroller
- Giantco Elektroroller
- Govecs
- Guewer
- Innoscooter
- IO
- Jonway Elektroroller
- Kreidler Elektroroller
- Kumpan
- Masini
- Rex Elektroroller
- Tauris Elektroroller
- Vectrix
- Vespino
- Ersatzteile für Karts
-
Ersatzteile für Motorräder
- Adly Motorrad
- Aprilia Motorrad
- Benelli Motorrad
- BMW
- Cagiva Motorrad
- Chunlan
- CPI Motorrad
-
Daelim Motorrad
- Daelim Altino 125
- Daelim Roadwin 125
- Daelim VJ 125 Roadwin
- Daelim VJ 125 Fi Fuel Injection
- Daelim VJF 125 Roadwin R ab Bj.11
- Daelim VL 125 Daystar Black Edition
- Daelim VL 125 Daystar E1
- Daelim VL 125 Daystar E2
- Daelim VL 125 Daystar E2 E2-Bj.04
- Daelim VL 125 Daystar E3
- Daelim VL 125 Daystar E3 ab Bj.13
- Daelim VL 125 Fi Daystar Fuel Injection
- Daelim VL /VL Classic Daystar
- Daelim VS 125
- Daelim VS 125-Bj.05
- Daelim VS 125 ccm
- Daelim VT 125 Evolution
- Daelim VT 125 ccm
- Daelim VT 125 Evolution Bj.00-05
- Daelim Roadwin 125
- Daelim VJF 125 Roadwin R
- Derbi Motorrad
- Ducati
- ECM Motorrad
- Fantic Motorrad
- GasGas
- Generic Motorrad
- Gilera Motorrad
- Harley-Davidson
- Hercules Motorrad
-
Honda Motorrad
- Honda CB 1300 Super Four
- Honda CB 400 Four
- Honda CB 500
- Honda CB 600 F Hornet
- Honda CB 600 F Hornet ABS
- Honda CB 650 F
- Honda CBF 600 ABS Bj.04-07
- Honda CBR 1000 RR Fireblade 1
- Honda CBR 600 F
- Honda CBR 600 F ABS
- Honda CBR 650 F
- Honda CBR 900
- Honda CBR 900 Fireblade Bj.92
- Honda FMX 650
- Honda FX 650 Vigor
- Honda GL 1500 F6C Valcyrie
- Honda MSX 125
- Honda MT 80 Bj.80
- Honda NS1
- Honda NT 650 Hawk Bj.88-90
- Honda NT 650 V Deauville
- Honda NTV 650 Revere
- Honda NX 650 Dominator
- Honda PC 800
- Honda PXR 50
- Honda SLR 650
- Honda VF 750 Magna
- Honda VFR 400 R
- Honda VFR 750 F
- Honda VFR 750R Bj.88
- Honda VFR 800
- Honda VFR 800 FI
- Honda VT 1100 Shadow Aero
- Honda VT 600 Shadow
- Honda VT 750 Black Widow
- Honda VT 750 Shadow
- Honda XL 600 Bj.83-84
- Honda XL 600 Paris Dakar
- Honda XLR 125 Bj.98-99
- Honda XR 250 Bj.81
- Honda XR 650L Bj.93-96
- Honda XR 750 V Africa Twin
- Husqvarna Motorrad
- Hyosung Motorrad
- Italjet Motorrad
- Jinan Qingqi Motorrad
- Jincheng Motorrad
-
Kawasaki Motorrad
- Kawasaki ER-6N ABS
- Kawasaki EX 250R Bj.11-12
- Kawasaki KLR 600
- Kawasaki KLX 110 Bj.10-11
- Kawasaki KLX 125
- Kawasaki KLX 650 Bj.93-96
- Kawasaki KMX 125
- Kawasaki Z 1000 1
- Kawasaki Z 1000 ABS 1
- Kawasaki Z 1000 SX 1
- Kawasaki Z 250
- Kawasaki Z 650F
- Kawasaki Z 750 Bj.80
- Kawasaki ZX-10R Ninja
- Kawasaki ZX-6R Ninja
- Kawasaki ZX-9R Ninja
- Kawasaki ZXR 750
- Kawasaki ZZR 1100 1
- Kawasaki ZZR 600
- Keeway Motorrad
-
Kreidler Motorrad
- Kreidler AMC-D 125
- Kreidler Florett 125E
- Kreidler Florett 125G
- Kreidler Florett 50
- Kreidler Florett 50 25 km/h Bj.96-98
- Kreidler Flory 125 Classic
- Kreidler Flory 25-50-Bj.01
- Kreidler Flory 50
- Kreidler Mustang 125
- Kreidler SUPERMOTO 125
- Kreidler Enduro 125
- Kreidler Lusignio 125 DD
- Kreidler Supermoto 250 DD
- Kreidler DICE CR 125i
- DICE CR 125i NPJ edition
- DICE GS 125
- DICE GS 125 pro
- DICE GS 125i
- DICE SM 125
- DICE SM 125 pro
- DICE SM 125i
- DICE SM 50 LC
- Kreidler SUPERMOTO 125 Disc
- Kreidler Enduro 125 DD
- Kreidler Dice CR125
- Kreidler SUPERMOTO 125 DD
- Kreidler Supermoto 50 DD
- Kreidler Supermoto 125 2012 WK1SM...
- KTM Motorrad
- Kymco Motorrad
- Luxxon Motorrad
- Rex Motorrad
- Rieju Motorrad
- Sachs Motorrad
- Siamoto Motorrad
- Simson Motorrad
- SMC Motorrad
- Supermoto
-
Suzuki Motorrad
- Suzuki A 450 W
- Suzuki A 450 WR
- Suzuki AN 125
- Suzuki AN 150
- Suzuki Burgman AN 250 Bj.01-02
- Suzuki Burgman AN 400 ABS Bj.09-12
- Suzuki Burgman AN 400 Bj.00-02
- Suzuki AN 650
- Suzuki AN 650 ABS
- Suzuki DR 125 Bj.82-84
- Suzuki DR 250
- Suzuki GSX 1300 R Hayabusa 1
- Suzuki GSX-R 750
- Suzuki GSX-R 750 W
- Suzuki Intruder M800
- Suzuki Katana 50 AC Bj.99
- Suzuki Katana 50 LC Bj.99
- Suzuki Katana A 50
- Suzuki Marauder 800
- Suzuki RG 80 Gamma
- Suzuki Street Magic 50 TR50
- Suzuki TS 125 Bj.73-75
- Suzuki TS 80
- Suzuki TS 80X
- Suzuki VL 800
- Suzuki VL 800 Volusia
- SYM Sanyang Motors Motorrad
-
Triumph
- Triumph America 865
- Triumph Bonneville 800
- Triumph Bonneville 865
- Triumph Bonneville T100
- Triumph Daytona 955
- Triumph Daytona 955 Limited
- Triumph Daytona 955 bis Fgst-Nr: 132512
- Triumph Scrambler 865
- Triumph Speed Triple 955
- Triumph Speedmaster 800
- Triumph Speedmaster 865
- Triumph Sprint 955RS
- Triumph Sprint 955ST
- Triumph Thruxton 865
- Triumph Tiger 900
- Triumph Tiger 955
- Triumph Trophy 1200
- Triumph Trophy 900
- Xintian
-
Yamaha Motorrad
- Yamaha DT 125 R
- Yamaha DT 125 X Supermoto
- Yamaha DT 50 R
- Yamaha FJ 1200
- Yamaha FJ 1200 ABS
- Yamaha FZR 1000 Exup 1
- Yamaha FZR 600 Genesis
- Yamaha GTS 1000
- Yamaha GTS 1000 ABS
- Yamaha SZR 660 Bj.96-98
- Yamaha TDM 850
- Yamaha TDM 900
- Yamaha TDM 900 ABS
- Yamaha TRX 850
- Yamaha TT 600 S Bj.93-95
- Yamaha TT 600E Bj.96-98
- Yamaha TT-R 125 Bj.02-08
- Yamaha WR 250 F
- Yamaha XJ 600 Bj.00-03
- Yamaha XJ 900 Diversion
- Yamaha XJR 1200
- Yamaha XT 600 E Bj.90
- Yamaha XT 600 K Bj.90
- Yamaha XT 660Z Tenere Bj.08-09
- Yamaha XV 535 Virago
- Yamaha XVS 125 Drag Star
- Yamaha XVS 650 Drag Star
- Yamaha XVS 650 Drag Star Clas.
- Yamaha YP 125 Majesty
- Yamaha YZF-R1 1000 1
- Yamaha YZF-R6 600
- Zongshen Motorrad
- Alle Ersatzteile
-
Ersatzteile für Motorroller
- Top-Marken
- Service
-
Zubehör
- Bekleidung
- Handbücher
- Helme
- Schmiermittel (Öle)
- Batterien
- Zündkerzen Zubehör
- Batteriezubehör
- Buggyrahmen
- Bremsscheibenschlösser
- Windschilde
- Faltgaragen
- Reiniger
- Topcase/Helmkoffer
- Fernsteuerung Zubehör
- Kombitasche Zubehör
- Nerf-Bars
- Schneeketten
- Schneeschild
- Stoßstange Zubehör
- Werkzeug Zubehör
- Ausbesserungslack
- Alarmanlage
- Anhängerkupplung
- Lautsprecher / Soundsysteme
- Tretroller
- Ersatzteilbücher
Produkte filtern