Logo easyCredit Ratenkauf
 
  • Haken Check Anlieferung durch eigenes Personal
  • Haken Check Einweisung kostenlos bei Lieferung
  • Haken Check Deutschlandweiter Vor-Ort-Service
  • Haken Check Meisterfachbetrieb seit ü. 30 Jahren
zu Artikel: Tachowelle 870mm Einbaulänge mit Überwurfmutter und Schlitz, oben mit Vierkant... mehr
Produktinformationen

zu Artikel: Tachowelle 870mm Einbaulänge mit Überwurfmutter und Schlitz, oben mit Vierkant

Tachowelle 870mm Einbaulänge mit überwurfmutter und mit Schlitz, oben mit Vierkant JSD139QMB

Technik-Info

Der Artikel: Tachowelle

auch zu finden unter: Tachoantrieb, Antriebswelle, Tacho-Welle, Tachoantriebswelle, Tachowelle, Tacho-Antrieb, Tachometerwelle

Tachowelle, auch Antriebswelle, Tachoantriebswelle, Tachoantrieb genannt. Wird bei den meisten Fahrzeugen verwendet. Am Fahrzeug bitte genau überprüfen, wie die Tachowelle unten befestigt ist und wie sie angetrieben wird. Dabei sollte die alte Welle auch mit dem Artikelbild verglichen werden. Bitte messen sie vor der Bestellung die Länge Ihrer Tachowelle. Bei neueren Modellen kann es zu Abweichungen kommen. Sollte Ihre Tachowelle etwas kürzer sein, spielt dies keine Rolle. Längere Wellen können immer bedenkenlos eingebaut werden.

Dieser Artikel wurde hergestellt für Fahrzeuge der Marke:

Rex

Erstausrüsterqualität sehr gute Verarbeitung günstiger Preis

Unsere Ersatzteile für ihren Roller bzw. Motorroller oder auch Scooter können Sie bequem online in unserem Shop kaufen. Egal ob sie Ihren Roller im Baumarkt oder im Kaufhaus gekauft haben, für alle gängigen Taiwan-, Europa-, oder China-Roller finden Sie bei uns passende Bauteile, insbesondere für die Motoren 50 cc, 125 cc, 250 ccm, 2-Takt, 4-Takt und für größere Leistungen. Speziell für die Motorentypen GY6 ,139QMB, 139QMA, JSD139QMB ,157QMJ, 158MJ ,1E40QMB, 1E40QMA ,150QMG ,153FMI, 156FMI ,125-4T6M ,164FML ,152QMI, 157QMI ,139FMB in kurzen und langen Versionen in den Normen Euro1, Euro2, Euro3 sowie die neuen Euro 4 Einspritzer-Motoren finden Sie Ersatzteile von bewährter Qualität. Gerne können Sie auch per Email nach Ersatzteilen anfragen. Bei Bestellwerten über 100 Euro können Sie auch unseren Ratenkauf- bzw. Finanzierungs-Service nutzen. Beim Kauf von Fahrzeugen können wir Ihnen auch ein Leasing-Angebot unterbreiten, das bietet sich insbesondere für Firmen an, die Betriebsfahrzeuge anschaffen, oder ihren Mitarbeitern ein Fahrzeug zur Verfügung stellen. Bitte fragen Sie an.

Diese Frage stellt sich immer dann, wenn etwas am Roller kaputt gegangen ist, ganz egal, ob sich um einen Elektroroller beziehungsweise E-Roller, Dreirad-Roller oder Motorroller dreht. Ein weiterer Aspekt ist, dass ein neues Teil nicht bloß günstiger ist als eine Reparatur, sondern anschließend auch eine erheblich größere Funktionssicherheit bietet. Ein versteckter Defekt lässt sich oft nur von einem Fachmann mittels Spezialwerkszeugen eruieren. Eine vernünftige Alternative wäre es in einem solchen Fall, eines unserer einbaufertigen Ersatzteil-Kits, welche wir für viele unterschiedliche Komponenten im Programm haben, zu ordern. .

Die Qualität unserer sämtlichen Bauteile entspricht dem Weltmarktniveau. Wie kommt es, dass wir so günstig sein können? Die Antwort lautet: Weil wir bereits beim Einkauf auf entsprechend große Produktmengen wert legen. Diese zwei Merkmale, nämlich auf der einen Seite die gute Qualität und zum anderen der bezahlbare Preis heben uns überwiegend von unseren Konkurrenten ab.

Sie suchen für einen Eppella oder Sundiro Roller ein Bauteil? Keine Sorge, wir haben sie lieferbar.

Wer darauf Wert legt, bekommt bei uns natürlich auch das Originalteil für seinen Motorroller. Die meisten fassen nichtsdestotrotz wegen der guten Preise und der Erstausrüster-Qualität unsere Nachbauten ins Auge. Ganz gleich, ob Sie die Reparatur an Ihrem Roller selber bewerkstelligen wollen oder besser in einer Werkstatt ausführen lassen möchten, auf alle Fälle liegen Sie mit unseren Teilen vollkommen richtig. Es gibt voraussichtlich keine bessere Alternative, durch die Sie zu attraktiven Preisen und in guter Qualität Ihren Roller reparieren können.

In unserem Online-Shop gibt es reichlich Bildmaterial, das Ihnen hilft, Ihr defektes Element auf einfache Weise mit dem erhältlichen Ersatz zu vergleichen. Hierdurch können Falsch- oder Fehllieferungen hinsichtlich fehlerhafter Bestellungen bereits im Vorfeld ausgeschlossen werden. Achten Sie bitte speziell auf die Übereinstimmung des defekten Austauschteils mit dem abgebildeten Artikel; speziell was die deklarierten Dimensionen und technischen Angaben angeht.

Auf welche Weise Sie davon profitieren:

  • Präzisionsfertigung nach DIN-Norm
  • Auch bei kostengünstigen Nachbauten bekommen Sie von uns stets die Erstausrüsterqualität
  • Komponenten und Zubehör für circa 250 Marken und 8500 Modelle auf Lager
  • Sie bezahlen nur einmal Versandkosten beim Ordern mehrerer Ersatzteile mit denselben Lieferbedingungen
  • Absolute Verkehrssicherheit des Zweirads, besonders bei den Bremsen
  • Unsere sämtlichen Erzeugnisse sind preiswert, langlebig und gebrauchstauglich
  • Wir holen und bringen Ihr Zweirad
  • Kauf ohne Risiko dank "Geld zurück" - Garantie
  • Roller-Ankauf zu fairen Preisen
  • Kurzfristige Lieferzeiten
  • Am besten kaufen Sie Motorroller, Fun Fahrzeuge, Straßenbuggys und Quads in einem Fachbetrieb wie den unsrigen. Weswegen sollten Sie sich an uns wenden? Weil wir die Meister-Qualifikation und das entsprechende Know-how besitzen, die für dieses Geschäftsfeld auf jeden Fall notwendig sind. Für unseren Familien betrieb ist das Geschäft rund um die Motorroller der gesamte Lebensinhalt.

    Es ist nicht in jedem Fall sinnvoll, seinen Motorroller beim nächsten x-beliebigen Händler zu kaufen. Darum ist es unverzichtbar, sich das ausgewählte Fachgeschäft vorab genau anzugucken. in unserem Unternehmen ist alles für den Käufer zu 100 Prozent nachvollziehbar! Gerne können Sie uns einen Besuch abstatten, um sich über uns selber ein Bild zu machen.Das was Sie dort feststellen, wird Sie definitiv überzeugen.

    Kunden, denen die Anfahrtsstrecke zu uns zu weit ist, können sich von zu Hause aus durch die unterschiedlichen Ebay Bewertungen und des Trustedshops-Siegels über uns informieren. Die Benotungen von Trustedshops sind prinzipiell nicht nur sehr aussagekräftig, sondern auch hundertprozentig wertneutral. Sowohl der Verkaufsshop auf unserer Firmenwebseite Motorroller.de als auch unsere Geschäftspraktiken wurden von dieser Institution bisher durchweg mit "sehr gut" eingestuft. Was unsere Kundenbewertungen ebenfalls in einem Bereich, der sich sehr wohl sehen lassen kann. All diese Ergebnisse lassen ohne Zweifel nur einen einzigen Schluss zu: Wir geben in allen Belangen stets unser Bestes!

    Bedenken Sie aber, dass wir keine Maschinen sondern auch nur Menschen sind, denen ein Fehler passieren kann. Wenn also etwas nicht vollständig zu Ihrer Zufriedenheit geklappt hat, bitten wir Sie, uns die Gelegenheit zu geben, die Angelegenheit in Ordnung zu bringen.

    Unser Expertenteam steht Ihnen täglich zwischen 8:00 und 18:00 Uhr sowie samstags von 8:00 bis 13:00 Uhr zur Verfügung.

    Wir tun alles, damit unsere Kundschaft zufrieden ist. Vor über fünfzig Jahren nahm die geschäftliche Tätigkeit unseres Unternehmens im Bereich Maschinenbau ihren Anfang, während den Handel mit Zweirädern inzwischen auch schon seit mehr als 25 Jahren Erfolg versprechend ausgebaut werden konnte. Gegenwärtig haben wir uns auf Ersatzkomponenten, das "Nice-to-have" zur Leistungssteigerung und Fahrzeugzubehör für die häufigsten Motorroller spezialisiert.

    Bei uns finden Sie unter Motorroller.de nahezu alle Einbauteile und Roller aus Fernost und Europa. Wir haben Artikel, Einbaukomponenten und passendes Zubehör für circa 250 Marken und 8500 Typen auf Lager. Beispielsweise arbeiten wir bereits jahrelang mit so namhaften Herstellern wie Yamaha, Kreidler, Jonway oder Adly zusammen. Es sind rund 500.000 Produkte von verschiedenen zahlreicher Produzenten, welche wir in unserem Hochregallager auf einer Lagerfläche von über 1.000 m² sofort lieferbar haben. Unser Zubehörlager bietet demnach alles, was man als Rollerfahrer braucht.

    Das beginnt beim Top Case über die Sturzhelme und den Windschildern, und geht bis hin zu Handschuhen, Nierengürteln und Regensets.Damit die Tuningfreaks nicht zu kurz kommen, haben wir für sie ausgewählte Artikel wie Auspuffanlagen, Zylinder, Kolben und andere Dinge im Produktsortiment.

    Kein Artikel verlässt unser Haus, bevor er nicht auf tadellose Qualität geprüft worden ist. Anders ausgedrückt, sämtliche Roller, die den Hersteller verlassen haben, werden von uns nochmals gründlich auf etwaige Fehler beziehungsweise Transportschäden untersucht, ehe wir sie in die Hände unserer Kunden übergeben. Wir packen zuallererst jeden Motorroller nach der Ankunft in unserem Haus aus und unterziehen es auf unserem computergesteuerten Zweirad-Prüfstand einem Probelauf. Ein letzter Funktionstest erfolgt dann im Anschluss der Übergabe an den Käufer. Auf diese Weise ist gesichert, dass das Fahrzeug sich de facto in einem tadellosen Zustand befindet und den Kunden hundertprozentig zufriedenstellt.

    Der Umweltschutz liegt uns sehr am Herzen. Unsere Roller verfügen einerseits durchweg über einen effizienten Motor. Selbstverständlich nehmen wir im Sinne des Umweltschutzes das Verpackungsmaterial wieder mit, welches bei der Auslieferung unserer Motorroller anfällt und führen es einer fachgemäßen Entsorgung zu.

    Nach dem Kauf eines neuen Rollers aus unserem Sortiment möchten Sie sich von Ihrem ausgedienten Fahrzeug trennen? Seien Sie deswegen unbesorgt! Lassen Sie das unsere Sorge sein, indem wir Ihren gebrauchten Motorroller ankaufen.

    Dann geben Sie uns doch die Chance, Sie von unseren Leistungen zu begeistern. Man darf uns nicht mit den zahlreichen billigen Verkaufsshops, auf eine Stufe stellen, die heute kommen und morgen schon wieder weg sind. In unserem fortwährend wachsenden Betrieb steht Fleiß und ständiges Lernen in der Rangordnung ganz oben, weil wir wissen, dass sich ausschließlich durch neue Ideen und fortschrittliche Innovationen das Know-how für eine solide geschäftliche Grundlage erzeugen lässt. Besuchen Sie uns doch einmal in unserem Unternehmen in Lindenfels-Eulsbach und überzeugen Sie sich persönlich von unserem vorzüglichen Service.

    Lindenfels liegt rund 60 km im Süden von Frankfurt/Main und 40 km nordöstlich von Mannheim im Odenwald (Regierungsbezirk Darmstadt). Alternativ ist es logischerweise auch möglich, mit der Bahn anzureisen.

    Hubraum: 50 ccm
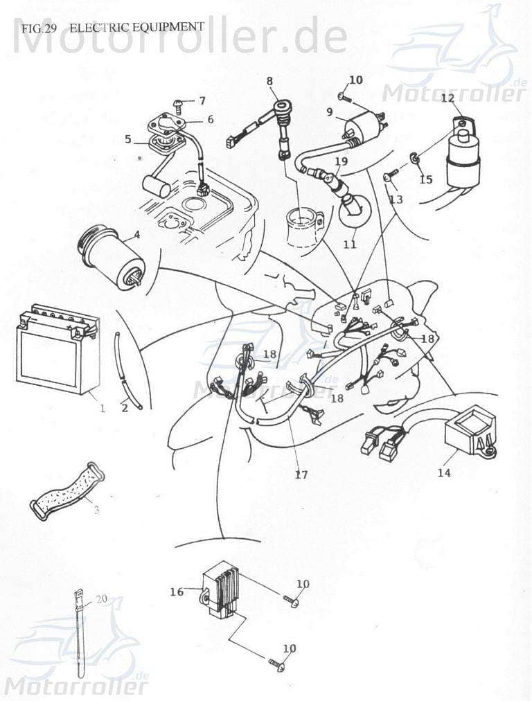
    Artikelposition in Explosionszeichnung: 3
    Farbe: schwarz
    Baugruppe: Rahmen
    Teilehersteller: AGM
    Motortyp: 139QMA;139QMB
    Position: oben
    Takt: 4 Takt
    Version: mit Schlitz;mit Überwurfmutter
    Länge: 870 mm
    Ersatzteil: Tachowelle
    • Adly Panther 50
    • Baotian BT49QT 9 Sprint 50
    • Baotian BT49QT-12 Go 50 L84TCAPC
    • Baotian BT49QT-12 Go 50 LX6TCAPC
    • Baotian BT49QT-2
    • Baotian BT49QT-7
    • Baotian BT49QT-9D1
    • Benzhou Yiying City Star 50 YY50QT
    • Benzhou Yiying Formula 2000 YY50QT 6A
    • Benzhou Yiying Retro Star 50 YY50QT 15
    • Buffalo Wind 50
    • Ering Big Panther 50
    • Ering Hero 50
    • Ering Red Wing 50 L84TCAP
    • Ering Red Wing 50 LX6TCAP
    • Ering Retro 50 (Einsitzer)
    • Ering Retro 50 Zweisitzer
    • Ering Rocky 50
    • Ering Smart Rider 50
    • Ering Speedy 50 BT50QT-3N
    • Ering Speedy 50 BT50QT-9N
    • Ering Sprint 50
    • Famila Rex Moto 50
    • Flex Tech Hurrican X1 JL50QT 4
    • Flex Tech Hurrican X2 YY50QT 26
    • Giantco Sprint 50
    • Hagebau Formula 2000 L84TCAPC 50ccm
    • Hagebau Retro Venus 50
    • Jinan Qingqi Flory 50
    • Jinan Qingqi QM50QT-6S
    • Jinan Qingqi QM50T-10V
    • Jinan Qingqi Speedy 50
    • Jinlun Fighter 50 JL50QT 5
    • Jinlun JL50QT-4
    • Jinlun JL50QT-5B
    • Jinlun Starquad 50 JL50QT-5C
    • Karcher KM 50
    • Karcher KM 50-10
    • Kinroad XT50QT
    • Kreidler Flory 50 45 km/h Roller
    • Kreidler RMC-E 50 Florett Roller
    • Longjia LJ50QT-E
    • MKS Ecobike 50
    • Moto Zeta Rally 50
    • Motorro Clea 50
    • Motorro Cobi 50
    • Motorro Desire 50 BT49QT 12
    • Motorro Hawk 50
    • Otto Versand Ering Red Wing 50
    • Otto Versand Formula 2000 L84TCAPC
    • Otto Versand Formula 2000 LX6TCAPC
    • Otto Versand Rex RS 400
    • Otto Versand Sprint 50
    • Otto Versand Venus 50
    • Praktiker JL 50 25 km/h
    • Praktiker JL 50 45 km/h
    • Quelle Versand Buffalo Hero 50
    • Quelle Versand Buffalo Rocky 50
    • Quelle Versand Buffalo Speedy 50
    • Quelle Versand Buffalo Warrior 50
    • Quelle Versand Buffalo Wind 50 25 km/h
    • Quelle Versand Buffalo Wind 50 45 km/h
    • Real Flex Tech Fun 50 L84TCAPC
    • Real Flex Tech Fun 50 LX6TCAPC
    • Rex RS 450
    • Rex RS 460 BOSTON 8
    • Rex RS 500 QM50QT 6A-AQINGQI
    • Rex RS 600 QM50QT-2
    • Rex RS 700 QM50QT-10A
    • Rex RS 900 QM50T 10A-A
    • Schlecker RexMoto 50
    • Selgros Top-Speed
    • Sukida Dolphin 50
    • Sukida Giantco Venus 50 SK50QT
    • Sukida Roma 50 SK50QT 9
    • Sukida SK50QT
    • Sukida SK50QT-A
    • Sukida Sprint 50 10 Zoll SK50QT A
    • Sukida Sprint 50 12 Zoll SK50QT B
    • Tokaido Neckermann Warrior 50 L84TCAPC
    • Xinling XL 50 QT-B
    • Xintian Kinroad XT50QT
    • ZhongYu ZY50QT-7 50. MKS Eco Bike
    • Zongshen Cab 50 45 km/h
    • Zongshen ZS 50 QT-4
    • Zongshen ZS 50 QT-7
    • Aprilia Dorsoduro 1200
    • Baotian BT49QT 11 Retro 50
    mehr
    • Adly Panther 50
    • Baotian BT49QT 9 Sprint 50
    • Baotian BT49QT-12 Go 50 L84TCAPC
    • Baotian BT49QT-12 Go 50 LX6TCAPC
    • Baotian BT49QT-2
    • Baotian BT49QT-7
    • Baotian BT49QT-9D1
    • Benzhou Yiying City Star 50 YY50QT
    • Benzhou Yiying Formula 2000 YY50QT 6A
    • Benzhou Yiying Retro Star 50 YY50QT 15
    • Buffalo Wind 50
    • Ering Big Panther 50
    • Ering Hero 50
    • Ering Red Wing 50 L84TCAP
    • Ering Red Wing 50 LX6TCAP
    • Ering Retro 50 (Einsitzer)
    • Ering Retro 50 Zweisitzer
    • Ering Rocky 50
    • Ering Smart Rider 50
    • Ering Speedy 50 BT50QT-3N
    • Ering Speedy 50 BT50QT-9N
    • Ering Sprint 50
    • Famila Rex Moto 50
    • Flex Tech Hurrican X1 JL50QT 4
    • Flex Tech Hurrican X2 YY50QT 26
    • Giantco Sprint 50
    • Hagebau Formula 2000 L84TCAPC 50ccm
    • Hagebau Retro Venus 50
    • Jinan Qingqi Flory 50
    • Jinan Qingqi QM50QT-6S
    • Jinan Qingqi QM50T-10V
    • Jinan Qingqi Speedy 50
    • Jinlun Fighter 50 JL50QT 5
    • Jinlun JL50QT-4
    • Jinlun JL50QT-5B
    • Jinlun Starquad 50 JL50QT-5C
    • Karcher KM 50
    • Karcher KM 50-10
    • Kinroad XT50QT
    • Kreidler Flory 50 45 km/h Roller
    • Kreidler RMC-E 50 Florett Roller
    • Longjia LJ50QT-E
    • MKS Ecobike 50
    • Moto Zeta Rally 50
    • Motorro Clea 50
    • Motorro Cobi 50
    • Motorro Desire 50 BT49QT 12
    • Motorro Hawk 50
    • Otto Versand Ering Red Wing 50
    • Otto Versand Formula 2000 L84TCAPC
    • Otto Versand Formula 2000 LX6TCAPC
    • Otto Versand Rex RS 400
    • Otto Versand Sprint 50
    • Otto Versand Venus 50
    • Praktiker JL 50 25 km/h
    • Praktiker JL 50 45 km/h
    • Quelle Versand Buffalo Hero 50
    • Quelle Versand Buffalo Rocky 50
    • Quelle Versand Buffalo Speedy 50
    • Quelle Versand Buffalo Warrior 50
    • Quelle Versand Buffalo Wind 50 25 km/h
    • Quelle Versand Buffalo Wind 50 45 km/h
    • Real Flex Tech Fun 50 L84TCAPC
    • Real Flex Tech Fun 50 LX6TCAPC
    • Rex RS 450
    • Rex RS 460 BOSTON 8
    • Rex RS 500 QM50QT 6A-AQINGQI
    • Rex RS 600 QM50QT-2
    • Rex RS 700 QM50QT-10A
    • Rex RS 900 QM50T 10A-A
    • Schlecker RexMoto 50
    • Selgros Top-Speed
    • Sukida Dolphin 50
    • Sukida Giantco Venus 50 SK50QT
    • Sukida Roma 50 SK50QT 9
    • Sukida SK50QT
    • Sukida SK50QT-A
    • Sukida Sprint 50 10 Zoll SK50QT A
    • Sukida Sprint 50 12 Zoll SK50QT B
    • Tokaido Neckermann Warrior 50 L84TCAPC
    • Xinling XL 50 QT-B
    • Xintian Kinroad XT50QT
    • ZhongYu ZY50QT-7 50. MKS Eco Bike
    • Zongshen Cab 50 45 km/h
    • Zongshen ZS 50 QT-4
    • Zongshen ZS 50 QT-7
    • Aprilia Dorsoduro 1200
    • Baotian BT49QT 11 Retro 50

    Motorroller bequem Online kaufen - von der Bestellung bis zur Lieferung

    Mobiler Home Service – Bundesweit Inspektionen und Reparaturen

    Motorroller.de – Über uns – Ihr Support vom Profi - seit 1993

    Rex RS460 Tachowelle Antriebswelle Tachoantrieb Motorroller.de Tacho-Welle 50ccm 4Takt 139QMB JSD50QT-13 50cc 4T 139QMA Tachometerwelle

    8,57 € *

    inkl. MwSt. zzgl. Versandkosten

    Download

    8,57 € * Rex RS460 Tachowelle Antriebswelle Tachoantrieb Motorroller.de Tacho-Welle 50ccm 4Takt 139QMB JSD50QT-13 50cc 4T 139QMA Tachometerwelle
    8.57

    Lieferzeit ca. 14 Werktage, sofern beim Vorlieferanten verfügbar

    Ratenkauf bei easyCredit geht ohne Papierkram u. ohne Post Ident
    easyCredit von 103 Ratenkrediten als bester ausgezeichnet!
    Die Kundenentscheidung: easyCredit erhält die Note "sehr gut" und Platz 1 von 103 Ratenkrediten. Mit 4,9 von 5 Sternen bewerten die Kunden easyCredit damit als sehr positiv.

    Finanzierung ab 200€ Bestellwert.
    PayPal Amazon Pay Visa Mastercard EasyCredit CreditPlus Expokredit Sofort Überweisung Finanzkauf Vorkasse
    • REX-251196
    • Motorroller.de
    • 3
    • Weitere Ersatzteile: Ersatzteile
    Der Artikel trifft demnächst wieder in unserem Lager ein
    14 Tage Rückgaberecht
    Schneller DPD Versand
    Zuletzt angesehen
    Rückruf vereinbaren
    Rückruf vereinbaren
    Rückruf erfolgreich angefordert.
    Formular konnte nicht verarbeitet werden.