Der Bremssattel beherbergt die Bremsbacken und die Bremskolben. Er ist das feststehende Teil der Scheibenbremse. Er ist auf das Fahrwerk und die Bremsscheibe abgestimmt.
Dieser Artikel wurde speziell hergestellt für:
Rex Milano 50 50ccm 4Takt
Geprüfte Erstausrüsterqualität beste Verarbeitung günstiger Preis Direktimport Kauf vom Großvertreiber
Unsere Ersatzteile für ihren Motorroller bzw. Scooter oder auch Roller können Sie bequem online in unserem Shop kaufen. Egal ob sie Ihren Roller im Kaufhaus oder im Baumarkt gekauft haben, für alle gängigen China-, Europa-, oder Taiwan-Roller finden Sie bei uns passende Bauteile, insbesondere für die Motoren 50 cc, 125 cc, 250 ccm, 4takt, 2takt und für größere Leistungen. Speziell für die Motorentypen 152QMI, 157QMI ,164FML ,153FMI, 156FMI ,1E40QMB, 1E40QMA ,139QMB, 139QMA, JSD139QMB ,150QMG ,125-4T6M ,157QMJ, 158MJ ,GY6 ,139FMB in kurzen und langen Versionen in den Normen Euro1, Euro2, Euro3 sowie die neuen Euro 4 Einspritzer-Motoren finden Sie Ersatzteile von bewährter Qualität. Gerne können Sie auch per Email nach Ersatzteilen anfragen. Bei Bestellwerten über 100 Euro können Sie auch unseren Finanzierungs- bzw. Ratenkauf-Service nutzen. Beim Kauf von Fahrzeugen können wir Ihnen auch ein Leasing-Angebot unterbreiten, das bietet sich insbesondere für Firmen an, die Betriebsfahrzeuge anschaffen, oder ihren Mitarbeitern ein Fahrzeug zur Verfügung stellen. Ihre Anfrage nehmen wir gerne entgegen
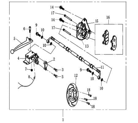
Artikelposition in Explosionszeichnung: 13
Baugruppe: Rahmen
Position: vorn links
Ersatzteil: Bremssattel
Motorroller bequem online kaufen – von der Bestellung bis zur Lieferung
Mobiler Home Service – Bundesweit Inspektionen und Reparaturen
Motorroller.de – Über uns – Ihr Support vom Profi seit 1993
Ihr Finanzierungsplan**
Monate
Rate mtl.
Gesamt
60
39,67 €
2.380,49 €
12
157,59 €
1.891,14 €
Einfach im Bestellvorgang die Expokredit-Finanzierung als Zahlungsweise auswählen ...
zu Artikel: Birne Halogen 12V 25 / 25W Sockel BA20D Scheinwerfer. mit E-Marke 2Takt 50ccm YY50QT-28 1E40QMBScheinwerferbirne Halogen Birne Halogen 12V 25/25W Sockel BA20D Scheinwerfer. mit E-Marke 2Takt 50ccm YY50QT-28 Motortyp: 1E40QMB Technik-Info Halogenbirne auch zu finden unter: Scheinwerferbirne Halogen, Halogenbirne, Frontscheinwerfer-Birne Halogen, Frontscheinwerferbirne Halogen, Hauptscheinwerferbirne Halogen, Scheinwerferlampe Halogen, Leuchtmittel Halogen, Glühbirne Halogen, Gluehbirne Halogen, Leuchte Halogen, Birne Halogen, Hauptscheinwerfer-Birne Halogen, Scheinwerfer-Birne Halogen, Scheinwerfer-Lampe Halogen Birne,Glassockellampe,Standlichtbirne,Innenleuchte,Leuchtmittel,Tachobirne,Glühbirne, auch Leuchte genannt. Die Sockel der Birnen variieren bei den verschiedenen Modellen. Vergleicht bitte den Sockel ihrer alten Birne um bei der Bestellung auf Nummer sicher zu gehen! Halogenbirnen: bieten sehr helles Licht durch Halogenglaskolben was sich sehr gut auf das Sehen und Gesehen werden auswirkt. Die Lichtleistung wird um 34-45% erhöht. Das Umschalten zwischen Abblend- und Fernlicht geht schneller als bei einer herkömmlichen Lampe. Dieser Artikel wurde hergestellt für Fahrzeuge der Marke:Jonway und AGM Erstausrüsterqualität top Verarbeitung günstig Unsere Ersatzteile für ihren Motorroller bzw. Scooter oder auch Roller können Sie bequem online in unserem Shop kaufen. Egal ob sie Ihren Roller im Kaufhaus oder im Baumarkt gekauft haben, für alle gängigen China-, Taiwan-, oder Europa-Roller finden Sie bei uns passende Bauteile, insbesondere für die Motoren 50 cc, 125 cc, 250 ccm, 2takt, 4takt und für größere Leistungen. Speziell für die Motorentypen 152QMI, 157QMI ,139FMB ,164FML ,150QMG ,1E40QMB, 1E40QMA ,139QMB, 139QMA, JSD139QMB ,GY6 ,125-4T6M ,153FMI, 156FMI ,157QMJ, 158MJ in kurzen und langen Versionen in den Normen Euro1, Euro2, Euro3 sowie die neuen Euro 4 Einspritzer-Motoren finden Sie Ersatzteile von bewährter Qualität. Gerne können Sie auch per Email nach Ersatzteilen anfragen. Bei Bestellwerten über 100 Euro können Sie auch unseren Finanzierungs- bzw. Ratenkauf-Service nutzen. Beim Kauf von Fahrzeugen können wir Ihnen auch ein Leasing-Angebot unterbreiten, das bietet sich insbesondere für Firmen an, die Betriebsfahrzeuge anschaffen, oder ihren Mitarbeitern ein Fahrzeug zur Verfügung stellen. Ihre Anfrage nehmen wir gerne entgegen Tauschen oder reparieren - was ist die sinnvollere Option?Wird mal irgendetwas am Roller fehlerhaft, dann hat man im Regelfall zwei Optionen: Instandsetzen oder Austauschen. Da ist es unerheblich, ob es sich dabei um einen ganz egal, ob sich um einen Elektroroller bzw. E-Roller, 3-Rad Roller oder Motorroller handelt. Was man gleichermaßen nicht vergessen darf: Ein Ersatzteil ist nicht nur rasch gewechselt, sondern macht das Zweirad auch bedeutend funktionssicherer als eine Reparatur. Die Ursache einer Funktionsstörung kann zumeist nur von einer qualifizierten Fachwerkstatt ermittelt werden. Eine vernünftige Alternative wäre es dann, eines unserer fertigen Kits, die wir für zahlreiche diverse Bauteile anbieten, zu ordern. .Elemente von bester QualitätDie Qualität unserer Produkte braucht auf dem Weltmarkt keine Konkurrenz zu befürchten. Wir können allein deswegen so günstig sein, weil wir bei unseren Lieferanten alle Komponenten in ausreichend großen Stückzahlen einkaufen. Für den Fall, dass Ihr motorisiertes Zweirad einmal ein neues Bauelement benötigt, wenden Sie sich voll Vertrauen an uns. Sie bekommen bei uns stets beste Qualität zu einem attraktiven Preis. Auch für Roller, Buggys und Quads, die nicht mehr hergestellt werden, haben wir im Prinzip die Zubehörteile lieferbar. So beispielsweise für die Marken Sundiro und Eppella.Wir haben natürlich auch die Originalteile etlicher Rollerproduzenten auf Lager, obgleich unsere Nachbauten mit den Originalen qualitativ auf alle Fälle mithalten können und trotzdem vom Preis her zumeist um einiges preisgünstiger sind. Unsere Bauteile versetzen Sie in die Lage, einerseits die Reparatur an Ihrem Motorroller selber ausführen oder andererseits auch in einer Fachwerkstätte ausführen zu lassen. Sie werden vermutlich keine andere Alternative finden, um zu günstigen Kosten Ihren Motorroller reparieren zu können.Unter Zuhilfenahme der Abbildungen ist das Auffinden der gewünschten Komponenten ein KinderspielBei den Erläuterungen finden Sie in unserem Online-Shop auch entsprechendes Bildmaterial. Hierdurch können Sie auf schnellstem Weg Ihr defektes Bauteil mit dem lieferbaren Ersatz vergleichen und gehen auf diese Weise sicher, dass Sie anschließend auch in der Tat das passende Produkt erhalten. Achten Sie bitte besonders auf die Übereinstimmung des alten Teils mit dem abgebildeten Artikel; insbesondere was die angegebenen technischen Angaben und Dimensionen betrifft. Was Sie davon haben:Unser Lager umfasst Einbauteile und Artikel für ungefähr 250 Marken und 8500 TypenWir kaufen Ihren RollerSie bekommen von uns immer die Erstausrüsterqualität - auch bei preisgünstigen NachbautenHol- und BringserviceUnsere sämtlichen Komponenten sind gebrauchstauglich, preisgünstig und betriebssicherPräzisionsfertigung nach DIN-NormSie bezahlen bei Bestellung mehrerer Teile mit denselben Versandbedingungen nur einmal VersandkostenMit unserer "Geld zurück" - Garantie kaufen Sie ohne Risikohundertprozentige Fahrsicherheit des Motorrollers, speziell bei den BremsenKurze LieferzeitenGanz gleich, ob Sie einen Motorroller, einen Buggy, ein Fun-Fahrzeug oder einen Quad erwerben möchten. Wir sind für solche Fälle der Fachhändler Ihres Vertrauens. Warum sollten Sie sich an uns wenden? Weil wir für dieses Geschäftsfeld die Meister-Qualifikation und das entsprechende Know-how besitzen, welche hierzu definitiv gebraucht wird. Wir als Familienbetrieb leben das Geschäft rund um die Roller regelrecht. Es ist nicht unbedingt sinnvoll, sein motorisiertes Zweirad beim nächsten x-beliebigen Händler zu kaufen. In Folge dessen ist es nötig, sich den ausgesuchten Fachhändler vorher genau anzusehen. Alles ist bei uns uneingeschränkt transparent! Sie dürfen gerne jederzeit bei uns vorbeikommen und sich selbst ein Bild machen.Sie sehen dann die Bestätigung unserer guten Leistungen auf gewisse Weise mit eigenen Augen.Wenn Ihnen der Weg zu uns zu weit ist, können Sie sich auch mittels des Trustedshops-Siegels und die verschiedenen Ebay Bewertungen informieren. Die Beurteilungen von Trustedshops sind im Allgemeinen nicht nur vollkommen wertneutral sondern auch überaus aussagekräftig. Sowohl der Verkaufsshop auf unserer Website Motorroller.de als auch unsere Geschäftspraxis wurden von dieser Institution bislang durchweg mit "sehr gut" beurteilt. Der Bewertungsfaktor von zirka 99,9 % bei Ebay in den Kundenbewertungen kann sich genauso sehen lassen. Was bestätigen all diese Resultate ganz eindeutig? Dass wir in allen Belangen immer geben!! Bedenken Sie aber, dass dort wo gearbeitet wird, auch mal Fehler passieren. Darum bitten wir Sie, sofern mal etwas nicht zu Ihrer Zufriedenheit verlaufen ist, uns auf jeden Fall die Möglichkeit zur Verbesserung zu geben.Unsere gut geschulten Mitarbeiter sind täglich von 8:00 - 18:00 Uhr und samstags von 9:00 - 13:00 für Sie da.Seit vielen Jahren im Dienst unserer KundenBei uns ist der Kunde wirklich noch König. Vor über fünfzig Jahren nahmen die geschäftlichen Aktivitäten unseres Unternehmens im Bereich Maschinenbau ihren Anfang, während das Fahrzeuggeschäft inzwischen auch schon seit mehr als 25 Jahren mit Erfolg ausgebaut werden konnte. Gegenwärtig haben wir uns auf Einbauteile, das "Nice-to-have" zum Tunen und Zubehör für die meisten Roller fokussiert.Wir können zeitnah etwa 500.000 Komponenten liefernIn unserem Online-Shop finden Sie unter Motorroller.de fast alle Teile und motorisierte Zweiräder aus Europa und Asien. Wir haben Ersatzteile, passendes Zubehör und Artikel für zirka 250 Fabrikate und 8500 Modelle für Sie auf Lager. Kreidler, Adly, Yamaha oder Jonway zählen beispielsweise zu unseren Lieferanten, mit denen wir schon jahrelang zusammenarbeiten. Es sind mehr als 500.000 Produkte von diversen diverser Hersteller, die wir in unserem Hochregallager auf einer Fläche von über 1.000 m² lieferbar haben. Unsere Zubehörabteilung bietet somit alles, was man als Rollerfahrer benötigt. Das beginnt bei den Handschuhen, Regensets und Nierengürteln, und geht bis hin zu den Windschildern über die Schutzhelme und das Top Case.Damit die Tuningfans ebenfalls auf ihre Kosten kommen, haben wir für sie ausgesuchte Artikel wie Zylinder, Kolben, Auspuffanlagen und weitere Dinge im Produktsortiment.Direkt nach der ProduktionKeine Ware verlässt unser Haus, ehe sie nicht auf makellose Qualität geprüft worden ist. Das heißt, alle Fahrzeuge, die die Produktion verlassen haben, werden von uns nochmals eingehend auf eventuelle Mängel respektive Transportschäden untersucht, bevor wir sie in die Hände unserer Kunden übergeben. Sobald die Roller bei uns im Haus eintreffen, wird jedes einzelne Zweirad ausgepackt und zuerst einer visuellen Prüfung bzw. einem Probelauf auf unserem computergesteuerten Prüfstand unterzogen. Ein allerletzter Funktionscheck erfolgt dann im Anschluss der Übergabe an den Käufer. Auf diese Weise ist sichergestellt, dass der Motorroller sich de facto in einem korrekten Zustand befindet und den Kunden vollständig zufriedenstellt.Schutz unserer UmweltWas uns besonders am Herzen liegt, ist ein wirkungsvoller Umweltschutz. Zur Reinerhaltung der Luft besitzen unsere motorisierten Zweiräder allesamt Verbrennungsmotoren, die äußerst Sprit sparend laufen. Bei der Anlieferung unserer Roller bleibt ausnahmslos die Transportverpackung übrig. Diese nehmen wir klarerweise wieder mit und führen sie einer fachgerechten Abfallentsorgung zu.Wir nehmen Ihren Roller in ZahlungSie haben vor, sich bei uns einen neuen Roller zuzulegen und sich gleichzeitig von Ihrem ausgedienten Modell trennen? Machen Sie sich hierüber keinen Kopf! Wir nehmen Ihren gebrauchten Motorroller gerne in Zahlung.Sie sind nach wie vor skeptisch?Geben Sie uns doch die Gelegenheit, unsere fachlichen Qualitäten unter Beweis zu stellen. Wir gehören nicht zu den billigen Web-Shops, die heute kommen und nach kurzer Zeit wieder weg sind. In unserem stetig wachsenden Betrieb steht Fleiß und fortwährendes Lernen in der Rangordnung ganz oben, weil wir davon überzeugt sind, dass sich allein durch neue Ideen und fortschrittliche Innovationen das Know-how für eine solide geschäftliche Grundlage bilden lässt. Sie können sich selbst von unserem herausragenden Service überzeugen, sofern Sie uns an unserem Unternehmensstandort in Lindenfels-Eulsbach besuchen.Wie finden Sie unser Unternehmen?Etwa 60 km südlich von Frankfurt am Main findet man Lindenfels im Regierungsbezirk Darmstadt. Falls Sie mit dem eigenen Fahrzeug anreisen, erreichen Sie den Ort per Autobahn von Norden über Frankfurt/Main (A6) bzw. von Süden über Stuttgart, Karlsruhe und Mannheim (A8). Klarerweise kann man auch völlig bequem mit der Bahn hinfahren.Unsere TopmarkenUnsere Topmarken