Zum Hauptinhalt springen Zur Suche springen Zur Hauptnavigation springen
Menü
efr
erf
rrrf
Schnell lieferbar
14 Tage Rückgaberecht
Schneller DPD Versand

zu Artikel: Bremszug Hinterrad

Bremszug

Bremszug Hinterrad

Technik-Info

Der Artikel: Bremszug

auch zu finden unter: Bautenzug, Brems-Seil, Seilzug, Bremskabel, Bremszug, Bremsseilzug, Bremsseil, Bowdenzug, Brems-Zug, Seil-Zug, Bauten-Zug

Der Bremszug oder nach dem Erfinder Ingenieur Bowden, Bowdenzug aber mittlerweile fälschlich auch ,Bautenzug genannt dient der Mechanischen Kraftübertragung zur Bremse. Hier ist es erforderlich die richtige stabile Bremszugausführung auszuwählen, denn ein billiges und zu dünnes Bremsseil kann reißen. Auch die Verarbeitung mit den Anschluss-Stücken muss den erforderlichen Qualitätsansprüchen genüge tun, denn davon häng Ihre Sicherheit und die Sicherheit anderer Verkehrsteilnehmer ab. Wir liefern die entsprechenden Bremszüge in Erstausrüster-Qualität. Wir empfehlen, den Originalzug nachzumessen.

Dieser Artikel wurde speziell hergestellt für:

Rex Quad 50 50ccm 2Takt

Kostenloser Versand Bei Ersatzteilen für jeden zusätzlichen Artikel mit den gleichen Versandkriterien, den Sie von uns kaufen.

Unsere Ersatzteile für ihren Roller bzw. Motorroller oder auch Scooter können Sie bequem online in unserem Shop kaufen. Egal ob sie Ihren Roller im Baumarkt oder im Kaufhaus gekauft haben, für alle gängigen Europa-, Taiwan-, oder China-Roller finden Sie bei uns passende Bauteile, insbesondere für die Motoren 50 cc, 125 cc, 250 ccm, 4takt, 2takt und für größere Leistungen. Speziell für die Motorentypen 139QMB, 139QMA, JSD139QMB ,153FMI, 156FMI ,1E40QMB, 1E40QMA ,152QMI, 157QMI ,150QMG ,125-4T6M ,157QMJ, 158MJ ,GY6 ,139FMB ,164FML in kurzen und langen Versionen in den Normen Euro1, Euro2, Euro3 sowie die neuen Euro 4 Einspritzer-Motoren finden Sie qualitativ erstklassige Ersatzteile. Gerne können Sie auch per Email nach Ersatzteilen anfragen. Bei Bestellwerten über 100 Euro können Sie auch unseren Finanzierungs- bzw. Ratenkauf-Service nutzen. Beim Kauf von Fahrzeugen können wir Ihnen auch ein Leasing-Angebot unterbreiten, das bietet sich insbesondere für Firmen an, die Betriebsfahrzeuge anschaffen, oder ihren Mitarbeitern ein Fahrzeug zur Verfügung stellen. Bitte fragen Sie an.

Reparieren oder austauschen - was ist die bessere Option?

Wird mal irgendetwas am Roller fehlerhaft, dann hat man in aller Regel die Wahl zwischen Reparieren oder Austauschen. Da ist es unerheblich, ob es sich dabei um einen ganz egal, ob sich um einen Motorroller, Dreirad-Roller oder Elektroroller respektive E-Roller dreht. Was man gleichermaßen bedenken sollte: Ein Ersatzelement ist nicht nur problemlos gewechselt, sondern macht den Roller auch deutlich funktionssicherer als eine Instandsetzung. Die Ursache einer Funktionsstörung kann zumeist nur von einer kompetenten Fachwerkstatt festgestellt werden. In einem solchen Fall wäre es vorteilhafter, bei uns eines der einbaufertigen Komplett-Kits zu ordern, welche wir für zahlreiche diverse Bauteile im Programm haben. .

Für Ihr Zweirad - hochwertige Qualität

Die Teile, welche wir im Sortiment haben, entsprechen in Bezug auf die Qualität zu 100 % dem Weltmarktniveau. Wie kommt es, dass wir so günstig sein können? Die Antwort lautet: Weil wir auf wirtschaftlich sinnvolle Einkaufsmengen der Produkte achten. Sofern Ihr Roller einmal eine neue Komponente braucht, wenden Sie sich vertrauensvoll an uns. Sie erhalten bei uns ausnahmslos beste Qualität zu einem bezahlbaren Preis.

Auch für Motorroller, Buggys und Quads, die nicht mehr gefertigt werden, haben wir generell die Zubehörteile vorrätig. So beispielsweise für die Marken Sundiro und Eppella.

Sie bekommen bei uns ohne Frage auch die Originalteile vom Fahrzeughersteller. Für den Fall, dass Sie allerdings Geld sparen wollen [und wer will das nicht], sollten Sie auch unsere Nachbauten in Betracht ziehen, welche im Übrigen einen qualitativen Vergleich mit dem Erstausrüster- Produkt nicht scheuen müssen, obgleich sie im Allgemeinen erheblich billiger sind. Mit unseren Komponenten können Sie die Reparatur an Ihrem motorisierten Zweirad selbst durchführen respektive auch in einer Fachwerkstatt ausführen lassen. Voraussichtlich gibt es keine bessere Alternative, in Verbindung mit der Instandsetzung Ihres Zweirads, um Ihren Geldbeutel zu schonen.

Eine große Hilfe bei der Bestellung der passenden Austauschteile sind die einzelnen Abbildungen

Damit Sie auch de facto den richtigen Artikel bekommen, gibt es in unserem Onlineshop eine Menge von anschaulichem Bildmaterial, durch das Sie Ihre alte Komponente mit dem verfügbaren Ersatz vergleichen können. Hierbei genügt nicht bloß eine optische Übereinstimmung. Es müssen obendrein sowohl die angegebenen technischen Spezifikationen als auch die Dimensionen passen.

Was Sie davon haben:

Sie bekommen von uns ausnahmslos die Erstausrüsterqualität - auch bei günstigen NachbautenPräzisionsfertigung nach DIN-NormRoller-AnkaufAlle unsere Ersatzteile sind betriebssicher, zuverlässig und preiswerthundertprozentige Verkehrssicherheit des Motorrollers, insbesondere bei BremsanlagenKurze LieferzeitenSie zahlen beim Ordern mehrerer Einbauelemente mit denselben Versandvoraussetzungen nur einmal VersandkostenAbhol- und BringserviceUnser Lager umfasst Teile und Zubehör für zirka 250 Marken und 8500 Typen"Geld zurück" - Garantie, folglich Kauf ohne Risiko

Egal, ob Sie einen Roller, einen Straßenbuggy, ein Fun Fahrzeug oder einen Quad erwerben möchten. Wir sind dafür das Fachgeschäft Ihres Vertrauens. Wieso sollten Sie sich an uns wenden? Weil wir durch unsere jahrzehntelange Erfahrung das entsprechende Know-how für diesen Geschäftsbereich besitzen, können wir Ihnen einen perfekten Kundenservice bieten. Wir betreiben nicht bloß unser Geschäft rund um die Roller, wir leben es förmlich.

Es ist wesentlich, sich das Fachgeschäft in Folge dessen zuvor genau anzugucken, ehe man sich für einen Kauf entscheidet. Bei uns ist alles rund um unseren Fachhandel nachvollziehbar! Kommen Sie doch einfach mal bei uns vorbei und machen Sie sich persönlich ein Bild von uns.Den Vertrauensbeweis erhalten Sie dann vor Ort im Prinzip schwarz auf weiß.

Kunden, denen die Entfernung zu uns zu weit ist, können sich gerne mittels der verschiedenen Ebay Bewertungen und des Trustedshops-Siegels über uns kundig machen. Zum Beispiel wird sowohl unsere Geschäftspraxis als auch unser Shop mit dem Trustedshops Gütesiegel "sehr gut" eingestuft, was uns mit Fug und Recht sehr stolz macht. Was unsere Kundenbewertungen gleichfalls auf einem Niveau, das sich durchaus sehen lassen kann. Beweisen diese Ergebnisse nicht eindeutig, dass unsere Kundschaft bestens bei uns aufgehoben ist?

Aber auch, wenn wir uns noch so bemühen - wir sind keine Maschinen, sondern Menschen, die zuweilen mal etwas falsch machen. Von daher bitten wir Sie, wenn mal etwas nicht zu Ihrer Zufriedenheit verlaufen ist, uns auf jeden Fall die Möglichkeit zur Verbesserung zu geben.

Wann wir Ihnen zu Diensten stehen? Täglich von 8:00 bis 18:00 Uhr und samstags von 8:00 bis 13:00 Uhr.

Unsere Unternehmenspolitik

Es liegt uns eine Menge an der Zufriedenheit unserer Kundschaft. Den Fahrzeughandel betreiben wir bereits über 25 Jahre sehr Erfolg versprechend, möchten hierbei jedoch nicht unerwähnt lassen, dass wir schon mehr als 5 Jahrzehnte auf eine erfolgreiche geschäftliche Aktivität auf dem Sektor Maschinenbau verweisen können. Inzwischen haben wir uns außer dem Vertrieb von Motorrollern, auf Ersatzkomponenten, das "Nice-to-have" zur Leistungssteigerung und Fahrzeugzubehör spezialisiert.

Wir können kurzfristig zirka 500.000 Einbauteile liefern

Wer auf der Suche nach einem preisgünstigen Fahrzeug oder der richtigen Komponente für seinen fahrbaren Untersatz ist, der findet bei uns unter Motorroller.de bestimmt das geeignete Element. Es existieren inzwischen Artikel, Teile und passendes Zubehör für circa 8500 Typen und 250 Fabrikate in unserem Lager, die auf Ihre Bestellung warten. Zum Beispiel arbeiten wir schon jahrelang mit so namhaften Lieferanten wie Kreidler, Jonway, Adly Yamaha oder zusammen. Wir haben Summa summarum rund 500.000 Produkte von zahlreichen Produzenten im Programm, welche auf einer Lagerfläche von über 1.000 m² in unseren Hochregalen auf Lager liegen. In unserer Zubehörabteilung finden Sie alles, was Sie als Rollerfahrer für Ihren fahrbaren Untersatz brauchen.

Das beginnt bei den Sturzhelmen über das Top Case und den Windschildern, und geht bis hin zu Regensets, Nierengürteln und Handschuhen.Selbst Tuningfans kommen bei uns nicht zu kurz. Sie finden in unserer Tuningabteilung alles was das Herz begehrt, wie z.B. Auspuffanlagen, Kolben, Zylinder und dergleichen Dinge.

Unmittelbar nach der Produktion

Regelmäßige Qualitätskontrollen sind die Leidenschaft unseres Unternehmens. Dies bedeutet, ehe ein Roller ausgeliefert respektive vom Kunden abgeholt wird, überprüfen wir ihn zum Schluss nochmals umfassend auf etwaige Fehler respektive Transportschäden. Vor der Übergabe wird als erstes jeden Motorroller ausgepackt und auf unserem Zweirad-Prüfstand einem Testlauf unterzogen. Ein letzter Funktionscheck erfolgt dann im Anschluss der Übergabe an den Kunden. Dadurch ist gewährleistet, dass das Fahrzeug sich de facto in einem korrekten Zustand befindet und den Käufer vollends zufriedenstellt.

Umweltschutz wir bei uns groß geschrieben

Uns liegt besonders viel an einem wirkungsvollen Umweltschutz. Das sagen wir nicht lediglich, weil unsere motorisierten Zweiräder in der Regel mit Motoren versehen sind, welche einen verhältnismäßig geringen Benzinverbrauch haben. Um unsere Umwelt des Weiteren zu entlasten und eine fachgemäße Entsorgung zu garantieren, nehmen wir die Transportverpackung wieder mit, die bei der Anlieferung unserer Motorroller anfällt.

Ihren alten Motorroller nehmen wir gerne in Zahlung

Sie möchten sich bei uns einen neuen Roller anschaffen und sich gleichzeitig von Ihrem ausgedienten fahrbaren Untersatz trennen? Machen Sie sich darüber keine Sorgen! Lassen Sie das unser Problem sein, indem wir Ihren alten Motorroller ankaufen.

Immer noch skeptisch?

Dann würden wir uns sehr freuen, wenn Sie uns die Gelegenheit geben, die Qualität unserer Leistungen unter Beweis stellen zu dürfen. Im Gegensatz zu den billigen Internet-Shops, welche schon nach relativ kurzer Zeit wieder weg sind, können wir eine langjährige Firmentradition vorweisen. Es ist uns nicht entgangen, dass sich allein dank zeitgemäßer Innovationen und neuer Ideen die Grundlage für eine effektive Geschäftstätigkeit legen lässt. Überzeugen Sie sich selbst von unserem herausragenden Kundenservice und besuchen Sie uns in unserem Unternehmen in Lindenfels-Eulsbach.

Wie kommen Sie am besten zu uns nach Lindenfels?

Circa 60 km südlich von Frankfurt/Main liegt Lindenfels im Regierungsbezirk Darmstadt. Für den Fall, dass Sie mit dem eigenen Fahrzeug anreisen, erreichen Sie den Ort per Autobahn entweder von Norden über Frankfurt/Main (A6) oder von Süden über Stuttgart, Karlsruhe und Mannheim (A8). Es gibt auch eine gute Verkehrsanbindung mit der Bahn.

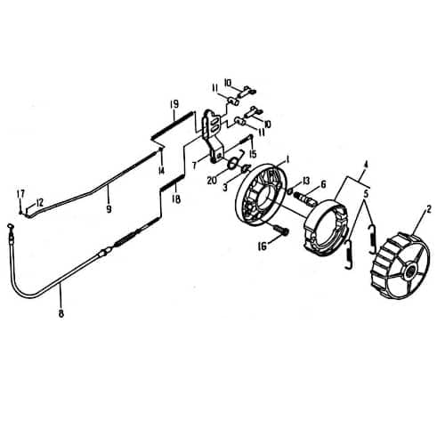
Baugruppe: Rahmen

Artikelposition in Explosionszeichnung: 8

Ersatzteil: Bremszug

Motorroller bequem online kaufen – von der Bestellung bis zur Lieferung


Mobiler Home Service – Bundesweit Inspektionen und Reparaturen


Motorroller.de – Über uns – Ihr Support vom Profi seit 1993

Ihr Finanzierungsplan**
Monate Rate mtl. Gesamt
6039,67 €2.380,49 €
12157,59 €1.891,14 €

Einfach im Bestellvorgang die Expokredit-Finanzierung als Zahlungsweise auswählen ...

  • Kreidler Mustang 50
  • Rex Quad 50
  • SMC REX Quad 50
  • -> bitte vergleichen Sie mit ihren Fahrzeugpapieren
  • -> bundesweiter Home-Service
Produktgalerie überspringen

Kunden haben sich ebenfalls angesehen

Rex QM50QT-6A Dichtung Deckel 50ccm 4Takt Roller Motorroller.de Dichtung-Deckel Kupplungsdeckel 139QMB JSD50QT-13 50cc 4T 139QMA Getriebe
Rex QM50QT-6A Dichtung Deckel 50ccm 4Takt Roller Motorroller.de Dichtung-Deckel Kupplungsdeckel 139QMB JSD50QT-13 50cc 4T 139QMA Getriebe

zu Artikel: Dichtung Motorgehäusedeckel links 400mm lang Motor mit 10 Zoll Rad 139QMA 139QMB GY6 4Takt 50ccmDichtung Gehäusedeckel Ansaugstück vorne mit Gitter kurz Winkel Luftfilter Typ7 Länge = 100mm 139QMA 139QMB GY6 4Takt 50ccm Technik-Info Ansaugstück auch zu finden unter: Ansaugrohr, Ansaug-Stück, Ausaugleitung, Ansaug-Stueck, Ansaugstück, Ansaug-Stutzen, Ansaugstueck, Ansauggummi, Ansaugschlauch, Ansaug-Leitung, Ansaugstutzen, Verbindungsstück, Ansaug-Schlauch, Ansaug-Rohr, Verbindungsstueck Die Aunsaugleitung dient der Weiterleitung der Luft aus dem Luftfilter. Sie darf nicht geknickt werden, das der Motor sonst nicht genut luft bekommt, und darf auch keine Löcher oder Risse aufweisen. Einerseits können sons Schmutzpartikel in den Motor kommen, andererseits kann die unterdruchbasierte Spritansaugung sonst zusammenbrechen. Dieser Artikel wurde speziell hergestellt für:Rex RS 460 BOSTON 8 50ccm 4Takt Geprüfte Erstausrüsterqualität sehr gute Verarbeitung günstiger Preis da Direktimport Kauf vom Großvertreiber Unsere Ersatzteile für ihren Roller bzw. Scooter oder auch Motorroller können Sie bequem online in unserem Shop kaufen. Egal ob sie Ihren Roller im Kaufhaus oder im Baumarkt gekauft haben, für alle gängigen Europa-, China-, oder Taiwan-Roller finden Sie bei uns passende Bauteile, insbesondere für die Motoren 50 cc, 125 cc, 250 ccm, 2takt, 4takt und für größere Leistungen. Speziell für die Motorentypen 164FML ,157QMJ, 158MJ ,139FMB ,139QMB, 139QMA, JSD139QMB ,150QMG ,1E40QMB, 1E40QMA ,GY6 ,152QMI, 157QMI ,125-4T6M ,153FMI, 156FMI in kurzen und langen Versionen in den Normen Euro1, Euro2, Euro3 sowie die neuen Euro 4 Einspritzer-Motoren finden Sie hochqualitative Ersatzteile. Gerne können Sie auch per Email nach Ersatzteilen anfragen. Bei Bestellwerten über 100 Euro können Sie auch unseren Finanzierungs- bzw. Ratenkauf-Service nutzen. Beim Kauf von Fahrzeugen können wir Ihnen auch ein Leasing-Angebot unterbreiten, das bietet sich insbesondere für Firmen an, die Betriebsfahrzeuge anschaffen, oder ihren Mitarbeitern ein Fahrzeug zur Verfügung stellen. Bitte fragen Sie an. Soll das kaputte Teil repariert oder gleich getauscht werden?Diese Frage wird von Rollerfahrern oftmals gestellt, gleichgültig, ob sie einen Motorroller, Elektroroller bzw. E-Roller oder Dreirad-Roller besitzen, für den Fall, dass etwas an ihrem Zweirad schadhaft geworden ist. Zudem bietet ein Ersatzelement eine erheblich größere Funktionssicherheit als eine Reparatur des Zweirads. Bisweilen kann man den Grund für eine Funktionsstörung nicht gleich selbst entdecken und eine kompetente Fachwerkstatt muss herausfinden, wieso der Roller nicht richtig läuft. In diesem Fall wäre es vorteilhafter, bei uns eines der fertigen Kits zu bestellen, die wir in zahlreichen unterschiedlichen Ausführungen anbieten. .Qualitativ erstklassige Roller-Ersatzteile und ZubehörGroßes Augenmerk legen wir auf qualitativ hochwertige Produkte zu einem bezahlbaren Preis. Wieso können wir so günstig sein? Die Antwort: Weil wir schon im Einkauf auf entsprechend große Produktmengen achten. Diese zwei Punkte, nämlich auf der einen Seite die gute Qualität und zum anderen der günstige Preis heben uns überwiegend von anderen Mitbewerbern ab. Sie suchen für einen Eppella oder Sundiro Roller ein Zubehörteil? Keine Sorge, wir haben sie lieferbar.Natürlich liefern wir auch Originalteile vom Fahrzeughersteller, obwohl unsere Nachbauten einen qualitativen Vergleich mit dem Erstausrüster-Produkt nicht scheuen müssen, aber generell bedeutend preisgünstiger sind. Ganz egal, ob Sie die Reparatur an Ihrem motorisiertes Zweirad selber ausführen wollen oder lieber in einer Fachwerkstatt ausführen lassen möchten, ohne Frage liegen Sie mit unseren Komponenten 100-prozentig richtig. Voraussichtlich finden Sie keine bessere Alternative, in Verbindung mit der Instandsetzung Ihres Zweirads, um Ihren Geldbeutel zu schonen.Mittels der Abbildungen ist das Auffinden der passenden Austauschteile ein KinderspielAufgrund des anschaulichen Bildmaterials können Sie Ihre defekte Komponente ganz bequem mit dem verfügbaren Ersatz vergleichen, damit Sie auch garantiert den richtigen Artikel bekommen. Wichtig ist in diesem Fall, dass Ihre Bestellung nicht nur augenscheinlich, sondern auch in den Spezifikationen und Dimensionen mit dem schadhaften Bauteil übereinstimmt. Was Sie davon haben:Sie zahlen nur einmal Versandkosten beim Ordern mehrerer Einbauteile mit denselben Versandfaktorenhundertprozentige Verkehrssicherheit des Zweirads, besonders bei den BremsenKurze LieferzeitenAbhol- und BringserviceUnser Lager umfasst Ersatzteile und Zubehör für ca. 250 Marken und 8500 TypenSie erhalten von uns ohne Ausnahme die Erstausrüster-Qualität - auch bei preiswerten NachbautenWir kaufen Ihren MotorrollerDurch unsere "Geld zurück" - Garantie kaufen Sie ohne RisikoUnsere sämtlichen Produkte sind langlebig, preisgünstig und gebrauchstauglichISO-zertifizierte Präzisionsfertigung nach DIN-NormEgal, ob Sie einen Roller, ein Fun Fahrzeug, einen Buggy oder ein Quad kaufen wollen. Wir sind für solche Fälle das Fachgeschäft Ihres Vertrauens. Weshalb sollten Sie sich an uns wenden? Weil wir uns in diesem Geschäftsfeld bereits seit Jahrzehnten etabliert haben und Sie daher von unserem Erfahrungsschatz profitieren können. Als Familienunternehmen betreiben wir nicht lediglich das Geschäft in Verbindung mit den Rollern, wir leben unser Geschäft richtiggehend. Weil Kaufen auch Vertrauenssache ist, sollte man sich demnach den ausgewählten Fachhändler vorab genau ansehen, bei dem man vorhat ein motorisiertes Zweirad zu kaufen. in unserem Unternehmen ist alles für den Kunden hundertprozentig nachvollziehbar! Sie dürfen gerne jederzeit bei uns vorbeikommen und sich selbst ein Bild machen.Das was Sie dort beobachten, wird Sie sicherlich überzeugen.Vermutlich ist Ihnen der Weg zu uns zu weit. Dann haben Sie auch die Option, durch die diversen Ebay Bewertungen und des Trustedshops-Siegels Erkundigungen über uns einzuholen. Die Beurteilungen von Trustedshops sind grundsätzlich nicht nur überaus aussagekräftig, sondern auch vollkommen wertneutral. Sowohl der Verkaufs-Shop auf unserer Webseite Motorroller.de als auch unsere Geschäftspraktiken wurden von dieser Einrichtung bisher durchweg mit "sehr gut" eingestuft. Unsere Kundenrezensionen bei Ebay liegen mit einem Faktor von ca. 99,9 % gleichermaßen in einem optimalen Bereich. Was bestätigen all diese Ergebnisse ganz offensichtlich? Dass wir auf allen Gebieten stets geben!! Aber auch, wenn wir uns noch so bemühen - wir sind keine Roboter, sondern Menschen, die unter Umständen mal einen Fehler machen. Darum bitten wir Sie, wenn mal etwas nicht zu Ihrer Zufriedenheit verlaufen ist, uns auf jeden Fall die Chance zur Verbesserung zu geben.Zu welchen Zeiten wir Ihnen zu Diensten stehen? Jeden Tag von 8:00 bis 18:00 Uhr und am Samstag von 8:00 bis 13:00 Uhr.Wir möchten uns vorstellenWir haben uns die Zufriedenheit unserer Kunden auf die Fahne geschrieben. Mehr als 25 Jahre sind wir überaus erfolgreich mit dem Handel von Fahrzeugen im Einsatz, wobei wir uns andererseits bereits vor über fünf Jahrzehnten auf dem Gebiet Maschinenbau Erfolg versprechend etabliert haben. Zwischenzeitlich haben wir uns außer dem Verkauf von Motorrollern, auf Ersatzkomponenten, Zubehör und das "Must have" zur Leistungssteigerung fokussiert.Unsere Produktpalette beinhaltet in etwa 500.000 TeileBei Motorroller.de finden Sie fast alle Teile und Roller aus Europa und Fernost. Es existieren zurzeit passendes Zubehör, Ersatzteile und Artikel für etwa 250 Marken und 8500 Modelle in unserem Lager, die nur auf Ihre Bestellung warten. Zu unseren Lieferanten gehören zum Beispiel so namhafte Anbieter wie Yamaha, Kreidler, Jonway oder Adly. In der Summe haben wir auf einer Lagerfläche von über 1.000 m² circa 500.000 Produkte von zahlreichen Herstellern in unserem Hochregallager lieferbar. Sie finden im Zubehörsegment alles, was Sie für Ihren Motorroller benötigen. Das beginnt bei den Windschildern über das Top Case und den Sturzhelmen, und geht bis hin zu Handschuhen, Regensets und Nierengürteln.Auch für die Tuningfans haben wir ausgesuchte Produkte im Programm. Hierzu gehören zum Beispiel Zylinder, Kolben, Auspuffanlagen und weitere Dinge.Was geschieht im Anschluss an die Produktion?Kontinuierliche Qualitätsprüfung ist unsere Passion. Dies bedeutet, bevor ein Motorroller ausgeliefert beziehungsweise vom Kunden abgeholt wird, begutachten wir ihn letztlich nochmals auf Herz und Nieren. Sobald die Fahrzeuge bei uns im Haus ankommen, wird jedes einzelne Zweirad ausgepackt und zunächst einer Sichtprüfung beziehungsweise einem Probelauf auf unserem Prüfstand unterzogen. Bei dem gelieferten Roller wird nach der Anlieferung beim Kunden zum Schluss neuerlich ein Funktionstest durchgeführt. Dadurch ist ein korrekter Betrieb des Gefährts wirklich gesichert.Schutz unserer UmweltWir tragen zum Umweltschutz bei. Unsere Motorroller haben auf der einen Seite grundsätzlich einen Sprit sparenden Motor. Bei der Auslieferung unserer Fahrzeuge fällt ausnahmslos Verpackungsmaterial an. Dieses nehmen wir ohne Frage wieder zu einer fachgemäßen Müllentsorgung wieder mit.Ihren ausgedienten Roller nehmen wir gerne in ZahlungSie wollen sich bei uns einen neuen Motorroller kaufen und suchen für Ihr altes Zweirad einen neuen Besitzer? Zerbrechen Sie sich darüber nicht den Kopf! Wir kaufen Ihren gebrauchten Roller an.Sie sind nach wie vor skeptisch?Geben Sie uns doch die Gelegenheit, unsere Leistungen zu beweisen. Man darf uns nicht mit den vielen billigen Verkaufsshops, die heute kommen und morgen schon wieder fort sind, gleich stellen. Nur aufgrund neuer Ideen und zeitgemäßer Innovationen lässt sich eine gut fundierte Geschäftsgrundlage schaffen. So gesehen steht in unserem stetig expandierenden Unternehmen Fleiß und fortwährendes Lernen immer an erster Stelle. Für den Fall, dass für Sie einmal die Möglichkeit besteht, einen Abstecher nach Lindenfels-Eulsbach machen zu können, können Sie die Gelegenheit nutzen, sich persönlich von unserem vorzüglichen Kundenservice in unserem Betrieb zu überzeugen.Sie finden uns ganz einfach in Lindenfels - auch ohne "Navi"Lindenfels befindet sich im Regierungsbezirk Darmstadt, und zwar 40 km nordöstlich von Mannheim bzw. circa 60 km südlich von Frankfurt/Main. Am besten fahren Sie von Norden her über die A6, während Sie aus südlicher Richtung die A8 nehmen. Optional ist es logischerweise auch möglich, mit der Bahn anzureisen.Unsere TopmarkenUnsere Topmarken

Regulärer Preis:
Verfügbar
6,90 €
Adly ATV 50 Bowdenzug Seilzug Bautenzug Quad Motorroller.de HerChee 50ccm 2Takt 50cc 2T Gaszug Gasseilzug Bauten-Zug Bowden-Zug Gas-Zug
Adly ATV 50 Bowdenzug Seilzug Bautenzug Quad Motorroller.de HerChee 50ccm 2Takt 50cc 2T Gaszug Gasseilzug Bauten-Zug Bowden-Zug Gas-Zug

zu Artikel: Gaszug komplettGaszug Bowdenzug komplett Technik-InfoGaszug auch zu finden unter: Seilzug, Chokekabel, Bautenzug, Gas-Seil, Seil-Zug, Gaszug, Gasseilzug, Bowdenzug, Chokezug, Gas-Zug, Bowden-Zug, Bauten-Zug Gasbowdenzug, nach dem Erfinder Ingenieur Bowden, aber mittlerweile fälschlich auch ,Bauten- oder Gaszug genannt dient der Ansteuerung des Vergasers zur Regulierung der Sprit- und Luftmenge. Im Zweifelsfall sollte man immer das Bild mit dem eigenen Bowdenzug vergleichen. Wir empfehlen, den Originalbowdenzug nachzumessen. Dieser Artikel wurde hergestellt für Fahrzeuge der Marke:Adly Kostenloser Versand Bei Ersatzteilen für jeden zusätzlichen Artikel mit den gleichen Versandkriterien, den Sie von uns kaufen. Unsere Ersatzteile für ihren Scooter bzw. Motorroller oder auch Roller können Sie bequem online in unserem Shop kaufen. Egal ob sie Ihren Roller im Baumarkt oder im Kaufhaus gekauft haben, für alle gängigen China-, Taiwan-, oder Europa-Roller finden Sie bei uns passende Bauteile, insbesondere für die Motoren 50 cc, 125 cc, 250 ccm, 4-Takt, 2-Takt und für größere Leistungen. Speziell für die Motorentypen 139QMB, 139QMA, JSD139QMB ,150QMG ,153FMI, 156FMI ,139FMB ,164FML ,152QMI, 157QMI ,1E40QMB, 1E40QMA ,157QMJ, 158MJ ,GY6 ,125-4T6M in kurzen und langen Versionen in den Normen Euro1, Euro2, Euro3 sowie die neuen Euro 4 Einspritzer-Motoren finden Sie Ersatzteile von hoher Qualität. Gerne können Sie auch per Email nach Ersatzteilen anfragen. Bei Bestellwerten über 100 Euro können Sie auch unseren Ratenkauf- bzw. Finanzierungs-Service nutzen. Beim Kauf von Fahrzeugen können wir Ihnen auch ein Leasing-Angebot unterbreiten, das bietet sich insbesondere für Firmen an, die Betriebsfahrzeuge anschaffen, oder ihren Mitarbeitern ein Fahrzeug zur Verfügung stellen. Ihre Anfrage nehmen wir gerne entgegen Das defekte Teil austauschen oder reparieren lassen?Diese Frage wird von Rollerfahrern regelmäßig gestellt, gleichgültig, ob sie einen Elektroroller respektive E-Roller, Motorroller oder Dreirad-Roller ihr Eigen nennen, sobald etwas an ihrem Fahrzeug kaputt geworden ist. Ein weiterer Gesichtspunkt ist, dass ein Ersatzbauteil nicht bloß günstiger ist als eine Reparatur, sondern danach auch eine erheblich größere Funktionssicherheit bietet. Häufig kann man einen nicht sofort selber finden und eine kompetente Fachwerkstatt muss feststellen, weshalb der Roller Probleme macht. Eine gute Alternative wäre es in einem solchen Fall, eines unserer einbaufertigen Komplett-Kits, welche wir in vielen diversen Ausführungen im Programm haben, zu ordern. .Qualität ist unsere DeviseDie Qualität all unserer Produkte hat Weltmarktniveau. Weswegen sind wir trotz hoher Qualität so günstig? Wir kalkulieren nicht allein unsere Preise sehr moderat, sondern wir kaufen auch in ökonomisch vernünftigen Produktmengen ein. Bei uns kriegen Sie folglich alle lieferbaren Ersatzteile für Ihren fahrbaren Untersatz nicht lediglich in ausgezeichnet Qualität, sondern auch für einen attraktiven Preis. Auch für Roller, Quads und Buggys, die nicht mehr gefertigt werden, haben wir normalerweise die Zubehörteile auf Lager. So beispielsweise für die Marken Eppella und Sundiro.Wir haben logischerweise auch die Originalteile einer Menge Rollerhersteller im Angebot, obschon unsere Nachbauten mit den Originalen qualitativ durchaus mithalten können und dennoch vom Preis her im Prinzip um einiges preisgünstiger sind. Sie können mit unseren Bauteilen die Instandsetzung Ihres Zweirads entweder selbst durchführen oder von einem Fachmann machen lassen. Es gibt zweifelsohne keine bessere Alternative, durch die Sie zu günstigen Preisen und in vorzüglicher Qualität Ihr Zweirad wieder flott bekommen können.Produktbilder erleichtern die Bestellung der passenden KomponentenDank des anschaulichen Bildmaterials können Sie Ihr defektes Bauteil auf einfache Weise mit dem verfügbaren Ersatz vergleichen, damit Sie auch in der Tat den richtigen Artikel bekommen. Dabei ist es wesentlich, dass das Teil, welches Sie ersetzen wollen, nicht allein visuell, sondern auch in den Spezifikationen und Maßen mit Ihrer Bestellung zusammenpasst. Was Sie davon haben:Wir kaufen Ihren MotorrollerSie zahlen bei Bestellung mehrerer Einbauteile mit denselben Versandbedingungen nur einmal den VersandAlle unsere Einbauelemente sind preiswert, zuverlässig sowie betriebssicherHol- und Bringservicehundertprozentige Verkehrssicherheit des Motorrollers, speziell bei den BremsenUnser Lager umfasst Ersatzteile und Zubehör für zirka 250 Marken und 8500 Typen"Geld zurück" - Garantie, daher Kauf ohne RisikoKurzfristige LieferzeitenAuch bei preiswerten Nachbauten erhalten Sie von uns stets die ErstausrüsterqualitätPräzisionsfertigung nach DIN-NormMotorroller, Quads, Fun Fahrzeuge und Straßenbuggys kauft man am besten in einem Fachbetrieb wie den unsrigen. Was für einen Vorteil haben Sie von unserem Kundenservice? Weil wir die Meister-Qualifikation und das Know-how besitzen, die man für dieses Geschäftsfeld unter allen Umständen benötigt. Wir als Familienbetrieb leben das Geschäft in Verbindung mit Motorrollern richtiggehend. Da Kaufen Vertrauenssache ist, sollte man sich in Folge dessen das bevorzugte Fachgeschäft im Vorfeld genau ansehen, bei dem man vorhat ein motorisiertes Zweirad zu kaufen. Bei uns ist alles rund um unseren Fachhandel nachvollziehbar! Sie dürfen gerne zu jeder Zeit bei uns vorbeikommen und sich selbst ein Bild machen.Sie sehen dann die Bestätigung unserer guten Leistungen quasi mit eigenen Augen.Vielleicht ist Ihnen die Strecke zu uns zu weit. Dann haben Sie auch die Option, durch die unterschiedlichen Ebay Bewertungen und des Trustedshops-Siegels Informationen über uns einzuholen. Sowohl unsere Geschäftspraxis als auch unser Verkaufs-Shop werden z.B. mit dem Trustedshops Gütesiegel "sehr gut" eingestuft. Was unsere Käuferbewertungen ebenso auf einem Level, das sich durchaus sehen lassen kann. Diese Ergebnisse bestätigen eines ganz deutlich: Wir geben in allen Belangen immer unser Bestes! Aber auch, wenn wir uns noch so bemühen - wir sind keine Roboter, sondern Menschen, die zuweilen mal einen Fehler machen. Für den Fall, dass also etwas nicht zu Ihrer Zufriedenheit geklappt hat, bitten wir Sie, uns die Möglichkeit zu geben, die Angelegenheit in Ordnung zu bringen.Unser versiertes Mitarbeiterteam steht Ihnen täglich zwischen 8:00 und 18:00 Uhr sowie samstags von 8:00 bis 13:00 Uhr zur Verfügung.Unsere UnternehmenspolitikWir haben uns die Zufriedenheit unserer Kunden auf die Fahne geschrieben. Das Fahrzeuggeschäft betreiben wir sehr erfolgreich bereits seit über 25 Jahren, möchten hierbei hingegen nicht unerwähnt lassen, dass wir schon mehr als 5 Jahrzehnte auf eine Erfolgsgeschichte auf dem Sektor Maschinenbau verweisen können. Mittlerweile haben wir uns auf das "Must have" für Tuning, Zubehör und Einbauteile für die häufigsten Roller spezialisiert.Unsere Artikelpalette umfasst in etwa 500.000 TeileBei Motorroller.de finden Sie beinahe alle Einbauteile und Zweiräder aus Asien und Europa. In unserem Lager befinden sich für circa 8500 Typen und 250 Marken unterschiedliche Produkte als Zubehör, Einbaukomponenten und Artikel. Darunter sind zum Beispiel Lieferanten wie Adly, Yamaha, Kreidler oder Jonway zu finden. Auf einer Lagerfläche von über 1.000 m² haben wir in unseren Hochregalen rund 500.000 Produkte verschiedener Hersteller im Sortiment. Hier finden Sie stets das gewünschte Zubehör für Ihr Zweirad von A bis Z. Das beginnt bei den Regensets, Nierengürteln und Handschuhen, und geht bis hin zu den Schutzhelmen über die Windschilder und dem Top Case.Auch Tuningfans kommen bei uns nicht zu kurz. Zum Tunen ihres Rollers finden sie in unserer Tuningabteilung alles was das Herz begehrt, wie beispielsweise Kolben, Auspuffanlagen, Zylinder und weitere Dinge.Unmittelbar nach der ProduktionAlle Lieferungen verlassen unser Unternehmen erst im Anschluss an eine strenge Qualitätskontrolle. Anders ausgedrückt, ehe wir einen Roller in die Hände des Kunden übergeben, wird er von uns nochmals auf einwandfreie Funktion und Mängelfreiheit untersucht. Wir packen als erstes jeden Motorroller nach der Ankunft in unserem Haus aus und unterziehen es auf unserem Zweirad-Prüfstand einem Testlauf. Bevor der Käufer das Fahrzeug in Empfang nimmt, erfolgt noch ein letzter Funktionscheck. Dadurch ist wirklich gewährleistet, dass der Kunde mit seinem Kauf zu 100 Prozent zufrieden ist.Schutz unserer UmweltDer Umweltschutz liegt uns sehr am Herzen. Unsere Roller haben auf der einen Seite normalerweise einen wirtschaftlichen Verbrennungsmotor. Um unsere Umwelt überdies zu schonen und eine professionelle Abfallentsorgung zu garantieren, nehmen wir jegliches Verpackungsmaterial wieder mit, das bei der Anlieferung unserer Motorroller anfällt.Wir nehmen Ihren Motorroller in ZahlungSie wollen sich bei uns einen neuen Motorroller anschaffen und sich gleichzeitig von Ihrem alten Gefährt trennen? Seien Sie deswegen unbesorgt! Lassen Sie das unser Problem sein, denn wir nehmen Ihren gebrauchten Motorroller in Zahlung.Es ist uns nicht gelungen, Ihre Skepsis auszuräumen?Geben Sie uns doch die Chance, unsere fachliche Kompetenz unter Beweis zu stellen. Im Vergleich zu den billigen Internet-Shops, die schon nach relativ kurzer Zeit wieder weg sind, können wir eine jahrelange Firmentradition vorweisen. Die stabile Basis für einen erfolgreichen Betrieb besteht darin, dass allein aufgrund neuer Ideen und zeitgemäßer Innovationen ein nachhaltiges Wachstum gewährleistet werden kann. Somit stehen Fleiß und ständiges Lernen in unserem stetig expandierenden Unternehmen fortwährend in der Rangordnung ganz oben. Wenn für Sie mal die Möglichkeit besteht, einen Abstecher nach Lindenfels-Eulsbach machen zu können, können Sie die Gelegenheit nutzen, sich selber von unserem herausragenden Kundenservice in unserem Unternehmen zu überzeugen.Unser Unternehmen ist ganz einfach zu findenLindenfels liegt circa 60 km südlich von Frankfurt/Main und 40 km nordöstlich von Mannheim im Odenwald (Regierungsbezirk Darmstadt). Es besteht auch eine gute Verkehrsanbindung mit der Bahn.Unsere TopmarkenUnsere Topmarken

Regulärer Preis:
Kurzfristig lieferbar
32,90 €
Rex Stratos Chicago Alurad Alu Rad Felge hinten Roller Motorroller.de 50ccm 2Takt 1E40QMB YY50QT-28 50cc 2T Minarelli liegend Alufelge
Rex Stratos Chicago Alurad Alu Rad Felge hinten Roller Motorroller.de 50ccm 2Takt 1E40QMB YY50QT-28 50cc 2T Minarelli liegend Alufelge

zu Artikel: Felge hinten Alu 3.50- 12 gelb 146 Trommelbremse 2Takt 50ccm YY50QT-28Alufelge hinten Hinterradfelge Alu 3.50- 12 gelb 146 Trommelbremse 2Takt 50ccm YY50QT-28 1E40QMB Technik-InfoAlufelge hinten : auch zu finden unter: Aluminiumfelge hinten, Alurad hinten, Felge hinten Alu, Alufelge hinten, Hinterrad Alu, Hinterradfelge Alu, Alurad, Alu Rad Unsere Felgen sind robuste, sehr gute Felgen. Das Material ist sehr hochwertig und die Felgen halten fast immer den härtesten Beanspruchungen stand. Jahrelange Erfahrung ständige Innovation und Qualitätskontrolle sorgen für zufriedene Nutzer. Dieser Artikel wurde hergestellt für Fahrzeuge der Marke:Jonway und AGM Erstausrüsterqualität sehr gute Verarbeitung günstiger Preis Direktimport Unsere Ersatzteile für ihren Roller bzw. Motorroller oder auch Scooter können Sie bequem online in unserem Shop kaufen. Egal ob sie Ihren Roller im Baumarkt oder im Kaufhaus gekauft haben, für alle gängigen Taiwan-, China-, oder Europa-Roller finden Sie bei uns passende Bauteile, insbesondere für die Motoren 50 cc, 125 cc, 250 ccm, 2takt, 4takt und für größere Leistungen. Speziell für die Motorentypen 152QMI, 157QMI ,153FMI, 156FMI ,1E40QMB, 1E40QMA ,139QMB, 139QMA, JSD139QMB ,150QMG ,125-4T6M ,157QMJ, 158MJ ,GY6 ,139FMB ,164FML in kurzen und langen Versionen in den Normen Euro1, Euro2, Euro3 sowie die neuen Euro 4 Einspritzer-Motoren finden Sie hochqualitative Ersatzteile. Gerne können Sie auch per Email nach Ersatzteilen anfragen. Bei Bestellwerten über 100 Euro können Sie auch unseren Ratenkauf- bzw. Finanzierungs-Service nutzen. Beim Kauf von Fahrzeugen können wir Ihnen auch ein Leasing-Angebot unterbreiten, das bietet sich insbesondere für Firmen an, die Betriebsfahrzeuge anschaffen, oder ihren Mitarbeitern ein Fahrzeug zur Verfügung stellen. Ihre Anfrage nehmen wir gerne entgegen Soll ein schadhaftes Teil instand gesetzt oder gleich getauscht werden?Ganz egal, ob jemand einen Motorroller, Dreirad-Roller oder Elektroroller respektive E-Roller fährt, er stellt sich zweifellos häufig die Frage, ob sie ein schadhaftes Bauteil auswechseln oder reparieren lassen sollen. Was man ebenso nicht vergessen darf: Ein Ersatzteil ist nicht nur rasch ersetzt, sondern macht den Motorroller auch deutlich ausfallsicherer als eine Instandsetzung. Die Ursache einer Funktionsstörung lässt sich oft nur von einem Fachmann mittels Spezialwerkszeugen ermitteln. Anderenfalls gibt es auch die Möglichkeit, sich für eines der einbaufertigen Ersatzteil-Kits zu entscheiden, die wir in vielen diversen Ausführungen im Produktangebot haben. .Hochklassige Teile für Ihr ZweiradDie Qualität unserer Komponenten braucht keine Mitbewerber auf dem Weltmarkt zu scheuen. Unsere Bauteile sind aus dem Grund so attraktiv, weil wir bereits im Einkauf auf entsprechend große Produktmengen achten. Sämtliche lieferbaren Teile für Ihr motorisiertes Zweirad kriegen Sie bei uns sowohl in guter Qualität als auch für einen Preis, der Ihnen ein Lächeln ins Gesicht zaubert. Auch für Motorroller, Quads und Buggys, die nicht mehr gefertigt werden, haben wir normalerweise die Ersatzteile vorrätig. So etwa für die Marken Eppella und Sundiro.Sie erhalten bei uns logischerweise auch die Originalteile vom jeweiligen Fahrzeughersteller. Falls Sie allerdings Geld sparen möchten [und wer will das nicht], sollten Sie auch unsere Nachbauten in Betracht ziehen, welche nebenbei bemerkt, einen qualitativen Vergleich mit dem Erstausrüster- Produkt nicht scheuen müssen, obwohl sie in der Regel deutlich preisgünstiger sind. Sie können mit unseren Ersatzteilen die Reparatur von Ihrem Motorroller entweder selbst bewerkstelligen oder in einer Fachwerkstätte durchführen lassen. Es gibt zweifelsohne keine andere Alternative, durch die Sie zu günstigen Preisen und in guter Qualität Ihren Motorroller instand setzen können.Abbildungen erleichtern die Bestellung der passenden BauteileNeben den Erläuterungen finden Sie in unserem Shop auch entsprechendes Bildmaterial. Hierdurch können Sie gleich Ihr altes Teil mit dem lieferbaren Ersatz vergleichen und gehen auf diese Weise sicher, dass Sie nachher auch garantiert das richtige Produkt bekommen. Dabei genügt nicht bloß eine optische Übereinstimmung. Es müssen darüber hinaus sowohl die angegebenen technischen Spezifikationen als auch die Dimensionen passen. 10 Vorteile von denen Sie profitieren:Sie zahlen bei Bestellung mehrerer Teile mit identischen Versandvoraussetzungen nur einmal VersandkostenAbsolute Verkehrssicherheit des Zweirads, speziell bei BremsanlagenMit unserer "Geld zurück" - Garantie kaufen Sie ohne RisikoSie erhalten von uns immer die Erstausrüsterqualität - auch bei günstigen NachbautenISO-zertifizierte Präzisionsfertigung nach DIN-NormWir kaufen Ihr ZweiradEinbauteile und Artikel für ca. 250 Marken und 8500 Modelle auf LagerKurzfristige LieferzeitenUnsere sämtlichen Produkte sind gebrauchstauglich, kostengünstig und ausfallsicherHol- und BringserviceAm besten kaufen Sie Motorroller, Quads, Fun Fahrzeuge und Buggys in einem Fachgeschäft wie das unsrige. Aus welchem Grund sollten Sie sich an uns wenden? Weil wir uns in diesem Geschäftsbereich bereits seit Jahrzehnten etabliert haben und Sie deshalb von unserem Erfahrungsreichtum profitieren können. Wir betreiben nicht lediglich unser Geschäft rund um die Motorroller, wir leben es richtiggehend. Es ist unverzichtbar, sich das Fachgeschäft aus dem Grund zuerst genau anzugucken, ehe man sich zu einem Kauf entschließt. Bei uns ist alles rund um unseren Fachhandel nachvollziehbar! Kommen Sie doch einfach mal in unserem Ladengeschäft vorbei und informieren Sie sich persönlich über uns.Das was Sie dort beobachten, wird Sie mit Sicherheit überzeugen.Vermutlich ist Ihnen die Strecke zu uns zu weit. Dann gibt es auch die Option, durch das Trustedshops-Siegels und die verschiedenen Ebay Bewertungen Erkundigungen über uns einzuholen. Die Benotungen von Trustedshops sind im Prinzip nicht nur ganz und gar wertneutral sondern auch überaus aussagekräftig. Sowohl der Internet-Shop auf unserer Firmenwebseite Motorroller.de als auch unsere Geschäftspraxis wurden von dieser Institution bis dato durchgängig mit "sehr gut" eingestuft. Unsere Kundenrezensionen bei Ebay liegen mit einem Bewertungsfaktor von ca. 99,9 % gleichfalls auf einem sehr guten Level. Demonstrieren diese Ergebnisse nicht eindeutig, dass unsere Kunden bestens bei uns aufgehoben sind? Bitte denken Sie daran, dass dort wo gearbeitet wird, auch Fehler passieren. Demzufolge bitten wir Sie, falls mal etwas nicht zu Ihrer Zufriedenheit verlaufen ist, uns auf jeden Fall die Gelegenheit zur Verbesserung zu geben.Unser Fachgeschäft hat für Sie geöffnet: täglich von 8:00 - 18:00 Uhr, am Samstag von 9:00 - 13:00 Uhr.Wir möchten uns vorstellenEs liegt uns eine Menge an der Zufriedenstellung unserer Kundschaft. Unsere Geschäftstätigkeit begann schon vor über 50 Jahren mit dem Bau von Maschinen. Das Geschäft mit Zweirädern dagegen, betreiben wir mittlerweile auch bereits seit mehr als 25 Jahren mit Erfolg. Unser Brennpunkt ist inzwischen auf die Vermarktung von Fahrzeugzubehör, Einbauteilen und das "Nice-to-have" zur Steigerung der Motorleistung für die meisten Roller ausgerichtet.Wir können zeitnah rund 500.000 Einbauteile liefernWenn Sie zu Ihrem Zweirad eine Komponente suchen, werden Sie auf unserer Webseite unter Motorroller.de bestimmt fündig. Es existieren zurzeit Teile, passendes Zubehör und Artikel für ungefähr 250 Hersteller und 8500 Modelle in unserem Lager, die auf Ihre Bestellung warten. Kreidler, Adly, Yamaha oder Jonway zählen zum Beispiel zu unseren langjährigen Herstellern. Auf einer Fläche von über 1.000 m² haben wir in unserem Hochregallager ca. 500.000 Produkte diverser Produzenten lieferbar. Im Zubehörbereich finden Sie alles, was Sie als Rollerfahrer für Ihren fahrbaren Untersatz brauchen. Das beginnt bei den Schutzhelmen über das Top Case und den Windschildern, und geht bis hin zu Handschuhen, Nierengürteln und Regensets.Selbst Tuningfans kommen bei uns nicht zu kurz. Sie finden in unserem Tuningbereich alles was das Herz begehrt, wie zum Beispiel Auspuffanlagen, Kolben, Zylinder und weitere Dinge.Was passiert im Anschluss an die Produktion?Absolute Qualitätskontrolle ist unsere Leidenschaft. Anders ausgedrückt, sämtliche Motorroller, die die Produktion verlassen haben und bei uns angeliefert werden, überprüften wir nochmals gründlich auf etwaige Mängel beziehungsweise Transportschäden, bevor wir sie in die Hände unserer Kunden übergeben. Wenn die Fahrzeuge bei uns im Haus ankommen, wird jedes einzelne Zweirad ausgepackt und zuerst einer visuellen Prüfung bzw. einem Probelauf auf unserem computergesteuerten Prüfstand unterzogen. Bevor der Kunde den Roller in Empfang nimmt, erfolgt noch ein letzter Funktionscheck. Auf diese Weise ist de facto garantiert, dass der neue Besitzer mit seinem Kauf hundertprozentig zufrieden ist.Wir legen Wert auf eine saubere UmweltDer Schutz unserer Umwelt liegt uns sehr am Herzen. Unsere Motorroller verfügen auf der einen Seite allesamt über einen Kraftstoff sparenden Verbrennungsmotor. Bei der Anlieferung unserer Fahrzeuge bleibt ausnahmslos die Transportverpackung übrig. Diese nehmen wir ohne Frage wieder zu einer professionellen Abfallentsorgung wieder mit.Wir nehmen Ihren Motorroller in ZahlungSie haben einen neuen Roller bei uns bestellt und möchten gerne Ihr ausgedientes Gefährt loswerden? Zerbrechen Sie sich hierüber nicht den Kopf! Wir kaufen Ihren gebrauchten Motorroller an.Sie sind nach wie vor skeptisch?Geben Sie uns doch die Chance, unsere fachlichen Qualitäten unter Beweis stellen zu dürfen. Wir gehören nicht zu den billigen Online-Shops, die heute kommen und morgen schon wieder unauffindbar sind. In unserem fortwährend wachsenden Unternehmen steht ständiges Lernen und die Anpassung an modernen Technologien an erster Stelle, weil wir davon überzeugt sind, dass sich lediglich durch neue Ideen und zeitgemäße Innovationen das Know-how für eine solide Geschäftsgrundlage erzeugen lässt. Überzeugen Sie sich persönlich von unserem außergewöhnlichen Service und besuchen Sie uns doch einmal in unserem Betrieb in Lindenfels-Eulsbach.Sie finden uns mühelos - auch ohne "Navi"Für den Fall, dass Sie über die Autobahn mit dem eigenen Fahrzeug kommen, führt die Strecke nach Lindenfels entweder über Stuttgart, Karlsruhe und Mannheim (A8) oder über Frankfurt/Main (A6). Der Ort liegt im Regierungsbezirk Darmstadt. Die Anfahrt per Bahn ist logischerweise gleichfalls möglich.Unsere TopmarkenUnsere Topmarken

Regulärer Preis:
Verfügbar
98,90 €