Zum Hauptinhalt springen Zur Suche springen Zur Hauptnavigation springen
Menü
efr
erf
rrrf
Schnell lieferbar
14 Tage Rückgaberecht
Schneller DPD Versand

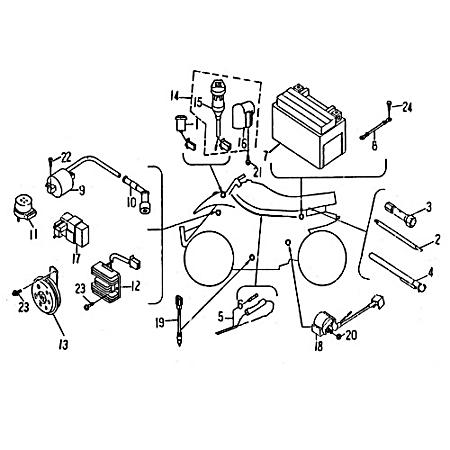
zu Artikel: Schlosssatz komplett

Der Schlosssatz

Schlosssatz komplett

Technik-Info

Schlosssatz

Zuendschlosssatz, Schlosssatz, Schlössersatz, Zündschlosssatz, Schlossgarnitur, Schloessersatz, Zündschloss, Zuendschloss, Schlossset, Tankdeckel, Tankverschluss, Zündschloss-Satz, Zuendschloss-Satz, Schloss-Garnitur, Schlösser-Satz, Schloesser-Satz, Schloss-Satz, Zünd-Schloss, Zuend-Schloss, Schloss-Set, Tank-Deckel, Tank-Verschluss, Zündschlosskit, Zuendschlosskit, Schlosskit, Schlosssatz

Schlosssatz , auch Schlössersatz, oder Zündschloss genannt besteht komplett in Erstausrüster-Qualität. Die preiswerte Alternative, wenn Schlüssel verlorengegangen/abgebrochen, oder Zünd-/Sitzbankschloss defekt sind. Egal was zutrifft, ein neuer Schlosssatz ist oft günstiger als eine Reparatur. Alle Gründe sprechen für einen neuen Schlosssatz, da die Originalteile oft sehr viel teurer sind um nur das defekte Einzelschloss auszutauschen. Das führt dann oft auch zu vielen verschiedenen Schlüsseln und bringt nur unnötige Komplikationen mit sich. Unsere Schlossätze entsprechen einem Schließsystem für alle im Fahrzeug befindlichen Schlösser, mit zwei neuen Schlüsseln. In der Regel kann das Schlosssystem ohne Anpassungsarbeiten ausgetauscht werden. Vor der Bestellung bitte Ihr altes System mit dem abgebildeten, angebotenen neuen Schlosssatzsystem vergleichen. Lieferumfang wie abgebildet. Änderungen auf Herstellerseite vorbehalten.

Dieser Artikel passt bei vielen Modellen, unter anderem für:

Bitte vergleichen Sie mit ihren Fahrzeugpapieren, Kreidler Mustang 250, Kreidler Mustang 170, Kreidler Mustang 200

Die Marke Rex ist eine der meistverkauften in Deutschland. Durch ständige Qualitätskontrollen vorort beim Hersteller ist ein hoher Standard gewährleistet.

Kostenloser Versand   Bei Ersatzteilen für jeden zusätzlichen Artikel mit den gleichen Versandkriterien, den Sie von uns kaufen.

Unsere Ersatzteile für ihren Roller bzw. Scooter oder auch Motorroller können Sie bequem online in unserem Shop kaufen. Egal ob sie Ihren Roller im Baumarkt oder im Kaufhaus gekauft haben, für alle gängigen Europa-, China-, oder Taiwan-Roller finden Sie bei uns passende Bauteile, insbesondere für die Motoren 50 cc, 125 cc, 250 ccm, 4takt, 2takt und für größere Leistungen. Speziell für die Motorentypen 152QMI, 157QMI ,150QMG ,1E40QMB, 1E40QMA ,139QMB, 139QMA, JSD139QMB , GY6 ,125-4T6M ,153FMI, 156FMI ,157QMJ, 158MJ ,139FMB ,164FML in kurzen und langen Versionen in den Normen Euro1, Euro2, Euro3 sowie die neuen Euro 4 Einspritzer-Motoren finden Sie Ersatzteile von hoher Qualität. Gerne können Sie auch per Email nach Ersatzteilen anfragen. Bei Bestellwerten über 100 Euro können Sie auch unseren Ratenkauf- bzw. Finanzierungs-Service nutzen. Beim Kauf von Fahrzeugen können wir Ihnen auch ein Leasing-Angebot unterbreiten, das bietet sich insbesondere für Firmen an, die Betriebsfahrzeuge anschaffen, oder ihren Mitarbeitern ein Fahrzeug zur Verfügung stellen. Wir freuen uns auf Ihre Anfrage.

Das defekte Bauteil besser gleich auswechseln oder reparieren lassen?

Diese Frage wird von Rollerfahrern immer wieder gestellt, gleichgültig, ob sie einen Motorroller, Dreirad-Roller oder Elektroroller bzw. E-Roller haben, sobald etwas an ihrem Zweirad fehlerhaft geworden ist. Ein neues Bauteil, das verhältnismäßig schnell ersetzt werden kann, ist nicht lediglich preisgünstiger, sondern bietet obendrein eine bedeutend größere Funktionssicherheit als bei einer Reparatur des Motorrollers. Bisweilen kann lediglich eine kompetente Fachwerkstatt den Defekt auf Anhieb entdecken. In dem Fall wäre es vernünftiger, über unserer Website eines der fertigen Ersatzteil-Kits zu ordern, welche wir in vielen unterschiedlichen Ausführungen in unserem Sortiment haben. .

Für Ihr Zweirad - erstklassige Qualitätsteile

Die Ersatzteile, die wir auf Lager haben, entsprechen in Bezug auf die Qualität zu 100 % dem Weltmarktniveau. Wir können nur deswegen so günstig sein, weil wir bei unseren Lieferanten sämtliche Teile in genügend großen Mengen einkaufen. Für den Fall, dass Ihr Zweirad einmal eine neue Komponente braucht, wenden Sie sich vertrauensvoll an uns. Sie erhalten bei uns stets beste Qualität zu einem günstigen Preis.

Einige Rollermarken wie Eppella und Sundiro werden schon seit langem nicht mehr hergestellt. Dennoch führen wir hierfür noch die Ersatzteile.

Wir haben logischerweise auch die Originalteile zahlreicher Rollertypen auf Lager, obwohl unsere Nachbauten mit den Originalen qualitativ auf alle Fälle mithalten können und trotzdem vom Preis her in der Regel um einiges billiger sind. Sie werden zweifelsohne keine bessere Alternative finden, um zu erschwinglichen Kosten Ihren Roller reparieren zu können.

Mithilfe der Abbildungen ist die Bestellung des gewünschten Zubehörs ein Kinderspiel

Auf unserer Internetseite finden Sie zahlreiches Bildmaterial, welches Sie dabei unterstützt, Ihr defektes Austauschteil ganz einfach mit dem verfügbaren Ersatz zu vergleichen. Hierdurch können Fehllieferungen wegen inkorrekter Bestellungen schon im Vorfeld verhindert werden. Es ist in diesem Fall relevant, dass die Komponente, welche Sie tauschen möchten, nicht bloß augenscheinlich, sondern auch in den Spezifikationen und Maßen mit Ihrer Bestellung zusammenpasst.

Ihre Vorteile:

Unser Lager umfasst Einbauteile und Zubehör für ca. 250 Marken und 8500 ModelleAbhol- und BringserviceKurze LieferzeitenSie zahlen beim Ordern mehrerer Teile mit identischen Versandkriterien nur einmal den VersandAlle unsere Produkte sind gebrauchstauglich, preisgünstig und langlebigSie erhalten von uns stets die Erstausrüster-Qualität - auch bei günstigen NachbautenISO-zertifizierte Präzisionsfertigung nach DIN-Norm100-prozentige Verkehrssicherheit des Rollers, besonders bei den BremsenKauf ohne Risiko dank "Geld zurück" - GarantieWir kaufen Ihr Zweirad

Egal, ob Sie einen Roller, einen Straßenbuggy, ein Fun-Fahrzeug oder einen Quad erwerben möchten. Wir sind dafür der Fachhändler Ihres Vertrauens. Wozu sollten Sie sich an uns wenden? Weil wir uns in diesem Geschäftsbereich schon seit Jahrzehnten etabliert haben und Sie demnach von unserer gewonnenen Erfahrung profitieren können. Im Unterschied zu einigen unserer Mitbewerber geben wir uns wirklich noch echte Mühe, unsere Kunden zufrieden zu stellen. Nicht lediglich beim Verkauf, sondern auch danach. Hierbei legen wir großen Wert auf einen möglichst perfekten Fahrzeugservice. Für unser Familienunternehmen ist das Geschäft rund um die Roller der gesamte Lebensinhalt.

Es ist notwendig, sich das Fachgeschäft demzufolge vorher genau anzusehen, bevor man sich für einen Kauf entscheidet. Bei uns ist alles uneingeschränkt transparent! Aus welchem Grund besuchen Sie uns nicht mal in unserem Ladengeschäft, um sich persönlich zu informieren?Den Beweis unserer guten Leistungen können Sie dann unmittelbar vor Ort herausfinden.

Potentielle Käufer, denen der Weg zu uns zu weit ist, können sich gerne durch das Trustedshops-Siegels und die zahlreichen Ebay Bewertungen über uns informieren. Sowohl unsere Geschäftspraxis als auch unser Online-Shop werden z.B. mit dem Trustedshops Gütesiegel "sehr gut" bewertet. Der Wert von rund 99, 9 Prozent bei Ebay in den Käuferbewertungen kann sich ebenso sehen lassen. Was demonstrieren all diese Resultate ganz offensichtlich? Dass wir in allen Belangen stets geben!!

Bitte denken Sie daran, dass wir keine Maschinen sondern auch nur Menschen sind, denen unter Umständen denen bisweilen etwas misslingen kann. Seien Sie aus dem Grund nicht gleich verärgert, wenn mal etwas schief läuft, sondern geben Sie uns die Möglichkeit, unseren Fehler wieder gut zu machen.

Unser gut geschultes Mitarbeiterteam steht Ihnen täglich zwischen 8:00 und 18:00 Uhr sowie samstags von 8:00 bis 13:00 Uhr zur Verfügung.

Über uns

Wir haben uns die Zufriedenheit unserer Kundschaft auf die Fahne geschrieben. Unsere Geschäftstätigkeit begann bereits vor über 50 Jahren mit dem Bau von Maschinen. Das Fahrzeuggeschäft mit motorisierten Zweirädern dagegen, betreiben wir inzwischen auch schon seit mehr als 25 Jahren äußerst erfolgreich. Unser Fokus ist gegenwärtig auf den Vertrieb von Ersatzteilen, Fahrzeugzubehör und das "Must have" zur Steigerung der Motorleistung für die meist gefahrenen Roller ausgerichtet.

Wir können zeitnah rund 500.000 Teile liefern

Wenn Sie zu Ihrem Motorroller ein Ersatzteil suchen, werden Sie auf unserer Webseite unter Motorroller.de mit Sicherheit fündig. In unserem Versandlager befinden sich für ca. 8500 Modelle und 250 Hersteller diverse Produkte als Zubehör, Einbauelemente und Artikel. Zum Beispiel arbeiten wir schon jahrelang mit Herstellern wie Jonway, Kreidler, Yamaha oder Adly zusammen. Es sind mehr als 500.000 Produkte von verschiedenen zahlreicher Anbieter, welche wir in unseren Hochregalen auf einer Lagerfläche von über 1.000 m² im Angebot haben. Unsere Zubehörabteilung bietet folglich alles, was Sie als Rollerfahrer für Ihr motorisiertes Zweirad benötigen.

Das beginnt bei den Nierengürteln, Handschuhen und Regensets, und geht bis hin zu den Sturzhelmen über das Top Case und den Windschildern.Auch für alle Tuningfans bieten wir ausgesuchte Produkte an, wie z.B. Kolben, Auspuffanlagen, Zylinder und dergleichen Dinge Kolben, Zylinder, Auspuffanlagen und dergleichen Dinge.

Direkt nach der Produktion

Keine Ware verlässt unser Haus, ehe sie nicht auf tadellose Qualität geprüft worden ist. Mit anderen Worten, sämtliche Fahrzeuge, die den Hersteller verlassen haben, werden von uns nochmals ausführlich auf eventuelle Mängel oder Transportschäden untersucht, ehe sie in die Hände unserer Kunden übergeben werden. Wenn die Roller bei uns ankommen, wird jedes einzelne Zweirad ausgepackt und zuallererst einer Sichtprüfung beziehungsweise einem Testlauf auf unserem computergesteuerten Prüfstand unterzogen. Ehe der Käufer den Motorroller übernimmt, erfolgt noch ein letzter Funktionscheck. Dadurch ist de facto gewährleistet, dass der Kunde mit seinem Kauf hundertprozentig zufrieden ist.

Umweltschutz

Wir bemühen uns sehr um den Umweltschutz. Einerseits sind unsere Zweiräder prinzipiell mit sparsamen Verbrennungsmotoren ausgestattet. Bei der Anlieferung unserer Roller fällt ausnahmslos Verpackungsmaterial an. Dieses nehmen wir logischerweise wieder zu einer professionellen Müll-Entsorgung wieder mit.

Roller-Ankauf

Sie planen, sich bei uns einen neuen Roller anzuschaffen und suchen für Ihren ausgedienten fahrbaren Untersatz einen neuen Besitzer? Seien Sie deswegen unbesorgt! Wir nehmen Ihren gebrauchten Motorroller gerne in Zahlung.

Wir konnten Ihre Skepsis trotz allem nicht beseitigen?

Dann geben Sie uns doch die Gelegenheit, Sie von der Qualität unserer Leistungen zu überzeugen. Wir sind kein billiger Internetshop, der heute seine Artikel anbietet und morgen bereits wieder von der Bildfläche verschwunden ist. Die solide Ausgangsbasis für einen erfolgreichen Betrieb besteht darin, dass nur anhand neuer Ideen und fortschrittlicher Innovationen ein nachhaltiges Wachstum gewährleistet werden kann. In Folge dessen stehen Fleiß und ständiges Lernen in unserem stetig expandierenden Unternehmen fortwährend in der Rangordnung ganz oben. Falls für Sie einmal die Möglichkeit besteht, einen Abstecher nach Lindenfels-Eulsbach zu machen, haben Sie die Gelegenheit, sich selbst in unserem Unternehmen von unserem vorzüglichen Service zu überzeugen.

So sind wir zu finden

Zirka 60 km im Süden von Frankfurt/Main findet man Lindenfels im Regierungsbezirk Darmstadt. Sofern Sie mit dem PKW anreisen, erreichen Sie den Ort per Autobahn von Norden über Frankfurt/Main (A6) beziehungsweise von Süden über Stuttgart, Karlsruhe und Mannheim (A8). Eine Anreise mit der Bahn ist klarerweise ebenso möglich.

Hinweise zu: Schlosssatz

Baugruppe: Elektrik

Artikelposition in Explosionszeichnung: 14

Ersatzteil: Zündschloss

Motorroller bequem online kaufen – von der Bestellung bis zur Lieferung


Mobiler Home Service – Bundesweit Inspektionen und Reparaturen


Motorroller.de – Über uns – Ihr Support vom Profi seit 1993

Ihr Finanzierungsplan**
Monate Rate mtl. Gesamt
6039,67 €2.380,49 €
12157,59 €1.891,14 €

Einfach im Bestellvorgang die Expokredit-Finanzierung als Zahlungsweise auswählen ...

  • Kreidler Mustang 170
  • Kreidler Mustang 200
  • Kreidler Mustang 250
  • Rex Quad 150
  • Rex Quad 150ccm (1-Zyl.)
  • Rex Quad 250ccm (2-Zyl.)
Produktgalerie überspringen

Kunden haben sich ebenfalls angesehen

Rabatt
Anlaufscheibe gewellt 20x14.2x0.5mm Getriebe AGM 50ccm 2Takt Motorroller.de Zwischenwelle Spannscheibe Zwischenscheibe Anlauf-Scheibe Spann-Scheibe Premium Spannscheibe 20x14.2x0.5mm AGM 2Takt

Durchschnittliche Bewertung von 0 von 5 Sternen

Anlaufscheibe gewellt 20x14.2x0.5mm Getriebe AGM 50ccm 2Takt Motorroller.de Zwischenwelle Spannscheibe Zwischenscheibe Anlauf-Scheibe Spann-Scheibe Premium Spannscheibe 20x14.2x0.5mm AGM 2Takt

Anlaufscheibe gewellt 20x14.2x0.5mm Getriebe Zwischenwelle 2Takt 50ccm 1E40QMBAnlaufscheibeDie AnlaufscheibeUnterlegscheibe, U-Scheibe, Ausgleichs-Scheibe, Zwischen-Scheibe, Anlauf-Scheibe, Spann-Scheibe, Unterleg-Scheibe, Ausgleichsscheibe, Zwischenscheibe, Spannscheibe, AnlaufscheibeDie Anlaufscheiben bewirken dass eine Welle kein axiales spiel hat, also dass sie nicht hin und her wandert.Die Ersatzteile dieses Herstellers haben sich seit Jahren im täglichen Einsatz bewährt. Durch beständigen Erfahrungsaustausch wird die Qualität auf ein Maximum angehoben.Kostenloser Versand   Bei Ersatzteilen für jeden zusätzlichen Artikel mit den gleichen Versandkriterien, den Sie von uns kaufen.Unsere Ersatzteile für ihren Scooter bzw. Roller oder auch Motorroller können Sie bequem online in unserem Shop kaufen. Egal ob sie Ihren Roller im Baumarkt oder im Kaufhaus gekauft haben, für alle gängigen Europa-, China-, oder Taiwan-Roller finden Sie bei uns passende Bauteile, insbesondere für die Motoren 50 cc, 125 cc, 250 ccm, 2takt, 4takt und für größere Leistungen. Speziell für die Motorentypen 164FML ,139QMB, 139QMA, JSD139QMB ,157QMJ, 158MJ ,139FMB ,150QMG ,153FMI, 156FMI ,1E40QMB, 1E40QMA , GY6 ,152QMI, 157QMI ,125-4T6M in kurzen und langen Versionen in den Normen Euro1, Euro2, Euro3 sowie die neuen Euro 4 Einspritzer-Motoren finden Sie hochqualitative Ersatzteile. Gerne können Sie auch per Email nach Ersatzteilen anfragen. Bei Bestellwerten über 100 Euro können Sie auch unseren Finanzierungs- bzw. Ratenkauf-Service nutzen. Beim Kauf von Fahrzeugen können wir Ihnen auch ein Leasing-Angebot unterbreiten, das bietet sich insbesondere für Firmen an, die Betriebsfahrzeuge anschaffen, oder ihren Mitarbeitern ein Fahrzeug zur Verfügung stellen. Wir freuen uns auf Ihre Anfrage.Soll ein defektes Bauteil instand gesetzt oder gleich getauscht werden?Ganz egal, ob jemand einen Elektroroller respektive E-Roller, 3-Rad Roller oder Motorroller fährt, er stellt sich vermutlich immer wieder die Frage, ob sie ein defektes Element tauschen oder reparieren lassen sollen. Nicht in jedem Fall ist eine solche Entscheidung leicht zu fällen. Zumeist ist es hingegen preiswerter, das schadhafte Bauteil gleich auszuwechseln, anstelle zu reparieren. Ein neues Teil, welches vergleichsweise problemlos gewechselt werden kann, ist nicht lediglich preisgünstiger, sondern bietet unter anderem eine deutlich größere Ausfallsicherheit als bei einer Instandsetzung des Motorrollers. Die Ursache einer Funktionsstörung lässt sich oft nur von einem Fachmann mittels Spezialwerkszeugen eruieren. Dann wäre es vernünftiger, über unseren Online Shop eines der fertigen Komplett-Kits zu bestellen, welche wir für zahlreiche unterschiedliche Komponenten in unserem Sortiment haben. Wer schon mal mit seinem defekten Roller in die Werkstatt fahren musste, hat möglicherweise für die Reparatur eine Menge Geld ausgegeben. Da wäre es deutlich billiger gewesen, gleich selbst die ganze Baugruppe zu wechseln.Bei uns stimmen Preis und QualitätMit Recht sind wir darauf stolz, dass die Qualität all unserer Produkte auf dem Weltmarktniveau konkurrenzfähig ist. Aus welchem Grund können wir so günstig sein? Die Antwort: Weil wir bereits beim Einkauf auf entsprechend große Produktmengen achten. Wenn Ihr Roller einmal ein neues Bauteil benötigt, wenden Sie sich vertrauensvoll an uns. Sie bekommen bei uns ausnahmslos beste Qualität zu einem bezahlbaren Preis.Auch für Motorroller, Buggys und Quads, die nicht mehr gefertigt werden, haben wir in der Regel die Komponenten lieferbar. So zum Beispiel für die Marken Sundiro und Eppella.Wir haben selbstverständlich auch die Originalteile etlicher Rollerproduzenten im Sortiment, obgleich unsere Nachbauten mit den Originalen qualitativ auf alle Fälle mithalten können und dennoch vom Preis her zumeist um einiges preisgünstiger sind. Mit unseren Bauteilen können Sie die Reparatur an Ihrem motorisierten Zweirad selber bewerkstelligen beziehungsweise auch von einem Fachmann ausführen lassen. Da Sie überdies nicht auf teure Originalteile zurückgreifen müssen, haben Sie die Option, in dem Fall viel Geld zu sparen. Sie werden vermutlich keine bessere Alternative finden, um zu attraktiven Kosten Ihr motorisiertes Zweirad instand setzen zu können.Eine gute Hilfe beim Bestellen der gewünschten Komponente sind die jeweiligen AbbildungenAuf unserer Webseite finden Sie zahlreiches Bildmaterial, welches Sie dabei unterstützt, Ihr altes Bauteil ganz bequem mit dem verfügbaren Ersatz zu vergleichen. Hierdurch können Fehl- oder Falschlieferungen anhand fehlerhafter Bestellungen schon im Vorhinein verhindert werden. Hierbei ist es wesentlich, dass das Teil, das Sie austauschen wollen, nicht lediglich augenscheinlich, sondern auch in den technischen Spezifikationen und Dimensionen mit Ihrer Bestellung übereinstimmt.   Ihre Vorteile:   Teile und Zubehör für ungefähr 250 Marken und 8500 Modelle auf Lager "Geld zurück" - Garantie, deshalb Kauf ohne Risiko Roller-Ankauf zu fairen Preisen Alle unsere Erzeugnisse sind betriebssicher, gebrauchstauglich sowie kostengünstig 100-prozentige Fahrsicherheit des Zweirads, besonders bei Bremsanlagen Kurzfristige Lieferzeiten Sie bekommen von uns ausnahmslos die Erstausrüsterqualität - auch bei preiswerten Nachbauten Sie bezahlen bei Bestellung mehrerer Einbauelemente mit denselben Versandfaktoren nur einmal Versandkosten ISO-zertifizierte Präzisionsfertigung Abhol- und Bringservice   Wir sind der erste Ansprechpartner, wenn es um den Erwerb von einem Roller, Straßenbuggy, Fun Fahrzeug oder Quad geht. Weshalb sollten Sie sich an uns wenden? Weil wir das entsprechende Know-how und die Meister-Qualifikation besitzen, die für dieses Geschäftsfeld auf jeden Fall erforderlich sind. Bei uns ist der Kunde noch König. Darum gehört nicht nur der Verkauf zu unserer Leidenschaft, sondern auch die Kundenbetreuung im Anschluss und natürlich ein tadelloser Fahrzeugservice. Als Familienunternehmen betreiben wir nicht ausschließlich das Geschäft in Verbindung mit den Rollern, wir leben das Geschäft richtiggehend.Es ist nicht unbedingt sinnvoll, seinen Roller beim nächsten x-beliebigen Händler zu kaufen. Demnach ist es wichtig, sich das ausgewählte Fachgeschäft zuvor genau anzugucken. Alles ist in unserem Unternehmen transparent und für die Kundschaft nachzuvollziehen! Sie dürfen gerne zu jeder Zeit bei uns vorbeikommen und sich selbst ein Bild machen.Sie sehen dann den Beweis unserer ausgezeichneten Leistungen im Prinzip mit eigenen Augen.Eventuell ist Ihnen der Weg zu uns zu weit. Dann gibt es auch die Option, durch das Trustedshops-Siegels und die verschiedenen Ebay Bewertungen Infos über uns einzuholen. Sowohl unsere Geschäftspraxis als auch unser Verkaufsshop werden beispielsweise mit dem Trustedshops Gütesiegel "sehr gut" eingestuft. Auch bei Ebay liegen wir mit dem Wert 99,9 % überdurchschnittlich im Rennen. Was bestätigen all diese Resultate ganz eindeutig? Dass wir auf allen Gebieten stets geben!!Denken Sie aber bitte daran, dass wir keine Roboter sondern auch nur Menschen sind, denen unter Umständen denen bisweilen etwas misslingen kann. Wir wollen Sie demzufolge bitten, uns auf alle Fälle eine Chance zur Verbesserung zu geben, falls mal etwas nicht ganz geklappt hat.Unsere versierten Mitarbeiter sind täglich von 8:00 - 18:00 Uhr und samstags von 9:00 - 13:00 für Sie da.Wir möchten uns vorstellenDie Zufriedenstellung unserer Kundschaft bedeutet uns sehr viel. Mehr als 25 Jahre ist unser Unternehmen mit Erfolg im Fahrzeughandel tätig, wobei wir uns allerdings bereits vor über fünf Jahrzehnten auf dem Gebiet des Maschinenbaus erfolgreich etablieren konnten. Mittlerweile haben wir uns auf Fahrzeugzubehör, Ersatzbauteile und das "Must have" zur Steigerung der Motorleistung für die meisten Motorroller festgelegt.Wir haben in etwa 500.000 Ersatzteile auf LagerWenn Sie zu Ihrem Zweirad ein Zubehörteil suchen, werden Sie auf unserer Internet-Seite unter Motorroller.de ohne Zweifel fündig. In unserem Auslieferungslager warten Artikel, passendes Zubehör und Einbauteile für etwa 8500 Modelle und 250 Fabrikate auf Ihre Bestellung. Darunter befinden sich z.B. so namhafte Produzenten wie Jonway, Yamaha, Kreidler oder Adly. Wir haben in der Summe mehr als 500.000 Produkte von diversen Produzenten im Warensortiment, welche auf einer Fläche von über 1.000 m² in unseren Regalen gelagert sind. Unsere Zubehörabteilung bietet demnach alles, was Sie als Rollerfahrer für Ihr motorisiertes Zweirad brauchen.Das beginnt bei den Nierengürteln, Regensets und Handschuhen, und geht bis hin zu den Windschildern über das Top Case und den Schutzhelmen.Damit die Tuningfreaks nicht zu kurz kommen, haben wir für sie ausgesuchte Produkte wie Auspuffanlagen, Zylinder, Kolben und andere Dinge im Produktsortiment.Direkt nach der ProduktionStändige Kontrolle der Qualität ist unsere Leidenschaft. Anders ausgedrückt bedeutet das, dass alle Motorroller, die vom Hersteller bei uns ankommen, nochmals in unserem Betrieb eingehend durchgecheckt werden. Erst dann liefern wir sie an unsere Kunden aus. Das erste Mal geschieht das vor dem Versand, indem wir jeden Motorroller auspacken und auf unserem Zweirad-Prüfstand einem Probelauf beziehungsweise einer Ãbergabeinspektion unterziehen. Bevor der Kunde das Fahrzeug in Empfang nimmt, erfolgt noch ein letzter Funktionscheck. Auf diese Weise ist de facto sichergestellt, dass der neue Besitzer mit seiner Anschaffung 100-prozentig zufrieden ist.Umweltschutz wir bei uns groß geschriebenWir tragen zum Umweltschutz bei. Das sagen wir nicht lediglich, weil unsere Roller durchweg mit Sprit sparenden Verbrennungsmotoren bestückt sind. Die Transportverpackung nehmen wir selbstverständlich wieder mit, um sie einer fachgerechten Entsorgung zuzuführen - auch das ist für uns ein Beitrag zum Umweltschutz.Roller-AnkaufSie haben einen neuen Motorroller bei uns erworben und wollen Ihr altes Gefährt an den Mann bringen? Kein Problem! Wir kaufen Ihren ausgedienten Roller an.Haben Sie immer noch Bedenken?Dann würden wir uns darüber freuen, wenn Sie uns die Gelegenheit geben, die Qualität unserer Leistungen unter Beweis zu stellen. Im Gegensatz zu den billigen Internetshops, welche schnell wieder weg sind, können wir eine mehrjährige Firmentradition vorweisen. In unserem laufend wachsenden Unternehmen steht fortwährendes Lernen sowie die Anpassung an modernen Technologien an erster Stelle, da wir wissen, dass sich lediglich durch neue Ideen und zeitgemäße Innovationen das Know-how für eine stabile Geschäftsgrundlage erzeugen lässt. Besuchen Sie uns doch einmal in unserem Betrieb in Lindenfels-Eulsbach und überzeugen Sie sich selbst von unserem hervorragenden Kundenservice.Sie finden uns mühelos - auch ohne "Navi"Lindenfels liegt im Regierungsbezirk Darmstadt, und zwar 40 km nordöstlich von Mannheim bzw. zirka 60 km südlich von Frankfurt/Main. Am besten fahren Sie von Norden her über die A6, während Sie aus südlicher Richtung die A8 nehmen. Ohne Frage kann man angesichts der guten Verkehrsanbindung auch völlig bequem per Bahn hinfahren.Unsere TopmarkenUnsere Topmarken"Premium Anlaufscheibe gewellt 20x14.2x0.5mm für Getriebe AGM 50ccm 2Takt mit passgenauer Qualität, hoher Belastbarkeit und sauberer Führung.""Die Premium Anlaufscheide gewellt 20x14.2x0.5mm für Getriebe AGM 50ccm 2Takt sorgt für eine zuverlässige Distanzierung und unterstützt eine saubere Funktion im Bereich der Zwischenwelle. Das hochwertige Ersatzteil überzeugt als Spannscheibe, Zwischenscheibe und Anlauf-Scheibe durch exakte Passform, stabile Qualität und lange Haltbarkeit. Ideal online zu kaufen."

Verkaufspreis:
Am Lager
3,99 € Regulärer Preis: 4,59 €
Rabatt
Dichtung Zylinderkopf 4Takt 152QMI Jonway 31121607-1 Premium Zylinderkopfdichtung

Durchschnittliche Bewertung von 0 von 5 Sternen

Dichtung Zylinderkopf 4Takt 152QMI Jonway 31121607-1 Premium Zylinderkopfdichtung

zu Artikel: Dichtung Zylinderkopf 4Takt 125ccm 152QMI GY6Dichtung Zylinderkopf Dichtung Zylinderkopf-Metall 4-Takt 125 ccm 152QMI 31121607-1 Technik-InfoDie Dichtung Zylinderkopf Abdichtsatz, Abdichtset, Dichtkit, Dichtsatz, Dichtset, Dichtungen, Dichtungskit, Dichtungssatz, Dichtungsset, Dichtung-Zylinderkopf, Zylinder Abdicht, Zylinder Dicht-Set, Zylinder Dichtungs-Satz, Zylinder-Deckel-Dichtung, Zylinder-Kopf-Dichtung, Zylindekopfdichtung, Zylinder-Dichtung oben, Kopf-Dichtung, Zylinder-Dichtung-Oben, Zylinderkopf Dichtung, Abdichtung Zylinderkopf, Dichtung Zylinderkopf, Zylinderkopfdichtung, Zylinderdeckel Dichtung, Kopfdichtung ,Rex Dichtung Zylinderkopf ,Jonway Dichtung Zylinderkopf, AGM Dichtung Zylinderkopf Der Zylinderkopf schließt den Verbrennungsraum eines Verbrennungsmotors aus der Sicht des Kolbens nach oben ab. Er ist hoher Hitze und Drücken ausgesetzt. Meist sind es Guss-Zylinder, aber in der heutigen Zeit werden auch Zylinder aus hochwertigen Aluminiumlegierungen verwendet, die ebenso eine lange Lebensdauer gewährleisten. Unsere Zylinder sind in Erstausrüster-Qualität. Dieser Artikel passt bei vielen Modellen, unter anderem für: Jonway Imola 125 Race/Urban, Jonway RS 1000, Jonway Milano 125, Rex RS 125 QM125T 10D, Jonway RS 1100, Jonway Torino 125, CPI Oliver 125, Jonway Monaco 125 Race Urban, AGM Fighter 125 One, Daelim Delfino 125, Rex Speedy 125 QM125T-10A, Daelim Besbi 125 SC 125, Adly Cat 125, Rex SC 125 QM125T 10A-A, AGM Fighter 125 Sport Die Ersatzteile dieses Herstellers haben sich seit Jahren im täglichen Einsatz bewährt. Durch beständigen Erfahrungsaustausch wird die Qualität auf ein Maximum angehoben. Erstausrüsterqualität beste Verarbeitung Lagerware günstiger Preis Direktimport sofort versandbereit Unsere Ersatzteile für ihren Motorroller bzw. Roller oder auch Scooter können Sie bequem online in unserem Shop kaufen. Egal ob sie Ihren Roller im Kaufhaus oder im Baumarkt gekauft haben, für alle gängigen China-, Europa-, oder Taiwan-Roller finden Sie bei uns passende Bauteile, insbesondere für die Motoren 50 cc, 125 cc, 250 ccm, 2takt, 4takt und für größere Leistungen. Speziell für die Motorentypen 125-4T6M ,164FML ,139QMB, 139QMA, JSD139QMB , GY6 ,139FMB ,153FMI, 156FMI ,157QMJ, 158MJ ,1E40QMB, 1E40QMA ,152QMI, 157QMI ,150QMG in kurzen und langen Versionen in den Normen Euro1, Euro2, Euro3 sowie die neuen Euro 4 Einspritzer-Motoren finden Sie qualitativ hochwertige Ersatzteile. Gerne können Sie auch per Email nach Ersatzteilen anfragen. Bei Bestellwerten über 100 Euro können Sie auch unseren Ratenkauf- bzw. Finanzierungs-Service nutzen. Beim Kauf von Fahrzeugen können wir Ihnen auch ein Leasing-Angebot unterbreiten, das bietet sich insbesondere für Firmen an, die Betriebsfahrzeuge anschaffen, oder ihren Mitarbeitern ein Fahrzeug zur Verfügung stellen. Ihre Anfrage nehmen wir gerne entgegen Austauschen oder reparieren?Ganz egal, ob jemand einen 3-Rad Roller, Elektroroller bzw. E-Roller oder Motorroller fährt, er stellt sich wahrscheinlich oft die Frage, ob sie ein kaputtes Element auswechseln oder reparieren lassen sollen. Darüber hinaus bietet ein neues Element eine deutlich höhere Funktionssicherheit als eine Instandsetzung des Rollers. Meistens kann man einen nicht gleich selber finden und ein qualifizierter Fachmann muss feststellen, weswegen der Roller nicht richtig läuft. Anderenfalls haben Sie auch die Option, sich für eines der fertigen Kits zu entscheiden, die wir für viele diverse Bauteile anbieten. .Wir liefern ausnahmslos QualitätserzeugnisseGroßes Augenmerk legen wir auf preisgünstige Produkte von hoher Qualität. Wieso sind wir trotz der hohen Qualität unserer Produkte so günstig? Das liegt nicht nur an unserer Preisgestaltung, sondern in erster Linie daran, dass wir unsere Bauteile in großen Mengen einkaufen. Diese beiden Faktoren, nämlich einerseits die gute Qualität und zum anderen der günstige Preis heben uns hauptsächlich von anderen Mitbewerbern ab. Sie suchen für einen Eppella oder Sundiro Roller ein Bauteil? Keine Sorge, wir haben sie verfügbar.Sie erhalten bei uns natürlich auch die Originalteile vom Rollerhersteller. Falls Sie indes Geld sparen wollen [und wer will das nicht], sollten Sie auf unsere Nachbauten zurückgreifen, welche nebenbei bemerkt, einen qualitativen Vergleich mit dem Erstausrüster- Produkt nicht zu scheuen brauchen, wenngleich sie im Allgemeinen deutlich billiger sind. Mit unseren Teilen können Sie die Instandsetzung Ihres Zweirads selbst ausführen bzw. auch von einem Fachmann machen lassen. Sie werden wahrscheinlich keine andere Alternative finden, um zu erschwinglichen Kosten Ihr Zweirad instand setzen zu können.Eine große Hilfe bei der Bestellung der passenden Ersatzteile sind die jeweiligen ProduktbilderDamit Sie auch de facto das richtige Produkt erhalten, existiert in unserem Shop eine Menge von anschaulichem Bildmaterial, durch das Sie Ihr defektes Element mit dem verfügbaren Ersatz vergleichen können. Achten Sie bitte besonders auf die Übereinstimmung des schadhaften Austauschteils mit dem abgebildeten Artikel; vor allem was die deklarierten technischen Spezifikationen und Dimensionen anbelangt. Auf welche Weise Sie davon profitieren:Auch bei preiswerten Nachbauten bekommen Sie von uns stets die ErstausrüsterqualitätAbsolute Fahrsicherheit des Zweirads, besonders bei den BremsenSie zahlen beim Ordern mehrerer Teile mit denselben Versandvoraussetzungen nur einmal VersandkostenWir holen und bringen Ihr Zweirad"Geld zurück" - Garantie, daher Kauf ohne RisikoUnser Lager umfasst Einbauteile und Artikel für zirka 250 Marken und 8500 ModelleWir kaufen Ihren RollerUnsere sämtlichen Erzeugnisse sind langlebig, kostengünstig und gebrauchstauglichDIN-Norm gerechte und ISO-zertifizierte PräzisionsfertigungKurze LieferzeitenRoller, Quads, Fun Fahrzeuge und Buggys kauft man bevorzugt in einem Fachbetrieb wie den unsrigen. Weshalb wäre es für Sie von Nutzen, wenn Sie uns für Sie tätig werden lassen? Weil wir für dieses Geschäftsfeld die Meister-Qualifikation und das Know-how besitzen, was dazu unbedingt erforderlich ist. Wir als familiär geführter Betrieb leben das Geschäft rund um die Roller regelrecht. Kaufen ist Vertrauenssache, deswegen ist es nötig, sich den Laden vorher genau anzusehen. Unsere Geschäftspraktiken sind für die Kundschaft uneingeschränkt nachvollziehbar! Gerne können Sie uns einen Besuch abstatten, um sich über uns selbst zu informieren.Den Vertrauensbeweis erhalten Sie dann gewissermaßen schwarz auf weiß vor Ort.Interessenten, denen die Strecke zu uns zu weit ist, können sich gerne durch die diversen Ebay Bewertungen und des Trustedshops-Siegels über uns kundig machen. Die Beurteilungen von Trustedshops sind im Prinzip nicht nur vollkommen wertneutral sondern auch sehr aussagekräftig. Sowohl der Verkaufsshop auf unserer Verkaufsseite Motorroller.de als auch unsere Geschäftspraxis wurden von dieser Einrichtung bisher durchweg mit "sehr gut" eingestuft. Was unsere Käuferrezensionen genauso auf einem Level, das sich sehr wohl sehen lassen kann. All diese Resultate lassen nur einen einzigen Schluss zu: Wir geben in allen Belangen stets unser Bestes! Bedenken Sie aber, dass dort wo gearbeitet wird, auch mal Fehler passieren. Von daher bitten wir Sie, falls mal etwas nicht so gut gelaufen ist, uns auf jeden Fall die Gelegenheit zur Verbesserung zu geben.Unser Expertenteam steht Ihnen täglich zwischen 8:00 und 18:00 Uhr sowie samstags von 8:00 bis 13:00 Uhr zur Verfügung.Unsere UnternehmenspolitikWir haben uns die Zufriedenheit unserer Kunden auf die Fahne geschrieben. Den Handel mit Zweirädern betreiben wir mit Erfolg bereits seit über 25 Jahren, wollen hierbei hingegen nicht unerwähnt lassen, dass wir schon mehr als 5 Jahrzehnte auf eine Erfolgsgeschichte im Bereich Maschinenbau zurückblicken können. Zwischenzeitlich haben wir uns außer dem Verkauf von Motorrollern, auf "Nice-to-have" für Tuning, Einbauteile und Zubehör festgelegt.Wir haben circa 500.000 Teile im ProgrammUnter Motorroller.de finden Sie beinahe alle Ersatzteile und Fahrzeuge aus Europa und Fernost. In unserem Warenlager befinden sich für rund 250 Marken und 8500 Modelle verschiedene Produkte als Zubehör, Artikel und Einbauelemente. Darunter sind beispielsweise Lieferanten wie Jonway, Kreidler, Yamaha oder Adly zu finden. Es sind mehr als 500.000 Produkte von unterschiedlichen verschiedener Hersteller, die wir in unseren Hochregalen auf einer Fläche von über 1.000 m² im Angebot haben. Unsere Zubehörabteilung bietet demzufolge alles, was Sie als Rollerfahrer für Ihr Zweirad benötigen. Das beginnt bei den Handschuhen, Nierengürteln und Regensets, und geht bis hin zu den Windschildern über die Schutzhelme und das Top Case.Damit die Tuningfreaks genauso auf ihre Rechnung kommen, haben wir für sie ausgesuchte Produkte wie Auspuffanlagen, Kolben, Zylinder und andere Dinge im Produktsortiment.Unmittelbar nach der ProduktionKeine Ware verlässt unser Haus, bevor sie nicht auf makellose Qualität kontrolliert worden ist. Das heißt, ehe wir einen Motorroller in die Hände des Kunden geben, wird er von uns nochmals auf einwandfreie Funktion und Fehlerfreiheit durchgecheckt. Das erste Mal geschieht dies vor dem Versand, indem wir jedes Fahrzeug auspacken und auf unserem Zweirad-Prüfstand einem Probelauf bzw. einer Übergabeinspektion unterziehen. Bei dem gelieferten Roller wird nach der Lieferung zum Kunden schließlich neuerlich ein Funktionstest ausgeführt. Hierdurch ist eine einwandfreie Nutzung des Gefährts wirklich gesichert.UmweltschutzWir tragen zum Umweltschutz bei. Einerseits sind unsere Motorroller im Prinzip mit effizienten Verbrennungsmotoren ausgestattet. Jegliches Verpackungsmaterial nehmen wir klarerweise wieder mit, um es einer fachgemäßen Entsorgung zuzuführen - auch das ist für uns ein Beitrag zum Umweltschutz.Wir nehmen Ihren ausgedienten Roller in ZahlungSie haben einen neuen Roller bei uns bestellt und möchten Ihr altes Gefährt an den Mann bringen? Seien Sie deswegen unbesorgt! Lassen Sie das unser Problem sein, indem wir Ihren gebrauchten Motorroller ankaufen.Immer noch nicht überzeugt?Falls wir von Ihnen die Chance dazu bekommen würden, könnten wir Ihnen unsere Leistungen auch beweisen. Man sollte uns nicht mit den vielen billigen Verkaufsshops, auf eine Stufe stellen, die heute kommen und morgen schon wieder weg sind. In unserem stetig wachsenden Betrieb steht Fleiß und fortwährendes Lernen an der ersten Stelle, da wir verstanden haben, dass sich ausschließlich durch fortschrittliche Innovationen und neue Ideen das Know-how für eine gut fundierte geschäftliche Ausgangsbasis schaffen lässt. Besuchen Sie uns doch einmal in unserem Unternehmen in Lindenfels-Eulsbach und überzeugen Sie sich persönlich von unserem herausragenden Service.Wo unser Unternehmen zu Hause istFür den Fall, dass Sie über die Autobahn mit dem eigenen Fahrzeug anreisen, führt die Strecke nach Lindenfels entweder über Frankfurt am Main (A6) oder über Mannheim (A8). Der Ort liegt im Regierungsbezirk Darmstadt. Selbstverständlich kann man auch sehr bequem mit der Bahn anreisen.Unsere TopmarkenUnsere TopmarkenPremium Zylinderkopfdichtung für optimale Abdichtung und Motorleistung.Die Zylinderkopfdichtung ist ein hochwertiges Premium Ersatzteil und sorgt als Premium Zylinderkopfdichtung für perfekte Abdichtung und zuverlässigen Motorlauf.

Verkaufspreis:
Am Lager
7,20 € Regulärer Preis: 8,28 €
Rabatt
Ansaugschlauch Tongjian Strassenbuggy 150 III 150ccm 4Takt Motorroller.de Unterdruckschlauch Ansaugstutzen Ansaugrohr Vakuumschlauch Saugleitung

Durchschnittliche Bewertung von 0 von 5 Sternen

Ansaugschlauch Tongjian Strassenbuggy 150 III 150ccm 4Takt Motorroller.de Unterdruckschlauch Ansaugstutzen Ansaugrohr Vakuumschlauch Saugleitung

zu Artikel: Der AnsaugschlauchAnsaugschlauch Ansaugschlauch Technik-InfoAnsaugschlauch : Ausaugleitung, Ansaugstück, Ansaugrohr, Ansaugschlauch, Ansaugstueck, Ansaugstutzen, Ansaug-Schlauch, Ansaug-Rohr, Ansaug-Leitung, Ansaug-Stück, Ansaug-Stueck, Ansaug-Stutzen, Ansauggummi, Verbindungsstück, Verbindungsstueck, Unterdruckschlauch, Gummischlauch, Schlauch, Vakuumschlauch, Saugschlauch Die Aunsaugleitung dient der Weiterleitung der Luft aus dem Luftfilter. Sie darf nicht geknickt werden, das der Motor sonst nicht genut luft bekommt, und darf auch keine Löcher oder Risse aufweisen. Einerseits können sons Schmutzpartikel in den Motor kommen, andererseits kann die unterdruchbasierte Spritansaugung sonst zusammenbrechen. Dieser Artikel passt bei vielen Modellen, unter anderem für: TBM Straßenbuggy 150 III, Eppella ECM Buggy 150, , TBM Buggy 150, TBM Straßenbuggy 150 II, TBM Straßenbuggy 150 I, Eppella ECM Straßenbuggy 150 II, Eppella ECM Straßenbuggy 150 III, Eppella ECM Straßenbuggy 150 I, Tongjiang Buggy 150, Tongjiang Straßenbuggy 150 I, Tongjiang Straßenbuggy 150 II, Tongjiang Straßenbuggy 150 III, Twister Hammerhead 150, Twister Hammerhead 150 I, Twister Hammerhead 150 II Seit Jahrzehnten hat sich dieser Hersteller im internationalen Markt etabliert. Kostenloser Versand   Bei Ersatzteilen für jeden zusätzlichen Artikel mit den gleichen Versandkriterien, den Sie von uns kaufen. Unsere Ersatzteile für ihren Motorroller bzw. Roller oder auch Scooter können Sie bequem online in unserem Shop kaufen. Egal ob sie Ihren Roller im Baumarkt oder im Kaufhaus gekauft haben, für alle gängigen Europa-, China-, oder Taiwan-Roller finden Sie bei uns passende Bauteile, insbesondere für die Motoren 50 cc, 125 cc, 250 ccm, 4takt, 2takt und für größere Leistungen. Speziell für die Motorentypen 1E40QMB, 1E40QMA ,157QMJ, 158MJ ,139FMB ,152QMI, 157QMI ,150QMG ,164FML ,139QMB, 139QMA, JSD139QMB , GY6 ,125-4T6M ,153FMI, 156FMI in kurzen und langen Versionen in den Normen Euro1, Euro2, Euro3 sowie die neuen Euro 4 Einspritzer-Motoren finden Sie Ersatzteile von hoher Qualität. Gerne können Sie auch per Email nach Ersatzteilen anfragen. Bei Bestellwerten über 100 Euro können Sie auch unseren Finanzierungs- bzw. Ratenkauf-Service nutzen. Beim Kauf von Fahrzeugen können wir Ihnen auch ein Leasing-Angebot unterbreiten, das bietet sich insbesondere für Firmen an, die Betriebsfahrzeuge anschaffen, oder ihren Mitarbeitern ein Fahrzeug zur Verfügung stellen. Wir freuen uns auf Ihre Anfrage. Austauschen oder instand setzen?Diese Frage wird von Rollerfahrern häufig gestellt, gleichgültig, ob sie einen 3-Rad Roller, Motorroller, oder Elektroroller beziehungsweise E-Roller besitzen, falls etwas an ihrem Fahrzeug fehlerhaft geworden ist. Ein Ersatzteil, das relativ rasch getauscht werden kann, ist nicht lediglich kostengünstiger, sondern bietet obendrein eine beträchtlich größere Ausfallsicherheit als bei einer Reparatur. Zumeist kann man die Ursache einer Funktionsstörung nicht gleich selber ermitteln und eine kompetente Werkstatt muss ermitteln, wo der Hase im Pfeffer liegt. Eine gute Alternative wäre es in dem Fall, eines unserer fertigen Ersatzteil-Kits, die wir in zahlreichen unterschiedlichen Ausführungen anbieten, zu bestellen. .Qualität ist unsere DeviseDie Qualität unserer Teile braucht keine Konkurrenz auf dem Weltmarkt zu fürchten. Unsere Produkte sind deswegen so günstig, da wir schon beim Einkauf auf ökonomisch sinnvolle Produktmengen achten. Diese zwei Faktoren, nämlich auf der einen Seite die gute Qualität und andererseits der bezahlbare Preis heben uns in erster Linie von anderen Mitbewerbern ab. Sie suchen für einen Sundiro oder Eppella Roller ein Ersatzteil? Keine Sorge, wir haben sie vorrätig.Wir haben klarerweise auch die Originalteile einer Vielzahl Rollermarken im Angebot, obschon unsere Nachbauten mit den Originalen qualitativ durchaus mithalten können und trotzdem vom Preis her überwiegend um einiges preisgünstiger sind. Mit unseren Komponenten können Sie die Instandsetzung Ihres Zweirads selber durchführen beziehungsweise auch von einem Fachmann machen lassen. Zu solch attraktiven Kosten werden Sie zweifelsohne Ihr Zweirad nicht auf andere Art wieder flott bekommen können.Bilder erleichtern das Ordern der gewünschten AustauschteileIn Verbindung mit den Beschreibungen finden Sie in unserem Onlineshop auch entsprechendes Bildmaterial. Hierdurch können Sie gleich Ihre defekte Komponente mit dem verfügbaren Ersatz vergleichen und gehen auf diese Weise sicher, dass Sie hernach auch garantiert den passenden Artikel bekommen. Hierbei reicht nicht nur eine visuelle Ähnlichkeit. Es müssen außerdem sowohl die aufgeführten Spezifikationen als auch die Abmessungen übereinstimmen. Was Sie davon haben:Sie zahlen nur einmal Versandkosten bei Bestellung mehrerer Ersatzteile mit identischen Lieferkriterien"Geld zurück" - Garantie, deshalb Kauf ohne Risikohundertprozentige Fahrsicherheit des Motorrollers, insbesondere bei BremsanlagenPräzisionsfertigung nach DIN-NormAlle unsere Teile sind zuverlässig, preiswürdig und ausfallsicherRoller-AnkaufUnser Lager umfasst Komponenten und Zubehör für ca. 250 Marken und 8500 ModelleSie erhalten von uns ausschließlich die Erstausrüster-Qualität - auch bei kostengünstigen NachbautenKurzfristige LieferzeitenAbhol- und BringserviceAm besten kaufen Sie Roller, Buggys, Fun Fahrzeuge und Quads bei uns als Fachhändler. Weswegen sind wir der entsprechende Partner für Sie? Weil wir für diesen Geschäftsbereich die Meister-Qualifikation und das entsprechende Know-how besitzen, welche dazu unter allen Umständen benötigt wird. Als familiär geführtes Unternehmen betreiben wir nicht ausschließlich das Geschäft in Verbindung mit den Rollern, wir leben unser Geschäft regelrecht. Es ist wichtig, sich das Fachgeschäft folglich zuvor genau anzugucken, bevor man sich für einen Kauf entscheidet. Alles ist bei uns transparent und für den Kunden einleuchtend! Sie dürfen gerne jederzeit bei uns vorbeikommen und sich persönlich ein Bild machen.Das was Sie dort feststellen, wird Sie sicherlich überzeugen.Ist Ihnen der Weg zu uns zu weit? Dann informieren Sie sich doch durch das Trustedshops-Siegels und die diversen Ebay Bewertungen. Auf unserer Webseite Motorroller.de wird sowohl unser Verkaufsshop als auch unsere Geschäftspraxis von Trustedshops mit der Note "sehr gut" bewertet. Unsere Käuferrezensionen bei Ebay liegen mit einem Wert von ca. 99,9 % ebenso auf einem sehr guten Niveau. Zeigen diese Resultate nicht klar und deutlich, dass unsere Kundschaft bestens bei uns aufgehoben ist? Denken Sie aber bitte daran, dass wir keine Roboter sondern auch nur Menschen sind, denen manchmal etwas daneben gehen kann. Für den Fall, dass also etwas nicht vollauf zu Ihrer Zufriedenheit geklappt hat, bitten wir Sie, uns die Gelegenheit zu geben, die Angelegenheit in Ordnung zu bringen.Zu welchen Zeiten wir Ihnen zu Diensten stehen? Jeden Tag von 8:00 bis 18:00 Uhr und am Samstag von 8:00 bis 13:00 Uhr.Über unsWir haben uns die Zufriedenheit unserer Kunden auf die Fahne geschrieben. Unsere Geschäftstätigkeit begann schon vor über 50 Jahren mit dem Bau von Maschinen. Den Handel mit Zweirädern wiederum, betreiben wir gegenwärtig auch bereits seit mehr als 25 Jahren mit Erfolg. Zwischenzeitlich haben wir uns neben dem Vertrieb von Rollern, auf Zubehör, das "Must have" für Motortuning und Ersatzkomponenten spezialisiert.Wir können zeitnah etwa 500.000 Zubehörteile liefernWer auf der Suche nach einem günstigen motorisierten Zweirad oder Einbauteil für seinen fahrbaren Untersatz ist, der wird bei uns unter Motorroller.de auf unserer Web-Seite fündig. Wir haben passendes Zubehör, Einbaukomponenten und Artikel für ca. 8500 Modelle und 250 Fabrikate für Sie auf Lager. Darunter befinden sich beispielsweise so namhafte Produzenten wie Adly, Yamaha, Kreidler oder Jonway. Alles in allem haben wir auf einer Lagerfläche von über 1.000 Quadratmeter mehr als 500.000 Produkte von zahlreichen Anbietern in unserem Hochregallager sofort lieferbar. Alles was Sie als Fahrer eines Rollers benötigen, finden Sie in unserer Zubehörabteilung. Das beginnt bei den Regensets, Nierengürteln und Handschuhen, und geht bis hin zu den Sturzhelmen über die Windschilder und dem Top Case.Auch für alle Tuningfans, welche gerne sportlich fahren, bieten wir ausgewählte Artikel an, wie z.B. Auspuffanlagen, Kolben, Zylinder und weitere Dinge Zylinder, Auspuffanlagen, Kolben und weitere Dinge.Was passiert im Anschluss an die Produktion?Keine Lieferung verlässt unser Unternehmen, bevor sie nicht auf einwandfreie Qualität geprüft worden ist. Dies bedeutet, dass alle Roller, die vom Hersteller bei uns eintreffen, nochmals in unserem Betrieb einer eingehenden Überprüfung auf etwaige Mängel respektive Transportschäden unterzogen werden. Erst dann liefern wir sie an unsere Kunden aus. Wir packen zuallererst jeden Motorroller nach der Ankunft in unserem Haus aus und unterziehen es auf unserem Zweirad-Prüfstand einem Testlauf. Direkt nach der Lieferung zum Kunden wird dann das Fahrzeug abschließend noch einmal auf perfekte Funktion überprüft, sodass wirklich gesichert ist, dass der Käufer ein 100-prozentig einwandfreies Gefährt erhält.Schutz unserer UmweltDer Schutz unserer Umwelt liegt uns besonders am Herzen. Unsere Roller verfügen zum einen allesamt über einen sparsamen Motor. Die Transportverpackung, die bei der Auslieferung Motorroller anfällt, nehmen wir klarerweise wieder mit, um sie einer professionellen Entsorgung zuzuführen - auch das gehört für uns zum Umweltschutz.Ihren alten Roller nehmen wir gerne in ZahlungNach dem Kauf eines neuen Motorrollers aus unserem Zweiradprogramm möchten Sie sich von Ihrem ausgedienten Gefährt trennen? Zerbrechen Sie sich darüber nicht den Kopf! Wir nehmen Ihren gebrauchten Roller gerne in Zahlung.Wir konnten noch nicht alle Bedenken ausräumen?Dann geben Sie uns doch die Gelegenheit, Sie von der Qualität unserer Leistungen zu überzeugen. Im Gegensatz zu den billigen Online-Shops, die schnell wieder weg sind, können wir eine jahrelange Firmentradition vorweisen. Bloß mittels neuer Ideen und fortschrittlicher Innovationen lässt sich eine solide geschäftliche Grundlage schaffen. Darum steht in unserem stetig expandierenden Betrieb Fleiß und ständiges Lernen immer an erster Stelle. Überzeugen Sie sich selbst von unserem außergewöhnlichen Kundenservice und besuchen Sie uns doch einmal in unserem Unternehmen in Lindenfels-Eulsbach.So finden Sie unsLindenfels liegt rund 60 km südlich von Frankfurt am Main und 40 km nordöstlich von Mannheim im Odenwald (Regierungsbezirk Darmstadt). Eine Anfahrt mit der Bahn ist logischerweise gleichfalls möglich.Unsere TopmarkenUnsere Topmarken

Verkaufspreis:
Am Lager
8,20 € Regulärer Preis: 9,43 €
Rabatt
SMC Schlosssatz Scooter Zündschloss 50ccm 2Takt Motorroller.de Schloss-Set Zünd-Schloss Schlossgarnitur

Durchschnittliche Bewertung von 0 von 5 Sternen

SMC Schlosssatz Scooter Zündschloss 50ccm 2Takt Motorroller.de Schloss-Set Zünd-Schloss Schlossgarnitur

zu Artikel: Schlosssatz komplett Der Schlosssatz Zündschlosssatz, Schlössersatz, Schlosssatz, Zuendschlosssatz, Schlossgarnitur, Schloessersatz, Zündschloss, Zuendschloss, Schlossset, Tankdeckel, Tankverschluss, Zündschloss-Satz, Zuendschloss-Satz, Schloss-Garnitur, Schlösser-Satz, Schloesser-Satz, Schloss-Satz, Zünd-Schloss, Zuend-Schloss, Schloss-Set, Tank-Deckel, Tank-Verschluss, Zündschlosskit, Zuendschlosskit, Schlosskit, Schlosssatz Dieser Artikel passt bei vielen Modellen, unter anderem für: SMC STM Rexy 50, SMC STM Scooter, STM SMC Kontra B 50 50km/h, STM SMC Kontra T 50 50km/h Kostenloser Versand   Bei Ersatzteilen für jeden zusätzlichen Artikel mit den gleichen Versandkriterien, den Sie von uns kaufen. Unsere Ersatzteile für ihren Scooter bzw. Motorroller oder auch Roller können Sie bequem online in unserem Shop kaufen. Egal ob sie Ihren Roller im Baumarkt oder im Kaufhaus gekauft haben, für alle gängigen China-, Taiwan-, oder Europa-Roller finden Sie bei uns passende Bauteile, insbesondere für die Motoren 50 cc, 125 cc, 250 ccm, 2-Takt, 4-Takt und für größere Leistungen. Speziell für die Motorentypen 139FMB ,1E40QMB, 1E40QMA ,153FMI, 156FMI ,157QMJ, 158MJ ,125-4T6M ,152QMI, 157QMI ,150QMG ,164FML ,139QMB, 139QMA, JSD139QMB , GY8 in kurzen und langen Versionen in den Normen Euro1, Euro2, Euro3 sowie die neuen Euro 4 Einspritzer-Motoren finden Sie qualitativ hochwertige Ersatzteile. Gerne können Sie auch per Email nach Ersatzteilen anfragen. Bei Bestellwerten über 100 Euro können Sie auch unseren Ratenkauf- bzw. Finanzierungs-Service nutzen. Beim Kauf von Fahrzeugen können wir Ihnen auch ein Leasing-Angebot unterbreiten, das bietet sich insbesondere für Firmen an, die Betriebsfahrzeuge anschaffen, oder ihren Mitarbeitern ein Fahrzeug zur Verfügung stellen. Ihre Anfrage nehmen wir gerne entgegen Das defekte Bauteil reparieren lassen oder gleich ersetzen? Immer wieder stellt sich die Frage, ob ein fehlerhaftes Element am Roller instandsetzt oder getauscht werden soll, gleichgültig, ob sich um einen Elektroroller beziehungsweise E-Roller, 3-Rad Roller oder Motorroller dreht. Zudem bietet ein neues Bauteil eine bedeutend größere Ausfallsicherheit als eine Reparatur des Rollers. Die Ursache einer Funktionsstörung lässt sich oft nur von einem Fachmann mittels Spezialwerkszeugen entdecken. In diesem Fall wäre es vernünftiger, über unseren Shop eines der fertigen Komplett-Kits zu bestellen, welche wir in vielen unterschiedlichen Ausführungen im Angebot haben. . Für Ihr Zweirad - hochwertige Qualitätsteile Die Komponenten, die wir auf Lager haben, entsprechen zu 100 % mit Blick auf die Qualität dem Weltmarktniveau. Wie kommt es, dass wir so günstig sein können? Die Antwort: Weil wir auf wirtschaftlich sinnvolle Einkaufsmengen der Bauteile achten. Bei uns kriegen Sie deswegen alle verfügbaren Teile für Ihren Roller nicht nur in ausgezeichnet Qualität, sondern auch zu einem erschwinglichen Preis. Wir führen sogar für die häufigsten Roller, Buggys und Quads die Einbauteile, die gar nicht mehr hergestellt werden. Beispielsweise haben wir alle Komponenten für die Marken Eppella und Sundiro nach wie vor lieferbar. Sie erhalten bei uns natürlich auch die Originalteile vom Fahrzeughersteller. Falls Sie allerdings Geld sparen wollen [und wer möchte das nicht], sollten Sie auch unsere Nachbauten in Betracht ziehen, die im Übrigen einen qualitativen Vergleich mit dem Erstausrüster- Produkt nicht zu scheuen brauchen, obgleich sie prinzipiell beträchtlich kostengünstiger sind. Sie werden zweifellos keine bessere Alternative finden, um zu bezahlbaren Kosten Ihr motorisiertes Zweirad reparieren zu können. Produktbilder erleichtern das Auffinden der passenden Bauteile In unserem Onlineshop finden Sie reichlich Bildmaterial, das Ihnen eine wertvolle Hilfe ist, Ihr defektes Teil ganz einfach mit dem verfügbaren Ersatz zu vergleichen. Dadurch können Fehllieferungen anhand fehlerhafter Bestellungen schon im Voraus verhindert werden. Achten Sie bitte vor allem auf die Übereinstimmung des alten Elements mit dem abgebildeten Produkt; vor allem was die aufgeführten technischen Angaben und Maße anbelangt.   Auf welche Weise Sie davon profitieren:   Komponenten und Zubehör für zirka 250 Marken und 8500 Modelle auf Lager Wir holen und bringen Ihren Motorroller Wir kaufen Ihr Fahrzeug Kauf ohne Risiko dank "Geld zurück" - Garantie Kurze Lieferzeiten Sie bezahlen nur einmal Versandkosten beim Ordern mehrerer Ersatzteile mit denselben Versandbedingungen hundertprozentige Fahrsicherheit des Zweirads, vor allem bei Bremsanlagen Unsere sämtlichen Produkte sind zuverlässig, kostengünstig sowie betriebssicher Präzisionsfertigung nach DIN-Norm Auch bei kostengünstigen Nachbauten erhalten Sie von uns ohne Ausnahme die Erstausrüsterqualität Roller, Buggys, Quads und Fun-Fahrzeuge kauft man vorzugsweise bei uns als Fachhändler. Warum wäre es für Sie von Vorteil, wenn Sie uns für Sie tätig werden lassen? Weil wir uns in diesem Geschäftsbereich bereits seit Jahrzehnten etabliert haben und Sie darum von unserer gewonnenen Erfahrung profitieren können. Im Vergleich zu einigen unserer Mitbewerber geben wir uns wirklich noch echte Mühe, unsere Kunden zufrieden zu stellen. Nicht nur beim Verkauf, sondern auch im Anschluss. Hierbei legen wir größten Wert auf einen optimalen Fahrzeugservice. Für unseren Familien betrieb ist das Geschäft rund um die Roller der gesamte Lebensinhalt. Kaufen ist Vertrauenssache, in Folge dessen ist es notwendig, sich den Laden vorab genau anzusehen. Bei uns ist alles in Verbindung mit unserem Geschäft transparent! Weshalb besuchen Sie uns nicht mal in unserem Ladengeschäft, um sich selbst zu informieren?Die Vertrauensbestätigung erhalten Sie dann praktisch schwarz auf weiß vor Ort. Wenn Ihnen der Weg zu uns zu weit ist, können Sie sich auch mittels der unterschiedlichen Ebay Bewertungen und des Trustedshops-Siegels sachkundig machen. Zum Beispiel wird sowohl unser Shop als auch unsere Geschäftspraxis mit dem Trustedshops Gütesiegel "sehr gut" beurteilt, was uns zu Recht sehr stolz macht. Unsere Kundenbewertungen bei Ebay liegen mit einem Faktor von ca. 99, 9 % ebenso auf einem sehr guten Level. Was zeigen all diese Ergebnisse ganz klar? Dass wir in allen Belangen stets geben!! Denken Sie aber bitte daran: Wir sind auch bloß Menschen, die mitunter Fehler machen. Sofern also etwas nicht vollends zu Ihrer Zufriedenheit geklappt hat, bitten wir Sie, uns die Chance zu geben, die Sache in Ordnung zu bringen. Unser Fachgeschäft hat für Sie geöffnet: täglich von 8:00 - 18:00 Uhr, samstags von 9:00 - 13:00 Uhr. Unsere Unternehmensphilosophie Wir tun alles, damit unsere Kunden zufrieden sind. Mehr als 25 Jahre sind wir sehr erfolgreich im Fahrzeughandel tätig, wobei wir uns allerdings bereits vor über fünfzig Jahren auf dem Gebiet Maschinenbau Erfolg versprechend etabliert haben. Wir haben uns heute hauptsächlich auf Ersatzbauteile, das "Must have" zur Leistungssteigerung und Zubehör für die meist gefahrenen Roller festgelegt. Wir haben zirka 500.000 Komponenten auf Lager Unter Motorroller.de finden Sie fast alle Teile und Fahrzeuge aus Asien und Europa. Es existieren mittlerweile passendes Zubehör, Artikel und Ersatzteile für rund 8500 Typen und 250 Fabrikate in unserem Lager, die auf Ihre Bestellung warten. Darunter befinden sich z.B. so namhafte Anbieter wie Yamaha, Jonway, Kreidler oder Adly. Auf einer Lagerfläche von über 1.000 m² haben wir in unseren Hochregalen zirka 500.000 Produkte unterschiedlicher Hersteller lieferbar. Hier finden Sie immer das gewünschte Rollerzubehör von A bis Z. Das beginnt bei den Regensets, Nierengürteln und Handschuhen, und geht bis hin zum Top Case über die Schutzhelme und den Windschildern.Auch für alle Tuningfans, welche gerne sportlich fahren, haben wir ausgewählte Artikel im Angebot. Hierzu zählen z.B. Zylinder, Auspuffanlagen, Kolben und andere Dinge. Unmittelbar nach der Produktion Keine Ware verlässt unser Unternehmen, bevor sie nicht auf tadellose Qualität geprüft worden ist. Mit anderen Worten, bevor wir einen Roller in die Hände des Kunden übergeben, wird er von uns nochmals auf einwandfreie Funktion und Mängelfreiheit untersucht. Das erste Mal geschieht das vor dem Versand, indem wir jeden Motorroller auspacken und auf unserem Zweirad-Prüfstand einem Testlauf beziehungsweise einer Übergabekontrolle unterziehen. Direkt nach der Anlieferung beim Kunden wird dann das Fahrzeug abschließend noch einmal auf perfekte Funktion gecheckt, sodass de facto gewährleistet ist, dass der Käufer ein 100-prozentig einwandfreies Gefährt erhält. Umweltschutz Uns liegt besonders viel an einem wirkungsvollen Umweltschutz. Unsere motorisierten Zweiräder verfügen auf der einen Seite durchweg über einen Treibstoff sparenden Verbrennungsmotor. Um unsere Umwelt überdies zu entlasten und eine professionelle Müll-Entsorgung zu garantieren, nehmen wir die Transportverpackung wieder mit, welche bei der Anlieferung unserer Motorroller anfällt. Ihren Motorroller nehmen wir gerne in Zahlung Sie wollen sich bei uns einen neuen Roller anschaffen und sich gleichzeitig von Ihrem alten fahrbaren Untersatz trennen? Keine Sorge! Wir kaufen Ihren gebrauchten Motorroller an. Sie haben immer noch Zweifel? Geben Sie uns doch die Gelegenheit, unsere Leistungen zu beweisen. Wir sind kein billiger Online-Shop, der heute seine Artikel anbietet und morgen schon wieder verschwunden ist. Lediglich anhand neuer Ideen und zeitgemäßer Innovationen lässt sich eine stabile geschäftliche Basis schaffen. Daher steht in unserem stetig expandierenden Betrieb Anpassung an neue Technologien sowie ständiges Lernen immer an erster Stelle. Falls für Sie mal die Möglichkeit besteht, einen Abstecher nach Lindenfels-Eulsbach machen zu können, haben Sie die Gelegenheit, sich persönlich von unserem hervorragenden Kundenservice in unserem Unternehmen zu überzeugen. So finden Sie uns Lindenfels liegt rund 60 km im Süden von Frankfurt/Main und 40 km nordöstlich von Mannheim im Odenwald (Regierungsbezirk Darmstadt). Alternativ ist es natürlich auch möglich, mit der Bahn zu fahren. Unsere Topmarken Unsere Topmarken Hinweise zu: Schlosssatz

Verkaufspreis:
Kurzfristig lieferbar
89,90 € Regulärer Preis: 103,39 €
Rabatt
Zündschloss Rex Quad 150 Lenkradschloss ATV 150ccm 4Takt Motorroller.de Zünd-Schloss Lenkerschloss Lenker-Schloss Anlasserschloss Anlasser-Schloss UTV

Durchschnittliche Bewertung von 0 von 5 Sternen

Zündschloss Rex Quad 150 Lenkradschloss ATV 150ccm 4Takt Motorroller.de Zünd-Schloss Lenkerschloss Lenker-Schloss Anlasserschloss Anlasser-Schloss UTV

zu Artikel: Zündschloss Technik-Info Das Zündschloss Zuendschloss, Zündschloss, Lenkradschloss, Anlasserschloss, Zünd-Schloss, Zuend-Schloss, Lenkerschloss, Lenker-Schloss, Anlasser-Schloss Das Zündschloss Hat sowohl die Funktion des Diebstahlschutzes (Unterbrechung der Motorelektrik + Lenkerschloss) wie auch die Schonung der Batterie durch Unterbrechung der Stromkreise beim Parken. Meist empfiehlt es sich, die Schlösser im Set zu wechseln. So reich auch in Zukunft ein Schlüssel für Tank-, Sitz- und Lenkradschloss. Dieser Artikel passt bei vielen Modellen, unter anderem für: SMC STM Quad 250, Rex Quad 150, SMC STM Quad 200, , Barossa Cheetah 250, Kreidler Mustang 250, Kreidler Mustang 200, SMC STM Quad 150, Ering Quad STINGER 200, SMC STM REX Quad 150, SMC STM REX Quad 250 Die Marke Rex ist eine der meistverkauften in Deutschland. Durch ständige Qualitätskontrollen vorort beim Hersteller ist ein hoher Standard gewährleistet. Kostenloser Versand   Bei Ersatzteilen für jeden zusätzlichen Artikel mit den gleichen Versandkriterien, den Sie von uns kaufen. Unsere Ersatzteile für ihren Scooter bzw. Motorroller oder auch Roller können Sie bequem online in unserem Shop kaufen. Egal ob sie Ihren Roller im Baumarkt oder im Kaufhaus gekauft haben, für alle gängigen China-, Europa-, oder Taiwan-Roller finden Sie bei uns passende Bauteile, insbesondere für die Motoren 50 cc, 125 cc, 250 ccm, 2takt, 4takt und für größere Leistungen. Speziell für die Motorentypen 139QMB, 139QMA, JSD139QMB ,153FMI, 156FMI ,139FMB ,152QMI, 157QMI ,150QMG ,1E40QMB, 1E40QMA ,157QMJ, 158MJ , GY6 ,125-4T6M ,164FML in kurzen und langen Versionen in den Normen Euro1, Euro2, Euro3 sowie die neuen Euro 4 Einspritzer-Motoren finden Sie hochqualitative Ersatzteile. Gerne können Sie auch per Email nach Ersatzteilen anfragen. Bei Bestellwerten über 100 Euro können Sie auch unseren Finanzierungs- bzw. Ratenkauf-Service nutzen. Beim Kauf von Fahrzeugen können wir Ihnen auch ein Leasing-Angebot unterbreiten, das bietet sich insbesondere für Firmen an, die Betriebsfahrzeuge anschaffen, oder ihren Mitarbeitern ein Fahrzeug zur Verfügung stellen. Bitte fragen Sie an.

Verkaufspreis:
Nicht verfügbar
39,89 € Regulärer Preis: 45,87 €
Rex Quad 50 Magnetschalter Starterschalter 50ccm 2Takt 73702 Motorroller.de Anlasserschalter Elektrostartschalter ATV SMC UTV Ersatzteil Service

Durchschnittliche Bewertung von 0 von 5 Sternen

Rex Quad 50 Magnetschalter Starterschalter 50ccm 2Takt 73702 Motorroller.de Anlasserschalter Elektrostartschalter ATV SMC UTV Ersatzteil Service

zu Artikel: Magnetschalter 73702 MagnetschalterTechnik-InfoMagnetschalterAnlasserschalter, Magnetschalter, Starterschalter, ElektrostartschalterDieser Artikel passt bei vielen Modellen, unter anderem für: Kreidler Mustang 50, gerne können Sie uns eine Email-Anfrage senden, Bitte vergleichen Sie mit ihren Fahrzeugpapieren, motorroller.de ihr Roller-Experte, Die Marke Rex ist eine der meistverkauften in Deutschland. Durch ständige Qualitätskontrollen vorort beim Hersteller ist ein hoher Standard gewährleistet.Kostenloser Versand   Bei Ersatzteilen für jeden zusätzlichen Artikel mit den gleichen Versandkriterien, den Sie von uns kaufen.Unsere Ersatzteile für ihren Scooter bzw. Roller oder auch Motorroller können Sie bequem online in unserem Shop kaufen. Egal ob sie Ihren Roller im Baumarkt oder im Kaufhaus gekauft haben, für alle gängigen China-, Taiwan-, oder Europa-Roller finden Sie bei uns passende Bauteile, insbesondere für die Motoren 50 cc, 125 cc, 250 ccm, 4takt, 2takt und für größere Leistungen. Speziell für die Motorentypen 152QMI, 157QMI ,153FMI, 156FMI ,125-4T6M , GY6 ,164FML ,139FMB ,139QMB, 139QMA, JSD139QMB ,157QMJ, 158MJ ,1E40QMB, 1E40QMA ,150QMG in kurzen und langen Versionen in den Normen Euro1, Euro2, Euro3 sowie die neuen Euro 4 Einspritzer-Motoren finden Sie Ersatzteile von hoher Qualität. Gerne können Sie auch per Email nach Ersatzteilen anfragen. Bei Bestellwerten über 100 Euro können Sie auch unseren Finanzierungs- bzw. Ratenkauf-Service nutzen. Beim Kauf von Fahrzeugen können wir Ihnen auch ein Leasing-Angebot unterbreiten, das bietet sich insbesondere für Firmen an, die Betriebsfahrzeuge anschaffen, oder ihren Mitarbeitern ein Fahrzeug zur Verfügung stellen. Ihre Anfrage nehmen wir gerne entgegen Hinweise zu: Magnetschalter

Regulärer Preis:
Am Lager
59,90 €