Zum Hauptinhalt springen Zur Suche springen Zur Hauptnavigation springen
Menü
efr
erf
rrrf
Schnell lieferbar
14 Tage Rückgaberecht
Schneller DPD Versand

zu Artikel: Das Startrelais

Anlasserrelais

Technik-Info

Startrelais

Starterrelais, Anlasserrelais, Startrelais, Magnetschalter, Relais Starter, Starterschalter, Anlasser-Relais, Starter-Relais

Magnetschalter für Anlasser. Passend für Anlasser der Roller-Motoren. Gegebenenfalls sind Anpassungen, wie Stecker, etc.., vorzunehmen.

Die Marke Rex ist eine der meistverkauften in Deutschland. Durch ständige Qualitätskontrollen vorort beim Hersteller ist ein hoher Standard gewährleistet.

Kostenloser Versand   Bei Ersatzteilen für jeden zusätzlichen Artikel mit den gleichen Versandkriterien, den Sie von uns kaufen.

Unsere Ersatzteile für ihren Scooter bzw. Roller oder auch Motorroller können Sie bequem online in unserem Shop kaufen. Egal ob sie Ihren Roller im Kaufhaus oder im Baumarkt gekauft haben, für alle gängigen China-, Europa-, oder Taiwan-Roller finden Sie bei uns passende Bauteile, insbesondere für die Motoren 50 cc, 125 cc, 250 ccm, 2takt, 4takt und für größere Leistungen. Speziell für die Motorentypen 139QMB, 139QMA, JSD139QMB , GY6 ,125-4T6M ,164FML ,153FMI, 156FMI ,139FMB ,152QMI, 157QMI ,150QMG ,1E40QMB, 1E40QMA ,157QMJ, 158MJ in kurzen und langen Versionen in den Normen Euro1, Euro2, Euro3 sowie die neuen Euro 4 Einspritzer-Motoren finden Sie Ersatzteile von bewährter Qualität. Gerne können Sie auch per Email nach Ersatzteilen anfragen. Bei Bestellwerten über 100 Euro können Sie auch unseren Ratenkauf- bzw. Finanzierungs-Service nutzen. Beim Kauf von Fahrzeugen können wir Ihnen auch ein Leasing-Angebot unterbreiten, das bietet sich insbesondere für Firmen an, die Betriebsfahrzeuge anschaffen, oder ihren Mitarbeitern ein Fahrzeug zur Verfügung stellen. Bitte fragen Sie an.

Reparieren oder tauschen - was ist die sinnvollere Option?

Gleichgültig, ob jemand einen Elektroroller respektive E-Roller, Motorroller oder 3-Rad Roller fährt, er stellt sich mit Sicherheit oft die Frage, ob sie ein kaputtes Bauteil austauschen oder reparieren lassen sollen. Nicht immer ist eine solche Entscheidung einfach zu treffen. Zumeist ist es allerdings kostengünstiger, das defekte Teil gleich zu ersetzen, anstelle zu reparieren. Zusätzlich bietet ein Ersatzteil eine beträchtlich größere Funktionssicherheit als eine Instandsetzung des Motorrollers. Oftmals kann bloß eine kompetente Fachwerkstatt den Mangel auf Anhieb entdecken. Eine vernünftige Alternative wäre es in einem solchen Fall, eines unserer einbaufertigen Ersatzteil-Kits, welche wir für zahlreiche diverse Komponenten anbieten, zu bestellen. Sie werden bemerken, dass es unterm Strich erheblich günstiger und auch leichter ist, wenn Sie anstatt viel Geld für die Reparatur zu bezahlen, gleich die vollständige Baugruppe ersetzen.

Hochwertige Elemente für Ihr Zweirad

Die Produkte, welche wir auf Lager haben, entsprechen im Hinblick auf die Qualität dem Weltmarktniveau. Wie kommt es, dass wir so günstig sein können? Die Antwort: Weil wir auf wirtschaftlich sinnvolle Einkaufsmengen der Komponenten achten. Bei uns kriegen Sie deswegen sämtliche verfügbaren Bauelemente für Ihren fahrbaren Untersatz nicht nur in bester Qualität, sondern auch für einen attraktiven Preis.

Wir führen sogar für die allermeisten Motorroller, Buggys und Quads die Zubehörteile, welche gar nicht mehr gefertigt werden. Beispielsweise haben wir alle Ersatzteile für die Marken Eppella und Sundiro nach wie vor auf Lager.

Sie erhalten bei uns klarerweise auch die Originalteile vom Fahrzeughersteller. Sofern Sie andererseits Geld sparen möchten [und wer möchte das nicht], sollten Sie auch unsere Nachbauten in Erwägung ziehen, die im Übrigen einen qualitativen Vergleich zum Erstausrüster- Produkt nicht zu scheuen brauchen, obschon sie im Allgemeinen bedeutend preisgünstiger sind. Mit unseren Bauteilen können Sie die Reparatur an Ihrem Zweirad selbst bewerkstelligen beziehungsweise auch von einem Fachmann durchführen lassen. Da Sie obendrein nicht auf teure Originalteile zurückgreifen müssen, haben Sie die Möglichkeit, in dem Fall Ihren Geldbeutel zu schonen. Es gibt zweifelsohne keine andere Alternative, durch die Sie zu günstigen Preisen und in vorzüglicher Qualität Ihr Zweirad reparieren können.

Es ist denkbar leicht, mittels der Bilder die passende Komponente zu ordern

Aufgrund des anschaulichen Bildmaterials können Sie Ihr defektes Bauteil auf einfache Weise mit dem verfügbaren Ersatz vergleichen, damit Sie auch de facto das richtige Produkt erhalten. Entscheidend ist hierbei, dass Ihre Bestellung nicht nur visuell, sondern auch in den Spezifikationen und Dimensionen mit dem schadhaften Teil zusammenpasst.

Ihre Vorteile:

Auch bei günstigen Nachbauten bekommen Sie von uns immer die Erstausrüster-QualitätSie bezahlen nur einmal Versandkosten bei Bestellung mehrerer Komponenten mit identischen LieferkriterienUnser Lager umfasst Einbauelemente und Zubehör für etwa 250 Marken und 8500 TypenISO-zertifizierte PräzisionsfertigungUnsere Lieferungen erfolgen zumeist kurzfristig"Geld zurück" - Garantie, deshalb Kauf ohne Risikohundertprozentige Verkehrssicherheit des Zweirads, speziell bei BremsanlagenRoller-AnkaufAlle unsere Erzeugnisse sind ausfallsicher, preisgünstig und gebrauchstauglichWir holen und bringen Ihr Fahrzeug

Wir sind die erste Adresse, für den Fall, dass es um den Erwerb von einem Roller, Buggy, Fun Fahrzeug oder Quad geht. Weshalb sollten Sie sich an uns wenden? Da wir durch unsere jahrzehntelange praktischen Erfahrung das notwendige Know-how für diesen Geschäftsbereich besitzen, können wir Ihnen einen optimalen Service bieten. Unsere Passion ist es, nicht lediglich zu verkaufen, sondern den Käufer auch anschließend zu betreuen sowie einen möglichst kompletten Fahrzeugservice zu bewerkstelligen. Als Familienbetrieb betreiben wir nicht nur das Geschäft rund um die Roller, wir leben das Geschäft richtiggehend.

Kaufen ist Vertrauenssache, in Folge dessen ist es wichtig, sich den Laden zuerst genau anzugucken. Alles ist in unserem Geschäft 100-prozentig transparent! Kommen Sie doch einfach mal in unserem Ladengeschäft vorbei und machen Sie sich selber ein Bild von uns.Sie sehen dann die Bestätigung unserer Qualität quasi mit eigenen Augen.

Wenn Ihnen die Anfahrtsstrecke zu uns zu weit ist, können Sie sich auch mittels des Trustedshops-Siegels und die diversen Ebay Bewertungen sachkundig machen. Auf unserer Firmenwebseite Motorroller.de wird sowohl unsere Geschäftspraxis als auch unser Verkaufsshop von Trustedshops mit der Note "sehr gut" bewertet. Der Wert von rund 99,9 Prozent bei Ebay in den Käuferbewertungen kann sich gleichermaßen sehen lassen. Beweisen diese Resultate nicht klar und deutlich, dass unsere Kundschaft bestens bei uns aufgehoben ist?

Bedenken Sie aber: Wir sind auch nur Menschen, die zuweilen etwas falsch machen. Wir wollen Sie deshalb bitten, uns auf jeden Fall eine Chance zur Verbesserung zu geben, wenn mal etwas nicht ganz geklappt hat.

Unsere kompetenten Mitarbeiter sind täglich von 8:00 - 18:00 Uhr und samstags von 9:00 - 13:00 für Sie da.

Unser Unternehmen stellt sich vor

Wir haben uns die Zufriedenheit unserer Kundschaft auf die Fahne geschrieben. Den Handel mit Zweirädern betreiben wir bereits über 25 Jahre äußerst Erfolg versprechend, möchten hierbei jedoch erwähnen, dass wir schon mehr als 5 Jahrzehnte auf eine Erfolgsgeschichte auf dem Sektor Maschinenbau zurückschauen können. Zwischenzeitlich haben wir uns auf Ersatzkomponenten, Fahrzeugzubehör und das "Must have" zur Steigerung der Motorleistung für die meisten Roller festgelegt.

Unser Sortiment schließt ca. 500.000 Teile ein

Auf unserer Website finden Sie unter Motorroller.de fast sämtliche Einbauteile und Zweiräder aus Asien und Europa. Es existieren mittlerweile Einbaukomponenten, Artikel und passendes Zubehör für circa 8500 Ausführungen und 250 Marken in unserem Auslieferungslager, die lediglich auf Ihre Bestellung warten. Beispielsweise arbeiten wir bereits jahrelang mit Lieferanten wie Yamaha, Kreidler, Jonway oder Adly zusammen. Es sind rund 500.000 Produkte von diversen zahlreicher Hersteller, welche wir in unserem Hochregallager auf einer Fläche von über 1.000 m² im Sortiment haben. Unsere Zubehörabteilung bietet demzufolge alles, was man als Rollerfahrer braucht.

Das beginnt bei den Sturzhelmen über die Windschilder und dem Top Case, und geht bis hin zu Handschuhen, Nierengürteln und Regensets.Damit die Tuningfreaks nicht zu kurz kommen, haben wir für sie ausgesuchte Artikel wie Auspuffanlagen, Zylinder, Kolben und andere Dinge im Produktsortiment.

Was geschieht nach erfolgter Produktion?

Ständige Prüfung der Qualität ist unsere Passion. Anders ausgedrückt, sämtliche Motorroller, die den Hersteller verlassen haben, werden von uns nochmals ausführlich auf etwaige Fehler beziehungsweise Transportschäden durchgecheckt, ehe wir sie in die Hände unserer Kunden übergeben. Sobald die Fahrzeuge bei uns eintreffen, wird jedes einzelne Zweirad ausgepackt und als erstes einer Sichtprüfung sowie einem Testlauf auf unserem Prüfstand unterzogen. Direkt nach der Lieferung zum Käufer wird dann der Roller am Ende nochmals auf einwandfreie Funktion überprüft, sodass wirklich gesichert ist, dass der Kunde ein absolut korrektes Gefährt bekommt.

Umweltschutz wir bei uns groß geschrieben

Was uns besonders am Herzen liegt, ist ein effektiver Schutz unserer Umwelt. Zur Bewahrung der Luftreinheit besitzen unsere Zweiräder im Allgemeinen Motoren, die äußerst Benzin sparend laufen. Bei der Anlieferung unserer Fahrzeuge fällt ausnahmslos Verpackungsmaterial an. Diese nehmen wir selbstverständlich wieder zu einer professionellen Entsorgung wieder mit.

Wir nehmen Ihren ausgedienten Motorroller in Zahlung

Ihr alter Motorroller ist in die Jahre gekommen und Sie haben vor, bei uns ein neues Modell zu kaufen. Aber was tun mit dem Oldie? Machen Sie sich über diese Sache keine Gedanken! Wir kaufen Ihren ausgedienten Roller an.

Immer noch nicht überzeugt?

Geben Sie uns doch die Chance, unsere Leistungen unter Beweis stellen zu dürfen. Im Gegensatz zu den billigen Onlineshops, die schon nach vergleichsweise kurzer Zeit wieder von der Bildfläche verschwinden, können wir auf eine jahrelange Firmentradition zurück blicken. Ausschließlich anhand zeitgemäßer Innovationen und neuer Ideen lässt sich eine gut fundierte geschäftliche Ausgangsbasis schaffen. So gesehen steht in unserem stetig wachsenden Betrieb ständiges Lernen und die Anpassung an modernen Technologien immer an erster Stelle. Für den Fall, dass für Sie mal die Möglichkeit besteht, einen Abstecher nach Lindenfels-Eulsbach zu machen, können Sie die Gelegenheit nutzen, sich selbst von unserem außergewöhnlichen Kundenservice in unserem Unternehmen zu überzeugen.

So finden Sie uns

Lindenfels liegt im Regierungsbezirk Darmstadt, und zwar 40 km nordöstlich von Mannheim respektive circa 60 km südlich von Frankfurt am Main. Sie fahren am besten von Süden her über die A8, während Sie aus nördlicher Richtung die A6 nehmen. Natürlich kann man auch sehr bequem mit der Bahn anreisen.

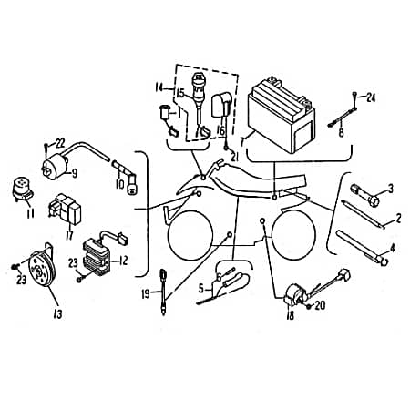
Baugruppe: Motor

Ersatzteil: Anlasser

Artikelposition in Explosionszeichnung: 18

Motorroller bequem online kaufen – von der Bestellung bis zur Lieferung


Mobiler Home Service – Bundesweit Inspektionen und Reparaturen


Motorroller.de – Über uns – Ihr Support vom Profi seit 1993

Ihr Finanzierungsplan**
Monate Rate mtl. Gesamt
6039,67 €2.380,49 €
12157,59 €1.891,14 €

Einfach im Bestellvorgang die Expokredit-Finanzierung als Zahlungsweise auswählen ...

  • Barossa Cheetah 250
  • Kreidler F-Kart 170
  • Kreidler Mustang 170 UTILITY
  • Kreidler Mustang 200
  • Kreidler Mustang 250
  • Rex Quad 150
  • Rex Quad 150ccm (1-Zyl.)
  • Rex Quad 250
  • Rex Quad 250ccm (2-Zyl.)
  • SMC STM Quad 150
  • SMC STM Quad 170
  • SMC STM Quad 200
  • SMC STM Quad 250
Produktgalerie überspringen

Kunden haben sich ebenfalls angesehen

Rabatt
Rex RS125 Kickstarter-Feder Kickstarter Variomatik Motorrad 80409
Rex RS125 Kickstarter-Feder Kickstarter Variomatik Motorrad 80409

Kickstarter-Feder 80409 Kickstarter-Feder Technik-Info Kickstarterfeder auch zu finden unter: Kickstarter-Feder, Rückzugsfeder, Rueckzugsfeder, Torsionsfeder, Rückzugfeder, Rueckzugfeder, Spannfeder, Feder, Kickstarterfeder, Feder-Kickstarter, Rückzug-Feder, Rueckzug-Feder, Spann-Feder, Rückzugsfeder, Rückzugs Feder, Rueckzugs Feder Da Federn ständig wechselnder Belastungen ausgesetzt sind, spielt die "Materialermüdung" hier eine wichtige Rolle. Wir beziehen diese entweder direkt von den Fahrzeugherstellern oder von erfahrenen bewährten Zulieferer. Dieser Artikel passt bei vielen Modellen, unter anderem für: Kreidler Florett 125E Kreidler Florett 125G Kreidler Galactica 125 Kreidler Hiker 125 Kreidler Hiker 125 DD Kreidler Hiker 2.0 125 DD Kreidler Insignio 125 DD Kreidler MONACO 125 Kreidler REX Monaco 125 Race/Urban Kreidler RMC-E Hiker 125 DD SPORT Kreidler RMC-H Galactica 125 DD Rex Imola 125 Rex Imola 125 Race/Urban Rex Milano 125 Rex Monaco 125 Rex Monaco 125 Race Urban Rex Rexy 125 Rex RS 1000 Rex RS 1100 Rex RS 125 Rex RS 125 Capriolo Street Rex RS 125 QM125T 10D Rex RS 125 QM125T 10H Rex SC 125 QM125T 10A-A Rex Silverstreet Rex Speedy 125 QM125T-10A Rex Torino 125 Die Marke Rex ist eine der meistverkauften in Deutschland. Durch ständige Qualitätskontrollen vorort beim Hersteller ist ein hoher Standard gewährleistet. Geprüfte Erstausrüsterqualität beste Verarbeitung Best. Ware günstiger Preis da Direktimport Kauf 100% ohne Risiko vom Topseller Unsere Ersatzteile für ihren Motorroller bzw. Scooter oder auch Roller können Sie bequem online in unserem Shop kaufen. Egal ob sie Ihren Roller im Kaufhaus oder im Baumarkt gekauft haben, für alle gängigen China-, Taiwan-, oder Europa-Roller finden Sie bei uns passende Bauteile, insbesondere für die Motoren 50 cc, 125 cc, 250 ccm, 2takt, 4takt und für grössere Leistungen. Speziell für die Motorentypen 157QMJ, 158MJ ,1E40QMB, 1E40QMA ,164FML , GY6 ,125-4T6M ,139QMB, 139QMA, JSD139QMB ,153FMI, 156FMI ,139FMB ,152QMI, 157QMI ,150QMG in kurzen und langen Versionen in den Normen Euro1, Euro2, Euro3 sowie die neuen Euro 4 Einspritzer-Motoren finden Sie Ersatzteile von bewährter Qualität. Gerne können Sie auch per Email nach Ersatzteilen anfragen. Bei Bestellwerten über 100 Euro können Sie auch unseren Finanzierungs- bzw. Ratenkauf-Service nutzen. Beim Kauf von Fahrzeugen können wir Ihnen auch ein Leasing-Angebot unterbreiten, das bietet sich insbesondere für Firmen an, die Betriebsfahrzeuge anschaffen, oder ihren Mitarbeitern ein Fahrzeug zur Verfügung stellen. Wir freuen uns auf Ihre Anfrage.

Verkaufspreis:
Verfügbar
10,36 € Regulärer Preis: 11,91 €
Rabatt
Rex Flash 50 Fußraumverkleidung 50ccm 2Takt 53311-PAF-00 Motorroller.de Fußraumabdeckung Fußtrittabdeckung Minarelli liegend Mokick Ersatzteil Service
Rex Flash 50 Fußraumverkleidung 50ccm 2Takt 53311-PAF-00 Motorroller.de Fußraumabdeckung Fußtrittabdeckung Minarelli liegend Mokick Ersatzteil Service

zu Artikel: Fußraumverkleidung 53311-PAF-00 Technik-InfoFußraumverkleidungFußraumverkleidung, Fußbodenverkleidung, Trittbrettverkleidung, Fussraumverkleidung, Fußbrettverkleidung Seit vielen Jahren arbeiten wir mit diesem Hersteller erfolgreich und zuverlässig zusammen. Die Teile haben sich in der Praxis stets bewährt.Kostenloser Versand   Bei Ersatzteilen für jeden zusätzlichen Artikel mit den gleichen Versandkriterien, den Sie von uns kaufen.Sie können unsere Ersatzteile für ihren Roller bzw. Motorroller oder auch Scooter bequem online in unserem Shop kaufen. Egal ob Kaufhaus-Roller oder im Baumarkt-Roller, für alle gängigen Europa-, China-, oder Taiwan-Roller finden Sie bei uns passende Bauteile. Speziell für die Motoren 50 cc, 125 cc, 250 ccm, 2takt, 4takt und für größere Leistungen. Speziell für die Motorentypen 139QMB, 139QMA, 1E40QMB, 152QMI, 157QMI, GY6, 125-4T6M, 139FMB, 153FMI, 156FMI, 157QMJ, 158MJ, 164FML, 1E40QMA, JSD139QMB, 150QMG in kurzen und langen Versionen in den Normen Euro1, Euro2, Euro3 sowie die neuen Euro 4 Einspritzer-Motoren finden Sie qualitativ hochwertige Ersatzteile. Emailanfragen nach speziellen Ersatzteilen beantworten wir Ihnen gerne. Wenn sie für mehr als 100 Euro bestellen, können wir Ihnen auch Finanzierungs- bzw. Ratenkauf anbieten. Beim Kauf von Fahrzeugen haben Sie auch die Möglichkeit zu finanzieren oder zu leasen. Letzteres bietet sich besonders für Firmen an, die Betriebsfahrzeuge anschaffen, oder ihren Mitarbeitern ein Fahrzeug zur Verfügung stellen. Bitte fragen Sie an.

Verkaufspreis:
Nicht verfügbar
76,00 € Regulärer Preis: 87,40 €
Rabatt
Kreidler Galactica 3.0 Vergaserheizungselement Roller Scooter 741626 Motorroller.de Vergaservorwärmung Vergaserheizung Ersatzteil Service Inpektion
Kreidler Galactica 3.0 Vergaserheizungselement Roller Scooter 741626 Motorroller.de Vergaservorwärmung Vergaserheizung Ersatzteil Service Inpektion

zu Artikel: Vergaserheizungselement 741626Technik-InfoVergaserheizungselementauch zu finden unter: VergaserheizungselementKostenloser Versand Bei Ersatzteilen für jeden zusätzlichen Artikel mit den gleichen Versandkriterien, den Sie von uns kaufen.

Verkaufspreis:
Verfügbar
9,60 € Regulärer Preis: 11,04 €
Rabatt
Jonway Insignio 250 DD Führung Roller 250ccm 4Takt 750544 Motorroller.de Nockenwellenritzel Gleitführung Bewegungsführung 250ccm-4Takt Scooter Service
Jonway Insignio 250 DD Führung Roller 250ccm 4Takt 750544 Motorroller.de Nockenwellenritzel Gleitführung Bewegungsführung 250ccm-4Takt Scooter Service

zu Artikel: Führung Nockenwellenritzel 750544 Technik-Info Führung Bewegungsführung, Führung, Bewegungsfuehrung, Fuehrung, Gleitführung Die Marke Rex ist eine der meistverkauften in Deutschland. Durch ständige Qualitätskontrollen vorort beim Hersteller ist ein hoher Standard gewährleistet. Kostenloser Versand   Bei Ersatzteilen für jeden zusätzlichen Artikel mit den gleichen Versandkriterien, den Sie von uns kaufen. Unsere Ersatzteile für ihren Scooter bzw. Roller oder auch Motorroller können Sie bequem online in unserem Shop kaufen. Egal ob sie Ihren Roller im Kaufhaus oder im Baumarkt gekauft haben, für alle gängigen Europa-, Taiwan-, oder China-Roller finden Sie bei uns passende Bauteile, insbesondere für die Motoren 50 cc, 125 cc, 250 ccm, 2-Takt, 4-Takt und für größere Leistungen. Speziell für die Motorentypen 157QMJ, 158MJ ,139FMB ,139QMB, 139QMA, JSD139QMB , GY6 ,1E40QMB, 1E40QMA ,150QMG ,153FMI, 156FMI ,125-4T6M ,164FML ,152QMI, 157QMI in kurzen und langen Versionen in den Normen Euro1, Euro2, Euro3 sowie die neuen Euro 4 Einspritzer-Motoren finden Sie qualitativ hochwertige Ersatzteile. Gerne können Sie auch per Email nach Ersatzteilen anfragen. Bei Bestellwerten über 100 Euro können Sie auch unseren Ratenkauf- bzw. Finanzierungs-Service nutzen. Beim Kauf von Fahrzeugen können wir Ihnen auch ein Leasing-Angebot unterbreiten, das bietet sich insbesondere für Firmen an, die Betriebsfahrzeuge anschaffen, oder ihren Mitarbeitern ein Fahrzeug zur Verfügung stellen. Wir freuen uns auf Ihre Anfrage.

Verkaufspreis:
Nicht verfügbar
2,97 € Regulärer Preis: 3,42 €
Rabatt
PGO X-Rider Aufkleber Verkleidung rechts Sticker Dekor X1601040000 Motorroller.de Dekor-Aufkleber Klebeetikett Quad ATV
PGO X-Rider Aufkleber Verkleidung rechts Sticker Dekor X1601040000 Motorroller.de Dekor-Aufkleber Klebeetikett Quad ATV

zu Artikel: Aufkleber "X-Rider" Verkleidung rechts X1601040000 Aufkleber "X-Rider" Verkleidung rechtsTechnik-InfoAufkleberDekor-Aufkleber, Sticker, Hinweis-Schild, Klebeetikett, Dekor, Aufkleber, Abziehbilder, WerbemittelDieser Artikel passt bei vielen Modellen, unter anderem für: Bitte vergleichen Sie mit ihren Fahrzeugpapieren, PGO Quad X-Rider 50, PGO Quad X-Rider 150, PGO Quad X-Rider 110Kostenloser Versand   Bei Ersatzteilen für jeden zusätzlichen Artikel mit den gleichen Versandkriterien, den Sie von uns kaufen.Unsere Ersatzteile für ihren Scooter bzw. Roller oder auch Motorroller können Sie bequem online in unserem Shop kaufen. Egal ob sie Ihren Roller im Kaufhaus oder im Baumarkt gekauft haben, für alle gängigen Europa-, Taiwan-, oder China-Roller finden Sie bei uns passende Bauteile, insbesondere für die Motoren 50 cc, 125 cc, 250 ccm, 4takt, 2takt und für größere Leistungen. Speziell für die Motorentypen 150QMG ,139FMB ,139QMB, 139QMA, JSD139QMB ,153FMI, 156FMI ,1E40QMB, 1E40QMA , GY6 ,152QMI, 157QMI ,125-4T6M ,164FML ,157QMJ, 158MJ in kurzen und langen Versionen in den Normen Euro1, Euro2, Euro3 sowie die neuen Euro 4 Einspritzer-Motoren finden Sie Ersatzteile von erstklassiger Qualität. Gerne können Sie auch per Email nach Ersatzteilen anfragen. Bei Bestellwerten über 100 Euro können Sie auch unseren Ratenkauf- bzw. Finanzierungs-Service nutzen. Beim Kauf von Fahrzeugen können wir Ihnen auch ein Leasing-Angebot unterbreiten, das bietet sich insbesondere für Firmen an, die Betriebsfahrzeuge anschaffen, oder ihren Mitarbeitern ein Fahrzeug zur Verfügung stellen. Ihre Anfrage nehmen wir gerne entgegen

Verkaufspreis:
Verfügbar
27,05 € Regulärer Preis: 31,11 €
Rabatt
Anschlusskabel CDI von 5 auf 2 u 4 Polig 1E40QMB 50ccm 2Takt Motorroller.de Verbindungskabel Anschlußkabel Scooter AGM Fighter 50 One Fighter 50 Sport
Anschlusskabel CDI von 5 auf 2 u 4 Polig 1E40QMB 50ccm 2Takt Motorroller.de Verbindungskabel Anschlußkabel Scooter AGM Fighter 50 One Fighter 50 Sport

zu Artikel:Anschlusskabel / Verbindungskabel CDI von 5 auf 2/4 polig 1070208Anschlusskabel / Verbindungskabel CDI von 5 auf 2 u 4 Polig 2Takt 50ccm YY50QT-28 Motortyp:1E40QMBTechnik-InfoAnschlusskabelVerbindungskabel, Adapter, Anschlußkabel, Kabel, AnschlusskabelDieser Artikel passt bei vielen Modellen, unter anderem für: AGM Fighter 50 One, AGM Firejet 50 YY50QT-28-AA-2TC, AGM Fighter 50 Sport, Kreidler Galactica 2.0 RC 50, Kreidler Jigger 50, Rex Drive Sport 50, Kreidler Hiker 50, Rex Drive 50, Kreidler RMC-E Hiker 50 DD SPORT, Kreidler RMC-E Hiker 50 DD, Kreidler Galactica 2.0 50 DD, Kreidler Galactica 50, Jonway Jigger 50, Jonway Galactica 2.0 RS 50 DD, Kreidler Galactica 2.0 RS 50 DDDie Ersatzteile dieses Herstellers haben sich seit Jahren im täglichen Einsatz bewährt. Durch beständigen Erfahrungsaustausch wird die Qualität auf ein Maximum angehoben.Unsere Ersatzteile für ihren Roller bzw. Scooter oder auch Motorroller können Sie bequem online in unserem Shop kaufen. Egal ob sie Ihren Roller im Kaufhaus oder im Baumarkt gekauft haben, für alle gängigen China-, Europa-, oder Taiwan-Roller finden Sie bei uns passende Bauteile, insbesondere für die Motoren 50 cc, 125 cc, 250 ccm, 4takt, 2takt und für größere Leistungen. Speziell für die Motorentypen 164FML ,157QMJ, 158MJ ,1E40QMB, 1E40QMA ,150QMG ,153FMI, 156FMI ,125-4T6M , GY6 ,152QMI, 157QMI ,139FMB ,139QMB, 139QMA, JSD139QMB in kurzen und langen Versionen in den Normen Euro1, Euro2, Euro3 sowie die neuen Euro 4 Einspritzer-Motoren finden Sie qualitativ hochwertige Ersatzteile. Gerne können Sie auch per Email nach Ersatzteilen anfragen. Bei Bestellwerten über 100 Euro können Sie auch unseren Finanzierungs- bzw. Ratenkauf-Service nutzen. Beim Kauf von Fahrzeugen können wir Ihnen auch ein Leasing-Angebot unterbreiten, das bietet sich insbesondere für Firmen an, die Betriebsfahrzeuge anschaffen, oder ihren Mitarbeitern ein Fahrzeug zur Verfügung stellen. Wir freuen uns auf Ihre Anfrage.

Verkaufspreis:
Nicht verfügbar
12,90 € Regulärer Preis: 14,84 €