Logo easyCredit Ratenkauf
 
  • Haken Check Anlieferung durch eigenes Personal
  • Haken Check Einweisung kostenlos bei Lieferung
  • Haken Check Deutschlandweiter Vor-Ort-Service
  • Haken Check Meisterfachbetrieb seit ü. 30 Jahren
zu Artikel: Bremslichtschalter rechts komplett (mit Kabel) Bremslichtschalter... mehr
Bitte beachten Sie, dass wir Elektrobauteile, die bereits eingebaut wurden, bzw. bei denen die versiegelte Verpackung geöffnet wurde, nicht mehr zurück nehmen können. Bestellen Sie die Ersatzteile bitte nicht um nach dem Ausschlussverfahren Fehlerquellen an Ihrem Fahrzeug herauszufinden, sondern nur, wenn Sie die Ersatzteile auch tatsächlich benötigen. Bei einem testweisen Anschluss können neue elektrische Bauteile z. B. durch einen Kurzschluss beschädigt werden, was von außen oft nicht sichtbar ist. Fehler in der Elektrik bzw. in Elektronikbauteilen lassen sich i. d. R. durch Durchmessen überprüfen, sollten Sie dabei Schwierigkeiten haben, empfehlen wir das Fahrzeug in eine Fachwerkstatt zu bringen. Falls Sie wissen welches Bauteil den Fehler verursacht, aber sich nicht sicher sind ob das bestellte Ersatzteil passt, vergleichen Sie das gelieferte E-Teil durch die Klarsicht-Verpackung mit dem Altteil, zum Vergleich muss die Verpackung nicht geöffnet werden.
Produktinformationen

zu Artikel: Bremslichtschalter rechts komplett (mit Kabel)

Stop-Schalter rechts komplett (mit Kabel)

Technik-Info

Stop-Schalter

auch zu finden unter: Bremslichtschalter, Bremslichtkontakt, Stoplichtschalter, Bremsschalter, Stopschalter, Bremslicht-Schalter, Bremslicht-Kontakt, Stoplicht-Schalter, Brems-Schalter, Stop-Schalter

Bremslichtschalter, Bremslichtkontakt oder auch Stoplichtschalter genannt ist in Erstausrüster-Qualität. Bitte vergleichen Sie Ihr Altteil mit unserem Produkt-Foto um sicherzustellen, dass Sie das richtige Bauteil bestellen.

Dieser Artikel wurde speziell hergestellt für:

Rex Milano 50 50ccm 4Takt

Geprüfte beste Erstausrüsterqualität sehr gute Verarbeitung günstiger Preis Kauf vom Großvertreiber

Unsere Ersatzteile für ihren Motorroller bzw. Roller oder auch Scooter können Sie bequem online in unserem Shop kaufen. Egal ob sie Ihren Roller im Kaufhaus oder im Baumarkt gekauft haben, für alle gängigen Europa-, China-, oder Taiwan-Roller finden Sie bei uns passende Bauteile, insbesondere für die Motoren 50 cc, 125 cc, 250 ccm, 4takt, 2takt und für größere Leistungen. Speziell für die Motorentypen 152QMI, 157QMI ,153FMI, 156FMI ,157QMJ, 158MJ ,1E40QMB, 1E40QMA ,164FML ,150QMG ,125-4T6M ,139QMB, 139QMA, JSD139QMB ,GY6 ,139FMB in kurzen und langen Versionen in den Normen Euro1, Euro2, Euro3 sowie die neuen Euro 4 Einspritzer-Motoren finden Sie Ersatzteile von hoher Güte. Gerne können Sie auch per Email nach Ersatzteilen anfragen. Bei Bestellwerten über 100 Euro können Sie auch unseren Ratenkauf- bzw. Finanzierungs-Service nutzen. Beim Kauf von Fahrzeugen können wir Ihnen auch ein Leasing-Angebot unterbreiten, das bietet sich insbesondere für Firmen an, die Betriebsfahrzeuge anschaffen, oder ihren Mitarbeitern ein Fahrzeug zur Verfügung stellen. Ihre Anfrage nehmen wir gerne entgegen

Gleichgültig, ob jemand einen Motorroller, Dreirad-Roller oder Elektroroller beziehungsweise E-Roller fährt, er stellt sich mit Sicherheit häufig die Frage, ob sie ein kaputtes Bauteil auswechseln oder reparieren lassen sollen. Woran man gleichermaßen denken sollte: Ein neues Element ist nicht nur problemlos ausgewechselt, sondern macht das Zweirad auch erheblich funktionssicherer als eine Instandsetzung. Zumeist kann nur eine kompetente Werkstatt den Mangel auf Anhieb feststellen. Anderenfalls hat man auch die Möglichkeit, sich für eines der einbaufertigen Komplett-Kits zu entscheiden, welche wir für viele unterschiedliche Modelle anbieten. .

Mit Recht sind wir stolz darauf, dass die Qualität all unserer Bauteile keinen Vergleich auf dem Weltmarkt zu scheuen braucht. Unsere Ersatzteile sind deswegen so günstig, da wir bereits beim Einkauf auf ökonomisch vernünftige Produktmengen achten. Bei uns kriegen Sie darum alle verfügbaren Bauelemente für Ihr Zweirad nicht bloß in hervorragend Qualität, sondern auch für einen günstigen Preis.

Auch für Motorroller, Buggys und Quads, die nicht mehr gefertigt werden, haben wir im Regelfall die Zubehörteile lieferbar. So z.B. für die Marken Eppella und Sundiro.

Klarerweise liefern wir auch die Originalteile für Ihren Motorroller, obschon unsere Nachbauten einen qualitativen Vergleich mit dem Erstausrüster-Produkt nicht zu scheuen brauchen, jedoch prinzipiell bedeutend preisgünstiger sind. Ganz gleich, ob Sie die Instandsetzung Ihres Rollers selber bewerkstelligen wollen oder lieber in einer Fachwerkstätte durchführen lassen möchten, mit Sicherheit liegen Sie mit unseren Teilen 100-prozentig richtig. Zu solch erschwinglichen Preisen werden Sie zweifelsohne Ihren Roller nicht auf andere Weise reparieren können.

Auf unserer Internetseite existiert reichlich Bildmaterial, welches Sie dabei unterstützt, Ihr altes Element auf einfache Weise mit dem lieferbaren Ersatz zu vergleichen. In Folge dessen können Falschlieferungen auf Grund fehlerhafter Bestellungen bereits im Vorhinein ausgeschlossen werden. Entscheidend ist hierbei, dass Ihre Bestellung nicht nur visuell, sondern auch in den Spezifikationen und Abmessungen mit dem alten Austauschteil zusammenpasst.

Ihre Vorteile:

  • Einbauelemente und Zubehör für rund 250 Marken und 8500 Typen auf Lager
  • Wir holen und bringen Ihren Motorroller
  • Präzisionsfertigung nach DIN-Norm
  • Sie bezahlen nur einmal Versandkosten beim Ordern mehrerer Komponenten mit denselben Lieferbedingungen
  • Roller-Ankauf zu fairen Preisen
  • Kurze Lieferzeiten
  • hundertprozentige Fahrsicherheit des Motorrollers, speziell bei Bremsanlagen
  • Alle unsere Einbauteile sind gebrauchstauglich, preiswert sowie langlebig
  • Auch bei kostengünstigen Nachbauten bekommen Sie von uns ohne Ausnahme die Erstausrüsterqualität
  • "Geld zurück" - Garantie, deshalb Kauf ohne Risiko
  • Am besten kaufen Sie Roller, Quads, Fun Fahrzeuge und Buggys bei uns als Fachhändler. Weswegen sind wir der entsprechende Partner für Sie? Weil wir die Meister-Qualifikation und das Know-how besitzen, welche für dieses Geschäftsfeld unter allen Umständen notwendig sind. Wir betreiben nicht ausschließlich unser Geschäft rund um die Motorroller, wir leben es richtiggehend.

    Da Kaufen Vertrauenssache ist, sollte man sich deswegen das bevorzugte Fachgeschäft vorher genau angucken, bei dem man vorhat ein motorisiertes Zweirad zu erwerben. Alles ist in unserem Unternehmen zu 100 Prozent transparent! Wieso besuchen Sie uns nicht mal in unserem Ladengeschäft, um sich selbst ein Bild zu machen?Das was Sie dort sehen, wird Sie mit Sicherheit überzeugen.

    Wenn Ihnen die Anfahrt zu uns zu weit ist, können Sie sich auch mittels der unterschiedlichen Ebay Bewertungen und des Trustedshops-Siegels kundig machen. Die Beurteilungen von Trustedshops sind prinzipiell nicht nur durchweg wertneutral sondern auch überaus aussagekräftig. Sowohl der Onlineshop auf unserer Verkaufsseite Motorroller.de als auch unsere Geschäftspraxis wurden von dieser Einrichtung bislang durchgehend mit "sehr gut" beurteilt. Unsere Käuferrezensionen bei Ebay liegen mit einem Faktor von rund 99,9 % gleichfalls in einem optimalen Bereich. Diese Ergebnisse bestätigen eines ganz offensichtlich: Wir legen uns auf allen Gebieten stets mächtig ins Zeug!

    Denken Sie aber bitte daran, dass dort wo gearbeitet wird, auch mal Fehler passieren. Wir wollen Sie aus dem Grund bitten, uns unbedingt eine Möglichkeit zur Verbesserung zu geben, sofern mal etwas nicht völlig zu Ihrer Zufriedenheit geklappt hat.

    Unser gut geschultes Team ist täglich von 8:00 - 18:00 Uhr und samstags von 9:00 - 13:00 für Sie da.

    Wir tun eine Menge, damit unsere Kunden zufrieden sind. Den Fahrzeughandel betreiben wir schon über 25 Jahre mit Erfolg, möchten hierbei hingegen erwähnen, dass wir bereits mehr als fünf Jahrzehnte auf eine Erfolgsgeschichte auf dem Sektor Maschinenbau zurückblicken können. Zwischenzeitlich haben wir uns zusammen mit dem Vertrieb von Motorrollern, auf Einbauteile, Fahrzeugzubehör und das "Nice-to-have" zur Leistungssteigerung festgelegt.

    Wer auf der Suche nach einem preiswerten Roller oder Ersatzteil für seinen fahrbaren Untersatz ist, der wird bei uns unter Motorroller.de auf unserer Internet-Seite fündig. In unserem Lager befinden sich für etwa 8500 Typen und 250 Marken diverse Produkte als Zubehör, Artikel und Einbauelemente. Beispielsweise arbeiten wir schon jahrelang mit Lieferanten wie Kreidler, Adly, Yamaha oder Jonway zusammen. Summa summarum haben wir auf einer Fläche von über 1.000 m² circa 500.000 Produkte von diversen Anbietern in unserem Hochregallager im Programm. Unser Zubehörbereich bietet demnach alles, was man als Rollerfahrer benötigt.

    Das beginnt bei den Regensets, Handschuhen und Nierengürteln, und geht bis hin zu den Schutzhelmen über das Top Case und den Windschildern.Auch für die Tuningfans, welche gerne sportlich fahren, bieten wir ausgesuchte Produkte an, wie beispielsweise Zylinder, Auspuffanlagen, Kolben und andere Dinge Kolben, Auspuffanlagen, Zylinder und dergleichen Dinge.

    Regelmäßige Qualitätsprüfungen sind die Leidenschaft unseres Hauses. Das heißt, ehe ein Fahrzeug ausgeliefert bzw. vom Kunden abgeholt wird, begutachten wir es letztlich nochmals ausführlich auf eventuelle Mängel bzw. Transportschäden. Das erste Mal geschieht dies vor dem Versand, indem wir jeden Roller auspacken und auf unserem computergesteuerten Zweirad-Prüfstand einem Probelauf respektive einer Übergabeinspektion unterziehen. Bei dem gelieferten Motorroller wird nach der Lieferung zum Käufer zum Schluss erneut ein Funktionstest durchgeführt. Dadurch ist ein einwandfreier Betrieb des Gefährts wirklich gesichert.

    Was uns überaus am Herzen liegt, ist ein effektiver Schutz unserer Umwelt. Das sagen wir nicht allein, weil unsere motorisierten Zweiräder normalerweise mit Verbrennungsmotoren versehen sind, die einen vergleichsweise niedrigen Kraftstoffverbrauch haben. Um unsere Umwelt darüber hinaus zu schonen und eine fachgerechte Entsorgung zu gewährleisten, nehmen wir die Transportverpackung wieder mit, die bei der Anlieferung unserer Roller anfällt.

    Sie möchten sich bei uns einen neuen Motorroller kaufen und sich gleichzeitig von Ihrem ausgedienten fahrbaren Untersatz trennen? Machen Sie sich über diese Sache keinen Kopf! Wir nehmen Ihren alten Roller gerne in Zahlung.

    Für den Fall, dass wir von Ihnen die Möglichkeit dazu erhalten würden, könnten wir die Qualität unserer Leistungen auch unter Beweis stellen. Wir sind kein billiger Internet-Shop, welcher heute kommt und morgen bereits wieder weg ist. In unserem stetig wachsenden Unternehmen steht Fleiß und fortwährendes Lernen in der Rangordnung ganz oben, weil wir verstanden haben, dass sich nur durch fortschrittliche Innovationen und neue Ideen das Know-how für eine gut fundierte geschäftliche Basis schaffen lässt. Sie können sich selber von unserem außergewöhnlichen Service überzeugen, für den Fall, dass Sie uns an unserem Betriebsstandort in Lindenfels-Eulsbach besuchen.

    Lindenfels liegt rund 60 km im Süden von Frankfurt/Main und 40 km nordöstlich von Mannheim im Odenwald (Regierungsbezirk Darmstadt). Alternativ ist es natürlich auch möglich, mit der Bahn zu fahren.

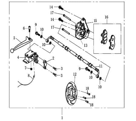
    Baugruppe: Elektrik
    Artikelposition in Explosionszeichnung: 8
    Position: rechts
    Ersatzteil: Bremslichtschalter
    • CPI Aragon 50
    • CPI Bingo Tennesse 50 Euro 1 10 mm KolbenBolzen
    • CPI Formula R 50
    • CPI Hussar 50 Euro 1 10 mm KolbenBolzen
    • CPI Hussar 50 Euro 2 12 mm KolbenBolzen
    • CPI Hussar 50 FL Euro 1 10 mm KolbenBolzen
    • CPI Hussar 50 SL Euro 1 10 mm KolbenBolzen
    • CPI Oliver 125
    • CPI Oliver 50 City
    • CPI OLIVER 50 CITY Euro 2 12 mm KolbenBolzen
    • CPI Oliver 50 Euro 2 12 mm KolbenBolzen
    • CPI Oliver 50 Sport Euro 2 12 mm KolbenBolzen
    • CPI Oliver City
    • CPI Popcorn 50 Euro 1 10 mm KolbenBolzen
    • CPI Popcorn 50 Euro 2 12 mm KolbenBolzen
    • CPI Popcorn 50 FL Euro 1 10 mm KolbenBolzen
    • CPI Popcorn 50 SL Euro 1 10 mm KolbenBolzen
    • Jonway Imola 125 Race/Urban
    • Jonway Imola 50 Race/Urban
    • Jonway Milano 125
    • Jonway Milano 50
    • Jonway Rex E-Novation 3000
    • Jonway Rex RS 460
    • Jonway Rex RS 500
    • Jonway Rex RS Classic
    • Jonway RS 1000
    • Jonway RS 400
    • Jonway RS 750
    • Jonway RS Classic
    • Jonway Stratos Chicago
    • Kreidler Flory
    • Kreidler Flory RC50 C-D
    • Kreidler RS 500
    • Otto Versand Rex RS 750
    • Qingqi Capriolo 50
    • Qingqi Rex RS 450 OFF-LIMIT/TRIBAL-Scooter/CAPRIOLO 50 QM50QT-6A
    • Qingqi REX RS 600 QM50QT-2
    • Qingqi REX RS 700 QM50QT-10A
    • Qingqi REX RS 900 QM50T 10A(A)
    • Qingqi RS 450
    • Qingqi RS 700
    • Qingqi RS 900
    • Qingqi RS 900 QM50T 10A
    • Rex 25
    • Rex 25 Escape
    • Rex 25 Scooter
    • Rex 25 Silverstreet
    • Rex 25 Trophy
    • Rex 25-50 2-T
    • Rex 50
    • Rex 50 Escape
    • Rex 50 Scooter
    • Rex 50 Scooter/MK 50/CAPRIOLO 50 (2-Takt)
    • Rex 50 Silverstreet
    • Rex 50 Trophy
    • Rex Capriolo 50 4T
    • Rex Flash 50
    • Rex Imola 125
    • Rex Imola 125 Race/Urban
    • Rex Imola 50
    • Rex Imola 50 Race/Urban
    • Rex Milano 125
    • Rex Milano 50
    • Rex Quad 150
    • Rex REXY 25-50
    • Rex Rexy 50
    • Rex Rexy 50 25 km/h
    • Rex Rexy 50 50 km/h
    • Rex RS 1000
    • Rex RS 250 QM50T 10A-B
    • Rex RS 400
    • Rex RS 450
    • Rex RS 450 OFF-LIMIT/TRIBAL-Scooter/CAPRIOLO 50 QM50QT-6A
    • Rex RS 450 QM50QT-6A CAPRIOLO 50
    • Rex RS 460
    • Rex RS 460 BOSTON 8
    • Rex RS 460 Mofaroller 4-T
    • Rex RS 500
    • Rex RS 500 QM50QT 6A-AQINGQI
    • Rex RS 600 QM50QT-2
    • Rex RS 700 QM50QT-10A
    • Rex RS 750
    • Rex RS 900 QM50T 10A-A
    • Rex RS Classic 50
    • Rex SPEEDY FLASH
    • Rex Stratos Chicago
    • SMC Flash SPEEDY
    • SMC Rexy 50
    • SMC RS 450
    • SMC Scooter
    mehr
    • CPI Aragon 50
    • CPI Bingo Tennesse 50 Euro 1 10 mm KolbenBolzen
    • CPI Formula R 50
    • CPI Hussar 50 Euro 1 10 mm KolbenBolzen
    • CPI Hussar 50 Euro 2 12 mm KolbenBolzen
    • CPI Hussar 50 FL Euro 1 10 mm KolbenBolzen
    • CPI Hussar 50 SL Euro 1 10 mm KolbenBolzen
    • CPI Oliver 125
    • CPI Oliver 50 City
    • CPI OLIVER 50 CITY Euro 2 12 mm KolbenBolzen
    • CPI Oliver 50 Euro 2 12 mm KolbenBolzen
    • CPI Oliver 50 Sport Euro 2 12 mm KolbenBolzen
    • CPI Oliver City
    • CPI Popcorn 50 Euro 1 10 mm KolbenBolzen
    • CPI Popcorn 50 Euro 2 12 mm KolbenBolzen
    • CPI Popcorn 50 FL Euro 1 10 mm KolbenBolzen
    • CPI Popcorn 50 SL Euro 1 10 mm KolbenBolzen
    • Jonway Imola 125 Race/Urban
    • Jonway Imola 50 Race/Urban
    • Jonway Milano 125
    • Jonway Milano 50
    • Jonway Rex E-Novation 3000
    • Jonway Rex RS 460
    • Jonway Rex RS 500
    • Jonway Rex RS Classic
    • Jonway RS 1000
    • Jonway RS 400
    • Jonway RS 750
    • Jonway RS Classic
    • Jonway Stratos Chicago
    • Kreidler Flory
    • Kreidler Flory RC50 C-D
    • Kreidler RS 500
    • Otto Versand Rex RS 750
    • Qingqi Capriolo 50
    • Qingqi Rex RS 450 OFF-LIMIT/TRIBAL-Scooter/CAPRIOLO 50 QM50QT-6A
    • Qingqi REX RS 600 QM50QT-2
    • Qingqi REX RS 700 QM50QT-10A
    • Qingqi REX RS 900 QM50T 10A(A)
    • Qingqi RS 450
    • Qingqi RS 700
    • Qingqi RS 900
    • Qingqi RS 900 QM50T 10A
    • Rex 25
    • Rex 25 Escape
    • Rex 25 Scooter
    • Rex 25 Silverstreet
    • Rex 25 Trophy
    • Rex 25-50 2-T
    • Rex 50
    • Rex 50 Escape
    • Rex 50 Scooter
    • Rex 50 Scooter/MK 50/CAPRIOLO 50 (2-Takt)
    • Rex 50 Silverstreet
    • Rex 50 Trophy
    • Rex Capriolo 50 4T
    • Rex Flash 50
    • Rex Imola 125
    • Rex Imola 125 Race/Urban
    • Rex Imola 50
    • Rex Imola 50 Race/Urban
    • Rex Milano 125
    • Rex Milano 50
    • Rex Quad 150
    • Rex REXY 25-50
    • Rex Rexy 50
    • Rex Rexy 50 25 km/h
    • Rex Rexy 50 50 km/h
    • Rex RS 1000
    • Rex RS 250 QM50T 10A-B
    • Rex RS 400
    • Rex RS 450
    • Rex RS 450 OFF-LIMIT/TRIBAL-Scooter/CAPRIOLO 50 QM50QT-6A
    • Rex RS 450 QM50QT-6A CAPRIOLO 50
    • Rex RS 460
    • Rex RS 460 BOSTON 8
    • Rex RS 460 Mofaroller 4-T
    • Rex RS 500
    • Rex RS 500 QM50QT 6A-AQINGQI
    • Rex RS 600 QM50QT-2
    • Rex RS 700 QM50QT-10A
    • Rex RS 750
    • Rex RS 900 QM50T 10A-A
    • Rex RS Classic 50
    • Rex SPEEDY FLASH
    • Rex Stratos Chicago
    • SMC Flash SPEEDY
    • SMC Rexy 50
    • SMC RS 450
    • SMC Scooter

    Motorroller bequem Online kaufen - von der Bestellung bis zur Lieferung

    Mobiler Home Service – Bundesweit Inspektionen und Reparaturen

    Motorroller.de – Über uns – Ihr Support vom Profi - seit 1993

    Rex Milano 50 Stop-Schalter Bremslichtschalter Roller Motorroller.de Bremsschalter 50ccm 4Takt 139QMB JSD50QT-13 50cc 4T 139QMA Schalter

    5,90 € *
    Inhalt: 1 Stück

    inkl. MwSt. zzgl. Versandkosten

    Download

    5,90 € * Rex Milano 50 Stop-Schalter Bremslichtschalter Roller Motorroller.de Bremsschalter 50ccm 4Takt 139QMB JSD50QT-13 50cc 4T 139QMA Schalter
    5.90

    Sofort versandfertig, Lieferzeit ca. 1-3 Werktage

    Ratenkauf bei easyCredit geht ohne Papierkram u. ohne Post Ident
    easyCredit von 103 Ratenkrediten als bester ausgezeichnet!
    Die Kundenentscheidung: easyCredit erhält die Note "sehr gut" und Platz 1 von 103 Ratenkrediten. Mit 4,9 von 5 Sternen bewerten die Kunden easyCredit damit als sehr positiv.

    Finanzierung ab 200€ Bestellwert.
    PayPal Amazon Pay Visa Mastercard EasyCredit CreditPlus Expokredit Sofort Überweisung Finanzkauf Vorkasse
    sofort lieferbar
    14 Tage Rückgaberecht
    Schneller DPD Versand
    Zuletzt angesehen
    Rückruf vereinbaren
    Rückruf vereinbaren
    Rückruf erfolgreich angefordert.
    Formular konnte nicht verarbeitet werden.